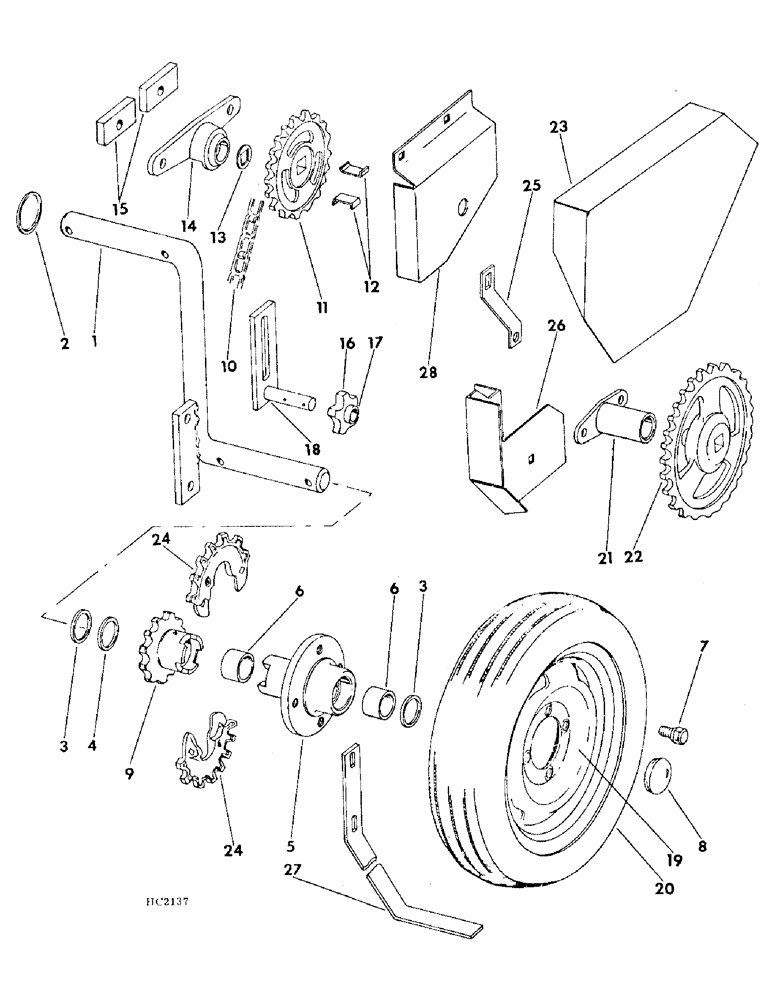
Запчасти Case IH 510 (B-04) - GAUGE WHEEL AXLE AND DRIVE

Схема запчастей Case IH 510 - (B-04) - GAUGE WHEEL AXLE AND DRIVE
2
21
23
24
18
20
25
5
19
10
17
9
15
13
1
8
4
26
11
24
22
14
28
3
16
12
7
27
6
3
6
FIT
1:1
100%

Артикул

Название

Примечание

Количество

1

609476R12

AXLE

ASSY, gauge wheel LH

1шт.

1

609477R12

AXLE

ASSY, gauge wheel RH

1шт.

32-2032

COTTER PIN,5/16" x 2"

PIN, SPLIT (COTTER), 5/16" x 2"

4шт.

617940R1

PIN,5/16" x 1 3/4", Coiled

4шт.

180177

BOLT,Hex, 1/2" - 13 x 1 1/2", Gr 5

1/2-13 x 1-1/2 hex-hd

2шт.

120378

NUT,Hex, 1/2" - 13, Gr 5

NUT, 1/2"-13, G5

2шт.

2

22482R1

WASHER

1-13/32 x 2-1/4 x 11 ga

1шт.

3

600765R1

WASHER

hub and sprocket special

4шт.

4

615290R1

WASHER

1-13/32 x 1-15/16 x 16 ga

1шт.

5

609480R11

HUB

ASSY, wheel, includes 2-609481R1, bushing

1шт.

109461

LUBE NIPPLE,1/8"-27 x .66 lg

NIPPLE, LUBE, 1/8"-27 x .66 lg

2шт.

6

609481R1

BUSHING

wheel hub

4шт.

7

351079R1

BOLT,Hex Counter Shank, 1/2" - 20 x 23/32"

wheel

8шт.

8

663908R1

CAP

hub

2шт.

9

609479R1

DRIVE SPROCKET

SPROCKET, fertilizer 8T

1шт.

80722

LUBE NIPPLE,3/16" x .55" lg, Drive

FITTING, 3/16 drive type lub

1шт.

9

609479R1

DRIVE SPROCKET

SPROCKET, grain drive 8T

1шт.

80722

LUBE NIPPLE,3/16" x .55" lg, Drive

FITTING, 3/16 drive type lub

1шт.

10

CHAIN ASSY, grain drive, for service order 1-CS32, 10 foot roll of no. 32 steel chain and reduce to 40 links

1шт.

10

CHAIN ASSY, fertilizer drive, regular, for service order 1-CS32, 10 foot roll of no. 32 steel chain and reduce to 56 links

1шт.

10

CHAIN ASSY, fertilizer drive, special, fast speed fertilizer drive, for service order 1-CS32, 10 foot roll of no. 32 steel chain and reduce to 60 links

1шт.

11

609465R1

DRIVE SPROCKET

SPROCKET, grain drive 16T

1шт.

12

N11792

CLIP

sprocket retaining

2шт.

13

N11791

WASHER

sprocket retaining

1шт.

14

609466R1

HANGER

grain drive sprocket

1шт.

15

815153C1

BAR

sprocket spacer

2шт.

180126

BOLT,Hex, 3/8" - 16 x 1 1/2", Gr 5

3/8-16 x 1-1/2 hex-hd

1шт.

113-233

BOLT,Hex, 3/8" - 16 x 1-3/4", Gr 5

1шт.

120377

NUT,3/8" - 16, Gr 5

2шт.

120382

LOCK WASHER,Helical Spring, 3/8"

WASHER, LOCK, 3/8"

2шт.

16

603450R1

DRIVE SPROCKET

SPROCKET, grain & fert tightener

2шт.

17

603369R1

BUSHING

chain tightener sprocket

2шт.

18

609474R92

BRACKET

ASSY, chain tightener

2шт.

103385

COTTER PIN,1/8" x 1"

PIN, SPLIT (COTTER), 1/8" x 1"

4шт.

21782R1

WASHER

.650 x 1.500 x .054

1шт.

495967R1

CARRIAGE BOLT,Short NK, 3/8"-16 x 1", G5, Full Thd

BOLT, 3/8-16 x 1 carriage

2шт.

120377

NUT,3/8" - 16, Gr 5

2шт.

120382

LOCK WASHER,Helical Spring, 3/8"

WASHER, LOCK, 3/8"

2шт.

19

455169R92

WHEEL

15 x 4-1/2 KB

2шт.

20

TIRE AND TUBE, 5.90-15 4 ply code I-1-2

1шт.

20

TIRE 6.70-15 4 ply tubeless

2шт.

387897R91

VALVE STEM

VALVE, TR 415

1шт.

21

815506C1

HUB

fertilizer drive sprocket

1шт.

9635884

BOLT,Hex, 5/16" - 18 1", Full Thd, Gr 5

5/16-18 x 1 hex-hd

2шт.

120376

NUT,5/16"-18, G5

2шт.

80681

LOCK WASHER,5/16"

WASHER, LOCK, 5/16"

2шт.

22

609470R1

DRIVE SPROCKET

SPROCKET, fertilizer drive 27T

1шт.

23

815507C1

SHIELD

ASSY, fertilizer drive

1шт.

24

F1103R

DRIVE SPROCKET

SPROCKET, half 16T, special, fast speed fertilizer drive

2шт.

434-524

CARRIAGE BOLT,Short NK, 5/16"-18 x 1 1/2", G5

BOLT, 5/16-18 x 1-1/2 carriage

2шт.

120376

NUT,5/16"-18, G5

2шт.

80681

LOCK WASHER,5/16"

WASHER, LOCK, 5/16"

2шт.

25

818038C1

SHIELD

SUPPORT, fertilizer extension shield, drills shpd to U.K., Serial Range: prior-1975

1шт.

9635884

BOLT,Hex, 5/16" - 18 1", Full Thd, Gr 5

5/16-18 x 1 hex-hd

2шт.

120376

NUT,5/16"-18, G5

2шт.

80681

LOCK WASHER,5/16"

WASHER, LOCK, 5/16"

2шт.

26

818044C1

SHIELD, fertilizer drive extension, drills shpd to U.K., Serial Range: prior-1975

1шт.

598802R1

CARRIAGE BOLT,Short NK, 5/16"-18 x 3/4", G5, Full Thd

BOLT, 5/16-18 x 3/4 carriage

1шт.

180077

BOLT,Hex, 5/16" - 18 x 3/4", Gr 5

5/16-18 x 3/4 hex-hd

2шт.

120376

NUT,5/16"-18, G5

3шт.

80681

LOCK WASHER,5/16"

WASHER, LOCK, 5/16"

3шт.

134238R1

WASHER

.344 x 1.000 x .054

1шт.

27

818029C1

BLADE

SCRAPER, gauge wheel, drills shpd to U.K., Serial Range: prior-1975

2шт.

180177

BOLT,Hex, 1/2" - 13 x 1 1/2", Gr 5

1/2-13 x 1-1/2 hex-hd

2шт.

180179

BOLT,Hex, 1/2" - 13 x 1 3/4", Gr 5

1/2-13 x 1-3/4 hex-hd

2шт.

120378

NUT,Hex, 1/2" - 13, Gr 5

NUT, 1/2"-13, G5

4шт.

120384

WASHER,1/2"

LOCK, 1/2"

4шт.

178374R1

WASHER

.531 x 1.250 x .054

4шт.

28

818027C1

SHIELD

grain drive, drills shpd to U.K., Serial Range: prior-1975

1шт.

598809R1

CARRIAGE BOLT,Sht Sq Nk, 3/8" - 16 x 3/4", Gr 5

BOLT, 3/8-16 x 3/4 crg

3шт.

120377

NUT,3/8" - 16, Gr 5

3шт.

120382

LOCK WASHER,Helical Spring, 3/8"

WASHER, LOCK, 3/8"

3шт.

22828R1

WASHER,13/32" x 3/4" x .060", Sq Hole

.406 sq x .750 x .054

3шт.

Выбрано товаров: 73