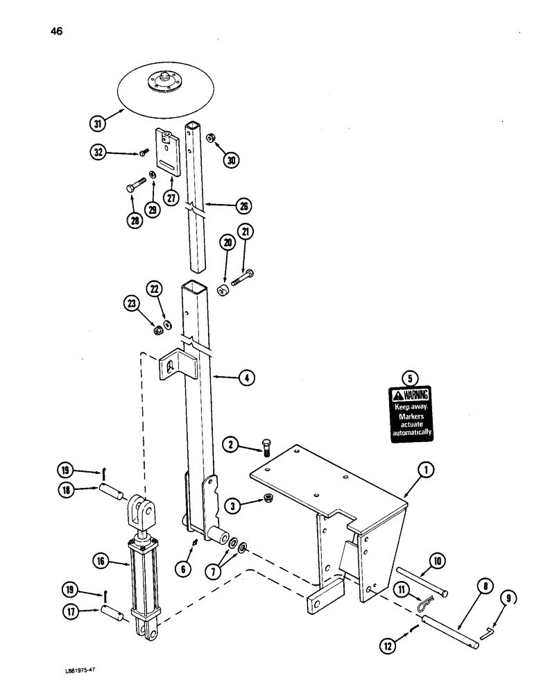
Запчасти Case IH 5200 (46) - DISC MARKER, RIGID

Схема запчастей Case IH 5200 - (46) - DISC MARKER, RIGID
17
2
6
11
10
28
26
20
16
30
9
19
7
21
29
27
19
5
4
8
3
12
18
31
22
23
32
1
FIT
1:1
100%

Артикул

Название

Примечание

Количество

1

95670C2

SUPPORT ASSY.

BRACKET ASSEMBLY - marker support, left

1шт.

1

95671C2

SUPPORT ASSY.

BRACKET ASSEMBLY - marker support, right

1шт.

2

113-600

BOLT,Hex, 5/8" - 11 x 1-3/4", Gr 5

8шт.

3

174763C1

FLANGE NUT,Flg, USR, 5/8"-12

- flange lock, 5/8 inch NC

8шт.

4

95839C1

SUPPORT TUBE

TUBE ASSEMBLY - marker, right (Includes Ref. 5)(Shown)

1шт.

4

95840C1

SUPPORT TUBE

TUBE ASSEMBLY - marker, left

1шт.

5

1254154C1

DECAL,Warning Keep Away Markers Actuate

- caution

1шт.

6

66584D

FITTING

- grease

2шт.

7

21761R1

WASHER

- flat, 29/32 x 1-1/2 x 3/64 inch

4шт.

8

1263878C1

PIVOT PIN

PIN - marker pivot

2шт.

9

471323R1

LINCH PIN

PIN - pivot 1ock

2шт.

10

1263946C1

HEADED PIN

PIN - tube retaining

2шт.

11

520175R1

CLIP

PIN - hair

2шт.

12

132-349

COTTER PIN,1/4" x 1 1/2"

PIN, Split (Cotter), 1/4" x 1-1/2"

2шт.

16

REF

INSTRUCTION

CYLINDER ASSEMBLY - marker lift (See Page 19)

2шт.

17

27257R1

HEADED PIN,1" x 3"

PIN - clevis, 1 x 3 inch

2шт.

18

27267R1

HEADED PIN,1" x 3 1/4"

PIN - clevis, 1 x 3-1/4 inch

2шт.

19

132-349

COTTER PIN,1/4" x 1 1/2"

PIN, Split (Cotter), 1/4" x 1-1/2"

4шт.

20

89200C1

TUBE,13.5 mm ID x 31.7 mm OD x 20 mm L

- adjusting

2шт.

21

113-425

BOLT,Hex, 1/2" - 13 x 3", Gr 5

2шт.

22

20601R1

WASHER

- flat, 17/32 x 1-1/4 x 7/64 inch

2шт.

23

487374R1

BEARING LOCK NUT,Flg, USR, 1/2"-13

- flange lock, 1/2 inch NC

2шт.

26

91113C1

TUBE,1200 mm L

- outer

2шт.

27

1279601C1

LARGE PLATE

PLATE - disc adjusting

2шт.

28

80087972

BOLT,Hex, 1/2" - 13 x 2 1/2", Gr 5

- hex, 1/2 NC x 2-1/2 inch

4шт.

29

25710R1

WASHER

- flat, 17/32 x 1-1/16 x 5/64 inch

1шт.

30

487374R1

BEARING LOCK NUT,Flg, USR, 1/2"-13

- flange lock, 1/2 inch NC

4шт.

31

REF

INSTRUCTION

DISC ASSEMBLY - marker (See Page 53)

2шт.

32

126156

SET SCREW,Sq Hd, 3/8"-16 x 7/8"

SCREW - square head cup point, set, 3/8 NC inch

2шт.

Выбрано товаров: 29