Запчасти Case IH 5200 (58) - ROCKSHAFT

Схема запчастей Case IH 5200 - (58) - ROCKSHAFT
25
11
23
25
1
22
8
18
7
3
4
3
6
23
15
10
5
19
12
11
12
10
21
10
8
9
9
4
17
5
9
8
14
12
2
11
6
24
16
20
FIT
1:1
100%

Артикул

Название

Примечание

Количество

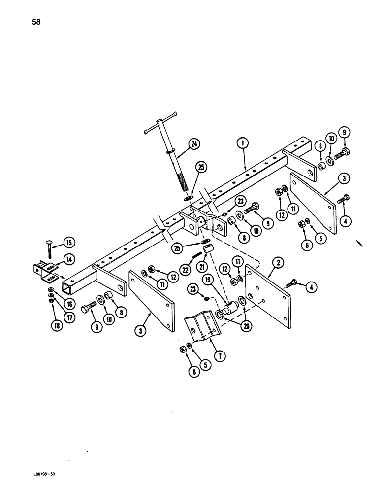
1

90926C1

TUBE

FRAME ASSEMBLY - rockshaft, 1 5 foot drill

2шт.

1

1279905C1

TUBE

FRAME ASSEMBLY - rockshaft, 20 foot drill

2шт.

2

1279912C1

PLATE

- lift support, inner

2шт.

3

1279913C1

PLATE

- lift support, outer

2шт.

4

413-1032

BOLT,Hex, 5/8" - 11 x 2", Gr 5

- hex, 5/8 NC x 2 inch

16шт.

5

192-25

LOCK WASHER,5/8"

WASHER, LOCK, 5/8"

16шт.

6

425-1010

NUT,5/8"-11, G5

16шт.

7

1279914C1

ARM

- lift

2шт.

8

1279931C1

SPACER

- lift pivot

6шт.

9

113-712

BOLT,Hex, 3/4" - 10 x 2-1/4", Gr 5

6шт.

10

21713R1

WASHER,25/32" x 1 3/4" x .120"

- flat, 25/32 x 1-3/4 x 7/64 inch

6шт.

11

192-27

LOCK WASHER,3/4"

WASHER, LOCK, 3/4"

6шт.

12

129-108

NUT,3/4"-10, G5

6шт.

14

1279928C1

BRACKET

- lift

1шт.

15

26877R1

CARRIAGE BOLT,Sq Nk, 1/2" - 13 x 3 1/2", Gr 5

BOLT - round head square neck, 1/2 NC x 3-1/2 inch

1шт.

16

607895R1

WASHER

- flat, 17/32 x 1 x 7/64 inch

1шт.

17

192-23

LOCK WASHER,1/2"

WASHER, LOCK, 1/2"

1шт.

18

129-105

NUT,Hex, 1/2" - 13, Gr 5

1шт.

19

91393C1

TRUNNION

- rockshaft, lower

2шт.

20

614451R1

WASHER

- flat, 1-1/32 x 1-3/4 x 7/64 inch

4шт.

21

91100C1

SPACER

- lift crank

2шт.

22

22977R1

PIN,3/8" x 1 3/4", Coiled

2шт.

23

109461

LUBE NIPPLE,1/8"-27 x .66 lg

NIPPLE, LUBE, , PT 1/8"-27 x .66 lg

4шт.

24

91101C1

ROD ASSY.

ROD - lift

2шт.

25

614451R1

WASHER

- flat, 1-1/32 x 1-3/4 x 7/64 inch

4шт.

Выбрано товаров: 25