Запчасти Case IH 5200 (10) - PLANTING MONITOR, SEED FLOW II

Схема запчастей Case IH 5200 - (10) - PLANTING MONITOR, SEED FLOW II
26
25
28
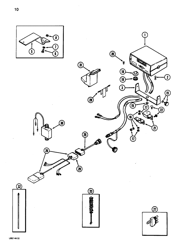
1
19
29
7
6
5
2
21
15
17
30
16
3
27
15
22
31
20
33
32
17
8
18
FIT
1:1
100%

Артикул

Название

Примечание

Количество

1

245821C91

CONSOLE

MONITOR - seed Flow II

1шт.

1

126420A1R

REMAN-ELECT MONITOR

Reman Monitor Remanufactured Instrument Cluster

1шт.

1

126420A1C

CORE-MONITOR

Return Number, Monitor

1шт.

2

9426337

FUSE,3 Amp, Type 3AG

FUSE - 3 ampere

1шт.

3

1261523C91

BRACKET

BRACKET - mounting

1шт.

5

90905C2

BRACKET, SUPPORTING

BRACKET - mounting (J I Case Tractor)

1шт.

6

113-103

BOLT,Hex, 5/16" - 18 x 1", Gr 5

BOLT, Hex, 5/16"-18 x 1", G5, Full Thd

2шт.

7

28588R1

WASHER

WASHER - 11/32 x 11/16 x 3/64 inch

2шт.

8

9635082

NUT,5/16" - 18, Gr 5

NUT, 5/16"-18, G5

2шт.

15

1261524C91

REPAIR KIT

KNOB KIT - (Includes 2 knobs and 3 washers)

1шт.

16

192-20

LOCK WASHER,Helical Spring, 0.318" ID, CST, ZND

WASHER, LOCK, 5/16"

1шт.

17

9635082

NUT,5/16" - 18, Gr 5

NUT, 5/16"-18, G5

1шт.

18

1261548C1

ALARM

ALARM monitor

1шт.

19

1261549C1

DAMPER

DAMPER - alarm

1шт.

20

58554C1

BULB,C2F, #1892, 14V

BULB - light, No. 1892

1шт.

21

1261522C91

BRACKET, SUPPORTING

BRACKET SET - mounting

1шт.

22

598802R1

CARRIAGE BOLT,Short NK, 5/16"-18 x 3/4", G5, Full Thd

BOLT - round head square neck, 5/16 NC x 3/4 inch

4шт.

25

90925C1

CABLE

HARNESS - monitor adapter

1шт.

26

819974C91

HARNESS

HARNESS - monitor, 12 contact plug

1шт.

26

819975C91

HARNESS

HARNESS - monitor, 10 contact plug

1шт.

27

245617C1

CONNECTOR,ELECTRIC

CABLE - shorting

2шт.

28

58557C1

ELECTRICAL WIRE

WIRE WIRE - shortenin

1шт.

29

128813C1

CONNECTOR,ELECTRIC

CONNECTOR - male connection plug

1шт.

30

819971C91

SENSOR

SENSOR - seed

1шт.

31

841109C1

SHIELD

SHIELD -light

1шт.

32

289862C1

CABLE TIE,3/16" x 7"

CABLE STRAP STRAP - retaining, 7 inch long

7шт.

32

306132C1

CABLE TIE,14.5" L

CABLE STRAP STRAP - retaining, 14 inch long

2шт.

33

128817C1

BRUSH, COMMUTATOR

BRUSH BRUSH - sensor cleaning

1шт.

33

126420A1R

REMAN-ELECT MONITOR

Reman Monitor Remanufactured Instrument Cluster

1шт.

33

126420A1C

CORE-MONITOR

Return Number

1шт.

Выбрано товаров: 30