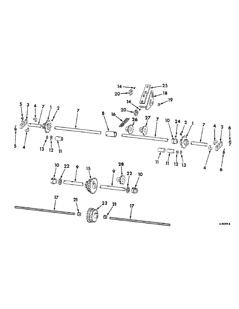
Запчасти Case IH 54-SERIES (W-03) - DRIVE UNIT

Схема запчастей Case IH 54-SERIES - (W-03) - DRIVE UNIT
26
21
6
4
17
22
11
5
9
25
10
24
20
1
4
23
16
28
18
14
13
1
11
9
15
2
5
3
12
22
21
19
7
4
2
4
27
11
12
10
13
17
6
20
14
7
10
7
8
3
7
FIT
1:1
100%

Артикул

Название

Примечание

Количество

1

484026R1

DRIVE SPROCKET

SPROCKET, main driven, 10T

4шт.

2

86636814

LUBE NIPPLE,1/4"-28 x .52" lg

FITTING, 1/4-28NF2 str lub, main driven sprocket

4шт.

3

472328R1

CARRIER

pawl

4шт.

522292R1

PIN,5/16" x 1 3/4"

5/16 x 1-3/4 std-hd

4шт.

13066R1

Pin, Split (Cotter), 1/8" x 1", self-opening 1/8" x 1"

4шт.

4

472329R1

PAWL

drive sprocket

8шт.

108635

PIN,1/8" x 1 1/8"

Split (Cotter), 1/8" x 1 1/8"

8шт.

5

472721R1

SPRING

wheel ratchet LH

4шт.

6

472722R1

SPRING

wheel ratchet RH

4шт.

7

487584R1

ROD, upper drive

4шт.

8

487588R1

SPACER, upper drive

2шт.

13139R1

PIN, 1/4 x 1-3/4 self opening cot.

6шт.

9

487585R1

ROD, main drive

2шт.

13121R1

Pin, Split (Cotter), 1/4" x 1 1/2", self opening 1/4" x 1 1/2"

4шт.

10

481812R11

BEARING ASSY

W/BUSHING, main drive shaft

8шт.

11

484060R1

BUSHING

steel back bronze

8шт.

21868V

WASHER

29/32 x 1-1/2 x 16 ga, (or as required)

2шт.

12

481810R1

WASHER

keyed

8шт.

13

589937R1

WASHER

wear

8шт.

13068R1

PIN,3/16" x 1"

Split (Cotter), , self-opening 3/16" x 1"

8шт.

14

55584D

FITTING, 3/16 drive-type str lub, main drive shaft brg

8шт.

15

482443R1

SPROCKET ASSY.

SPROCKET, main drive, 18T, 16T, 13T

2шт.

522292R1

PIN,5/16" x 1 3/4"

5/16 x 1-3/4 std-hd

2шт.

13042R1

AXLE PIN,1/8" x 3/4"

Pin, Split (Cotter), , self-opening 1/8" x 3/4"

2шт.

16

CHAIN, drill shaft drive, use 39 links of 1 in. extended agricultural pitch roller chain from 10 ft roll marked 569088R91, 1 connecting link 457113R91 and 1 offset link 457114R91

1шт.

17

487586R1

ROD, drill

2шт.

18

487587R1

PLATE

ASSY, chain tightener left, furnish plate assy 472339R91

2шт.

18

472339R91

PLATE

ASSY, chain tightener left

2шт.

13068R1

PIN,3/16" x 1"

Split (Cotter), , self-opening 3/16" x 1"

2шт.

18496R1

BOLT,Hex, 1/2"-13 x 1 1/2", G2

1/2 x 1-1/2 C-Z hex-hd mach

2шт.

12686R1

CARRIAGE BOLT,Sq Nk, 1/2" - 13 x 1/2", Gr 2, Full Thd

BOLT, CARRIAGE, Short NK, 1/2"-13 x 1 1/2", G2, Full Thd

2шт.

178374R1

WASHER

17/32 x 1-1/4 x 16 ga C-Z

2шт.

120384

WASHER,1/2"

LOCK, 1/2"

4шт.

120378

NUT,Hex, 1/2" - 13, Gr 5

NUT, 1/2"-13, G5

4шт.

189316

BOLT,Hex, 1/2" - 13 x 4 1/4", Gr 5

SCREW, 1/2-13 x 4-1/4 C-Z hex-hd cap

2шт.

178374R1

WASHER

17/32 x 1-1/4 x 16 ga C-Z

4шт.

120238

JAM NUT,Jam, 1/2"-13, G5

1/2-13 C-Z hex. jam

4шт.

19

622567R1

WASHER

BUSHING, chain tightener

2шт.

20

472344R1

SPROCKET

idler, 6T

4шт.

21

1431BX

COLLAR CLAMP

COLLAR W/SET SCREW, drill shaft

4шт.

85-15012

SET SCREW,Sq Hd, 1/2"-13 x 3/4"

SCREW, 1/2-13 x 3/4 sq-hd cup-pt set

4шт.

22

584253R1

WASHER

4шт.

23

473862R1

SPROCKET ASSY.

SPROCKET, main drill shaft, 17T, 16T, 13T

2шт.

NLS

NO LONGER SERVICED

3/8-16 x 7/8 sq-hd cup-pt set

2шт.

124829

JAM NUT,Hex, 3/8" - 16, Gr 5

2шт.

24

66584D

FITTING

3/16 drive-type str lub, lift rod angle assy

4шт.

25

487610R1

BAR, idler pivot

2шт.

180175

BOLT,Hex, 1/2" - 13 x 1 1/4", Gr 5

SCREW, 1/2-13 x 1-1/4 C-Z hex-hd cap

4шт.

120384

WASHER,1/2"

LOCK, 1/2"

4шт.

120378

NUT,Hex, 1/2" - 13, Gr 5

NUT, 1/2"-13, G5

4шт.

26

481943R1

SPROCKET ASSY.

SPROCKET, 15T

2шт.

26

481941R1

SPROCKET, 9T

2шт.

26

481940R1

SPROCKET, 8T

2шт.

21242R1

HEADED PIN

PIN, 1/4 x 1-3/4 C-Z std-hd

4шт.

21628R1

PIN

1/8 x 3/4 C-Z self-opening cot.

4шт.

27

481942R1

SPROCKET ASSY.

SPROCKET, main drive, 12T

2шт.

27

481941R1

SPROCKET, 9T

2шт.

27

481940R1

SPROCKET, 8T

2шт.

28

481942R1

SPROCKET ASSY.

SPROCKET, main drive, 12T

2шт.

Выбрано товаров: 59