Запчасти Case IH 5400 (9-042) - ROCKSHAFT, CONVENTIONAL AND MINIMUM-TILL (GRAIN DRILLS BSN CKB0030000) (09) - CHASSIS

Схема запчастей Case IH 5400 - (9-042) - ROCKSHAFT, CONVENTIONAL AND MINIMUM-TILL (GRAIN DRILLS BSN CKB0030000) (09) - CHASSIS
17
6
3
6
11
16
10
12
4
10
8
9
11
9
3
8
9
25
21
19
10
26
4
23
18
13
12
24
22
11
7
25
15
20
5
12
23
2
20
1
14
8
FIT
1:1
100%

Артикул

Название

Примечание

Количество

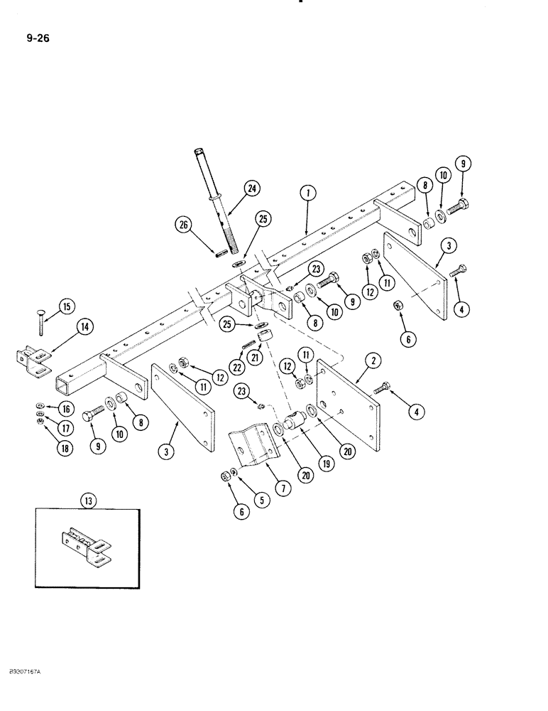
1

90926C2

TUBE

PRESSURE BAR

2шт.

7", 8" and 10" Row Spacing

1шт.

15' Drill

1шт.

1

1279905C2

TUBE

pressure bar assembly

2шт.

7", 8" and 10" Row Spacing

1шт.

20' Drill

1шт.

2

1279912C1

PLATE

lift bar inner support

2шт.

3

1279913C1

PLATE

lift bar outer support

4шт.

4

86505999

BOLT,Hex, 5/8" - 11 x 2", Gr 5

16шт.

6

85700693

NUT,5/8" - 11, Gr C

16шт.

7

1279914C1

ARM

lift bar hammer strap 1/2" thick

2шт.

8

1279931C1

SPACER

30.175mm OD x 20.615mm ID x 17mm long

6шт.

9

413-1236

BOLT,Hex, 3/4" - 10 x 2-1/4", Gr 5

6шт.

10

495-81044

WASHER,0.78" ID x 1.75" OD x 0.12" Thk

6шт.

11

87340

LOCK WASHER,Helical Spring, 0.759" ID, CST, ZND

6шт.

12

280954

NUT,3/4"-10, G5

6шт.

13

1978923C1

BRACKET

assy lift rod

1шт.

14

1279928C2

BRACKET

ASSY, LIFT ROD

1шт.

15

433-856

CARRIAGE BOLT,Sq Nk, 1/2" - 13 x 3 1/2", Gr 5

1шт.

16

86624188

WASHER,0.53" ID x 1.06" OD x 0.13" Thk

1шт.

17

80679

LOCK WASHER,1/20.507 CST ZND

1шт.

18

280431

NUT,1/2"-13, G5

1шт.

19

91393C2

TRUNNION

2шт.

20

86624172

WASHER,1.03" ID x 1.75" OD x 0.12" Thk

4шт.

21

91100C1

SPACER

lift crank 1 3/4" od x 1 1/16" id

2шт.

22

87023162

PIN,9.53mm OD x 44.45mm L

2шт.

23

80710

LUBE NIPPLE,1/8” – 27 Dryseal PTF

4шт.

24

135573A2

ROD

adjustment

2шт.

25

86624172

WASHER,1.03" ID x 1.75" OD x 0.12" Thk

4шт.

26

438-31624

PIN,6.35mm OD x 38.1mm L, Coiled

2шт.

Выбрано товаров: 30