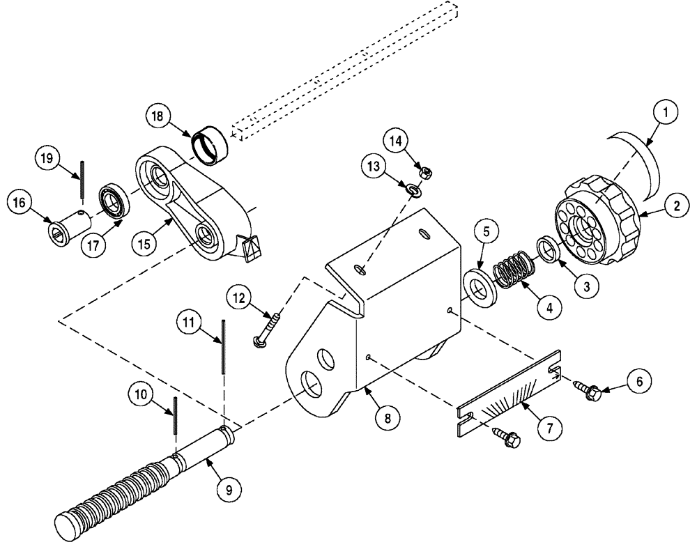
Запчасти Case IH 5400 (9-16) - SEED RATE ADJUSTER (GRAIN DRILLS ASN CKB0030001) (09) - CHASSIS

Схема запчастей Case IH 5400 - (9-16) - SEED RATE ADJUSTER (GRAIN DRILLS ASN CKB0030001) (09) - CHASSIS
2
14
1
8
18
13
10
16
11
3
12
19
17
15
7
9
6
5
4
FIT
1:1
100%

Артикул

Название

Примечание

Количество

0

349955A1

ADJUSTER

seed rate assembly

1шт.

1

339580A1

DECAL

single seed rate adjuster

1шт.

2

325835A1

KNOB

aluminum 3 1/4" od with hole

1шт.

3

325837A1

SPACER

7/8" od x 19/32" x .24" long

1шт.

4

325836A1

SPRING

C .055 wire .72 OD .88

1шт.

5

495-11059

WASHER,9/16"

1шт.

6

87016545

SELF-TAP SCREW,Hex Wash Hd, #8 x 3/8"

2шт.

7

339575A1

DECAL

seed rate adjuster

1шт.

8

325832A1

BRACKET

seed meter adjuster

1шт.

9

325834A1

ROD, ADJUSTMENT

ROD, ADJUSTING seed rate

1шт.

10

38-31616

PIN,6.35mm OD x 25.4mm L, Coiled

1шт.

11

438-31624

PIN,6.35mm OD x 38.1mm L, Coiled

1шт.

12

80280503

CARRIAGE BOLT,Sht Sq Nk, 3/8" - 16 x 1", Gr 5, Full Thd

2шт.

13

80680

LOCK WASHER,3/8 0.381 CST ZND

2шт.

14

9628503

NUT,3/8"-16, G5

2шт.

15

319141A1

ADJUSTER

housing seed rate

1шт.

16

1279145C1

SPACER

feed shifter bearing

1шт.

17

616154R92

BEARING, ROLLER, CYL,16 mm

cylindrical

1шт.

18

609389R1

SPACER

1 3/8"od 1 3/16"id

1шт.

19

438-31220

PIN,3/16" x 1 1/4", Coiled

1шт.

Выбрано товаров: 20