Запчасти Case IH 5400 (9-18) - SEED FEED (09) - CHASSIS

Схема запчастей Case IH 5400 - (9-18) - SEED FEED (09) - CHASSIS
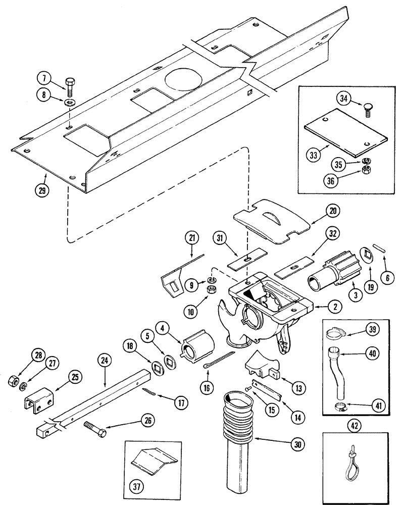
17
28
2
16
13
3
33
19
30
34
7
41
6
42
40
15
25
20
8
39
5
4
27
21
14
37
35
18
9
31
10
24
29
32
36
26
FIT
1:1
100%

Артикул

Название

Примечание

Количество

0

603816R93

CUP

fluted feed service

1шт.

0

8-27510

INSTRUCTION

card, fluted feed cup

1шт.

2

NSS

NOT SOLD SEPARAT

CUP, Feed

1шт.

3

603111R1

ROLLER

fluted

1шт.

4

603112R1

BLOCK

shut off plain

1шт.

5

602106R1

SQ HOLE WASHER

.656 sq id 1.17 pln x .0097 tk

4шт.

6

603134R1

PIN,4.76mm OD x 29.37mm L

3/16" x 1 5/32" long

1шт.

7

87657

BOLT,Hex, 5/16" - 18 x 1 1/4", Gr 5

1шт.

8

495-81114

WASHER,8.74mm ID x 19.05mm OD x 1.7mm Thk

1шт.

9

80681

LOCK WASHER,5/16"

1шт.

10

9635082

NUT,5/16" - 18, Gr 5

1шт.

13

603108R21

BOTTOM

assembly, feed cup dump

1шт.

14

603178R1

LATCH

bracket bottom dump

1шт.

15

449-36

RIVET,Truss Hd, 3/16" x 3/8"

1шт.

16

432-1248

COTTER PIN,3/16" x 3"

1шт.

17

394818

COTTER PIN,M5 x 25

1шт.

18

N11720

WASHER

square 21/32" id x 1 1/2" od x 3/32" thick

1шт.

18

602106R1

SQ HOLE WASHER

.656 sq id 1.17 pln x .0097 tk

1шт.

19

603231R1

SPRING WASHER,16.67mm ID x 30.2mm OD x 0.71mm Thk

spring 21/32" sq id

1шт.

20

818335C1

COVER ASSY

GRAIN FEED SHUT OFF

1шт.

21

606034R1

GUARD

WINDSHIELD, GRAIN FEED CUP

1шт.

24

91008C1

BAR

feed shaft 22 x 8 RH

1шт.

24

352913A1

BAR

shaft square 5/8" x 81.7" with holes

1шт.

24

90933C1

BAR

FEED SHAFT LH, Serial Range: -CKB0030000

1шт.

15' Drill

1шт.

24

352911A1

BAR

shaft square 5/8" x 85.3" with holes

1шт.

24

1263965C1

BAR

FEED SHAFT (15X8), Serial Range: -CKB0030000

2шт.

20' Drill

1шт.

24

352928A2

BAR

shaft square 5/8" x 105.9" with holes

2шт.

25

816133C1

CHANNEL

feed shaft coupler

1шт.

26

88044

BOLT,Hex, 3/8" - 16 x 1-1/2", Gr 5

2шт.

27

80680

LOCK WASHER,3/8 0.381 CST ZND

1шт.

28

9628503

NUT,3/8"-16, G5

1шт.

29

90936C2

ASSEMBLY

SECTION, GRAIN BOTTOM PARTITION (22X8)

1шт.

29

349468A2

BOTTOM

SECTION, GRAIN 12X15, Start Serial: CKB0030001

1шт.

15' Drill

1шт.

29

1263955C1

BOTTOM

SECTION, GRAIN PARTITION (15X18), Serial Range: -CKB0030000

2шт.

20' Drill

1шт.

29

349465A2

BOTTOM

SECTION, GRAIN 8X15, Start Serial: CKB0030001

2шт.

20' Drill

1шт.

30

90793C1

TUBE

GRAIN

1шт.

30a

86536660

HOSE CLAMP,25mm - 44mm

1шт.

31

90987C1

BAR

FEED CUP SPACER FRT

1шт.

32

90988C1

BAR

FEED CUP SPACER RR

1шт.

33

1986019C1

COVER

HOLE

1шт.

34

280497

CARRIAGE BOLT,Short Sq Nk, 5/16" - 18 x 3/4", Gr 5, Full Thd

1шт.

35

80681

LOCK WASHER,5/16"

1шт.

36

9635082

NUT,5/16" - 18, Gr 5

1шт.

37

134822A1

BOTTOM

V

1шт.

39

106781A1

CLAMP,35.7mm - 41.3mm

hose, nylon 1.41-1.63" id

1шт.

40

351118A1

HYD TUBE,25.4 mm OD, 280, 41 mm Length

soybean extended row unit

1шт.

41

507586

HOSE CLAMP,20.6mm - 44.4mm, Worm Gear

1шт.

42

435437A1

CABLE TIE,3/16" x 7 1/4"

CABLE STRAP

1шт.

Выбрано товаров: 53