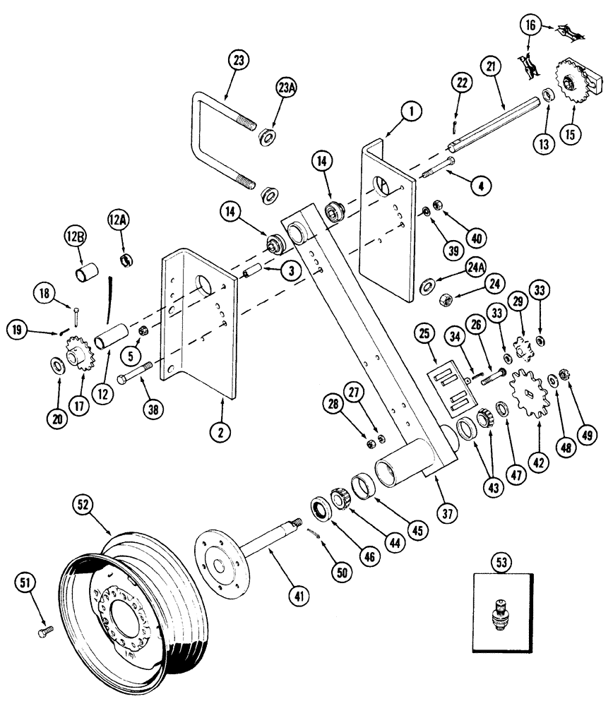
Запчасти Case IH 5400 (9-28) - WHEEL DRIVE (09) - CHASSIS

Схема запчастей Case IH 5400 - (9-28) - WHEEL DRIVE (09) - CHASSIS
48
33
51
39
24
46
50
16
24a
17
37
29
40
12b
23a
2
5
38
18
13
43
33
53
47
28
21
42
41
26
34
15
22
27
20
44
49
52
12
1
45
19
12a
3
14
25
23
14
4
FIT
1:1
100%

Артикул

Название

Примечание

Количество

1

1279885C1

SUPPORT

DRIVE WHEEL MOUNT LH, Serial Range: -JAG0851267

1шт.

No longer available, order 1279885C2 and 2-190739A1

1шт.

1

1279885C2

SUPPORT

guage wheel LH

2шт.

2

1279886C1

SUPPORT

DRIVE WHEEL MOUNT RH, Serial Range: -JAG0851267

1шт.

No longer available, order 1279885C2 and 2-190739A1

1шт.

2

1279886C2

SUPPORT

guage wheel RH

2шт.

3

23885K

SPACER,3/4" Tube x 2 1/16"

4шт.

4

86505992

BOLT,Hex, 1/2" - 13 x 3 3/4", Gr 5

4шт.

5

86512371

SERRATED NUT,Flg, USR, 1/2"-13

4шт.

12

1279890C1

SPACER

27.06mm ID x 33.4mm OD x 68mm long

1шт.

12a

90794C2

SPACER

double sprocket 1 1/16" id x 1 1/14" od x 1.61" long

1шт.

12b

571823R1

SPACER,1 1/4" Tube x 1"

1шт.

13

1277812C3

SPACER

double sprocket

1шт.

14

134181C92

BALL BEARING,2.125" OD x 0.046"

ball, 7/8" hex bore

4шт.

15

REF

INSTRUCTION

SPROCKET ASSY., Drive Ratchet

2шт.

16

REF

INSTRUCTION

CHAIN ASSY., Drive Wheel

2шт.

Use 55 links from roll 569089R91 and 1 connecting link 1277928C91

1шт.

17

1279903C1

SPROCKET

17 tooth

2шт.

18

86624077

HEADED PIN,6.35mm OD x 50.8mm L

2шт.

19

87394

COTTER PIN,1/8" x 1/2"

2шт.

20

87367

WASHER,1.06" ID x 2" OD x 0.13" Thk

2шт.

21

1279887C1

BAR

hex 22.2mm x 326mm

2шт.

22

87402

COTTER PIN,1/4" OD x 1-1/4" OAL

2шт.

23

493841R1

U-BOLT

us 7/8"-9 7" w 8 1/2" d 1 3/8" thread

4шт.

23a

190739A1

BUSHING

SPECIAL .906 ID

8шт.

24

9849647

NUT,7/8"-9, G5

8шт.

24a

496-21094

WASHER,23.82mm ID x 44.45mm OD x 4.85mm Thk

8шт.

25

193948A1

IDLER

wheel drive

2шт.

26

280818

CARRIAGE BOLT,Sq Nk, 1/2" - 13 x 3", Gr 5

4шт.

27

80679

LOCK WASHER,1/20.507 CST ZND

4шт.

28

280431

NUT,1/2"-13, G5

4шт.

29

819457C1

SPROCKET

6 tooth, plastic

2шт.

33

86624154

WASHER,0.66" ID x 1.12" OD x 0.05" Thk

4шт.

34

394818

COTTER PIN,M5 x 25

2шт.

37

197602A1

TUBE

W/CUPS

2шт.

38

86977740

BOLT,Hex, 5/8" - 11 x 4", Gr 5

2шт.

39

12034871

WASHER

5/8"

2шт.

40

280374

NUT,Hex, 5/8" - 11, Gr 5

2шт.

41

134117C4

SHAFT

drive wheel

2шт.

42

1277736C1

SPROCKET

drive wheel, 12 tooth

2шт.

43

602957R91

BEARING ASSY,31.75mm ID x 59.13mm OD x 16mm W

with seal, spindle inner

2шт.

43

134120C4

SPACER

2шт.

44

1264322C91

ROLLER BEARING

#2582

2шт.

45

51200379

BEARING CUP,69.9mm OD x 18.95mm W

#2523

2шт.

46

137231C1

SEAL

drive wheel shaft

2шт.

47

134120C4

SPACER

2шт.

48

86624157

WASHER,0.78" ID x 1.5" OD x 0.06" Thk

4шт.

49

425-1212

SLOTTED NUT,3/4"-10, G5

2шт.

50

80754

COTTER PIN,3/16" OD x 1-1/2" OAL

2шт.

51

277538A1

BOLT,1/2" - 20 x 1.42"

hex conical, 1/2"-20 x 1 5/32"

12шт.

52

481344R91

WHEEL

14" x 8"

2шт.

53

810769C1

VALVE

tire stem VS/936

2шт.

Выбрано товаров: 52