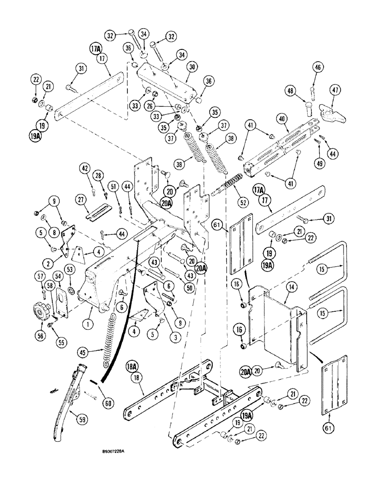
Запчасти Case IH 5400 (9-30) - ROW UNIT FRAME - WITHOUT QUICK ADJUST (09) - CHASSIS

Схема запчастей Case IH 5400 - (9-30) - ROW UNIT FRAME - WITHOUT QUICK ADJUST (09) - CHASSIS
38
3
5
19a
19
17a
34
32
40
16
18a
27
17a
6
41
22
43
61
57
20
2
36
20
48
38
5
34
8
15
22
4
44
15
19a
31
46
21
20
35
33
19
21
32
43
45
54
9
16
9
6
61
19a
17
36
26
59
35
52
42
20a
21
31
20a
56
14
21
51
17
53
19
60
22
22
44
41
49
58
33
1
30
50
47
18
20a
37
44
55
4
28
37
FIT
1:1
100%

Артикул

Название

Примечание

Количество

1

1547308C3

FRAME

row unit planter

1шт.

2

147436C94

SCRAPER

blade LH

1шт.

3

1978897C2

SCRAPER

blade RH

1шт.

4

436705A1

BLADE

scraper

1шт.

5

147274C1

RIVET,4.78mm OD x 10mm L

fh 3/16" x 3/8" special

2шт.

6

111-260

CARRIAGE BOLT,Short NK, 5/16"-18 x 3/4", G2

4шт.

6

280622

CARRIAGE BOLT,Sq Nk, 5/16" - 18 x 2 1/2", Gr 5

1шт.

8

28588R1

WASHER

.344 X .688 X .05 PLN

1шт.

9

280736

NUT,5/16"-18, GC

1шт.

9

145458

SERRATED NUT,5/16"-18 GR 5 ZND

4шт.

14

141728C3

CHANNEL

head bracket

1шт.

15

1250813C1

U-BOLT

us 5/8"-11 x 7" x 8 1/4", G5, 2" thread

2шт.

16

280374

NUT,Hex, 5/8" - 11, Gr 5

4шт.

17

436740A1

BAR

link, regular upper

2шт.

17a

436743A1

LINK

extension, upper bar

2шт.

18

436741A1

SUPPORT

linkage lower regular (The distance from mount hole to back of crosstube is 72 mm)

1шт.

18a

123145A2

SUPPORT

lower link

1шт.

19

137512C3

BUSHING,13.5mm ID x 22.23mm OD x 13.5mm L

link pivot

8шт.

19a

1254302C1

BUSHING,13.5mm ID x 22.2mm OD x 16.7mm L

link pivot

8шт.

20

280420

CARRIAGE BOLT,Sq Nk, 1/2" - 13 x 1 1/2", Gr 5, Full Thd

8шт.

20a

88530

CARRIAGE BOLT,Sq Nk, 1/2" - 13 x 1 3/4", Gr 5

8шт.

21

87364

WASHER,0.53" ID x 1.06" OD x 0.1" Thk

8шт.

22

86992215

LOCK NUT,1/2"-13, GC

8шт.

26

247780

SERRATED NUT,Flg, USR, 3/8"-16

2шт.

27

147326C2

GAUGE

depth, Years: -21-MAY-01

1шт.

27

413706A1

GAUGE

depth, Start Year: 22-MAY-01

1шт.

28

261-1458

SELF-TAP SCREW,Cross Pan Hd, #10 x 1/2"

2шт.

30

141729C1

CHANNEL

SPRING MTD

1шт.

31

88044

BOLT,Hex, 3/8" - 16 x 1-1/2", Gr 5

2шт.

32

149439C1

SPECIAL BOLT,Spcl, Hex, 1/2" - 13 x 4.25", Gr 5

HEX HD.

2шт.

33

495-81136

WASHER,10.31mm ID x 25.4mm OD x 3.81mm Thk

2шт.

34

86624188

WASHER,0.53" ID x 1.06" OD x 0.13" Thk

2шт.

35

280431

NUT,1/2"-13, G5

2шт.

36

141730C1

SPACER,10.34mm ID x 19.05mm OD x 7mm L

SPRING MTD

2шт.

37

436747A1

PLUG

spring 1/2"-13

2шт.

38

436748A1

SPRING

E .244" wire x 1.5" od x 6.64" long

2шт.

40

147276C5

BAR

tension

1шт.

41

147483C1

PLUG

HOLE

4шт.

42

1277597C1

STUD

barbed #12 x 3/4" RH

1шт.

43

86624072

HEADED PIN,12.7mm OD x 69.85mm L

2шт.

44

394818

COTTER PIN,M5 x 25

3шт.

45

436715A1

SPRING

E .244" wire x 1.48" od x 9.8" long

1шт.

46

86624070

HEADED PIN,12.7mm OD x 38.1mm L

1шт.

47

436712A1

BRACKET

wobble

1шт.

48

86624066

CLEVIS PIN,19.05mm OD x 45.62mm L

1шт.

49

86523851

COTTER PIN,5/32" x 1 1/4"

1шт.

50

147310C1

HEADED PIN,6.35mm OD x 69.85mm L

pointed, 1/4" x 2 3/4"

1шт.

51

86624096

COTTER PIN,Int, 3/16 x .080"

1шт.

52

1279684C1

ROD

depth adjusting

1шт.

53

86624189

WASHER,0.66" ID x 1.31" OD x 0.15" Thk

1шт.

54

436714A1

STRAP

detent

1шт.

55

87036181

SELF-TAP SCREW,Hex Wash Hd, #10 x 1/2"

2шт.

56

1279740C91

KNOB

detent, depth adjusting

1шт.

57

86624076

HEADED PIN,1/4" x 1 1/4", G5

1шт.

58

80756

COTTER PIN,1/8" x 3/4"

1шт.

59

1986373C1

TUBE

assembly, air diffuser

1шт.

60

87524

LOCK PIN,6.35mm OD x 34.92mm L, Slotted

1шт.

61

130033A2

EXTENSION

HEAD BRACKET

1шт.

Выбрано товаров: 58