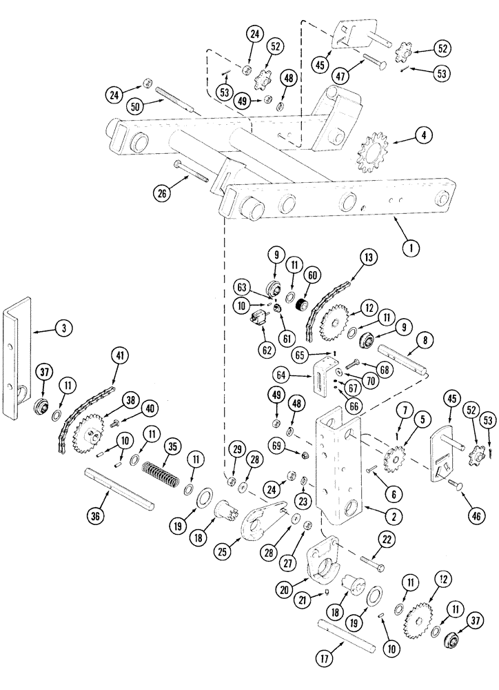
Запчасти Case IH 5500 (9-22) - MAIN DRIVE AND ACREAGE COUNTER (BSN JAG0880757) (09) - CHASSIS

Схема запчастей Case IH 5500 - (9-22) - MAIN DRIVE AND ACREAGE COUNTER (BSN JAG0880757) (09) - CHASSIS
20
23
28
2
10
29
12
45
24
10
40
38
47
11
25
37
49
50
11
11
18
45
13
63
19
53
9
24
7
37
5
28
19
70
68
53
3
52
11
67
53
52
8
11
26
60
11
64
65
17
61
24
1
62
12
18
10
11
52
4
21
66
6
41
27
35
48
46
48
22
36
49
69
9
FIT
1:1
100%

Артикул

Название

Примечание

Количество

1

97659C3

FRAME

drive wheel

2шт.

2

97669C1

SUPPORT

ASSY, RH DRIVE WHEEL & CLUTCH, No Longer Available, Order: 297930A1 Support Below

2шт.

2

297930A1

SUPPORT

drive wheel and clutch

2шт.

3

97674C1

SUPPORT

ASSY, LH DRIVE WHEEL & CYL MTG, No Longer Available, Order: 297938A1 Support Below

2шт.

3

297938A1

SUPPORT

drive wheel

2шт.

4

100040C1

DRIVEN SPROCKET

30 tooth 6.32" od

2шт.

5

1995654C1

SPROCKET

assembly, 15 tooth

2шт.

6

86624077

HEADED PIN,6.35mm OD x 50.8mm L

2шт.

7

87394

COTTER PIN,1/8" x 1/2"

2шт.

8

97897C1

SHAFT

hex 7/8" x 7 5/8" long

2шт.

9

134181C92

BALL BEARING,2.125" OD x 0.046"

ball, 7/8" hex bore

2шт.

10

86624087

PIN,1/4" x 1 3/4", Coiled

9шт.

11

86624172

WASHER,1.03" ID x 1.75" OD x 0.12" Thk

16шт.

11

86624171

WASHER,1.03" ID x 1.75" OD x 0.06" Thk

1шт.

12

1277743C1

DRIVING SPROCKET

23 tooth

4шт.

13

REF

INSTRUCTION

CHAIN ASSY., (For Service Use 37 Links From Roll 569089R91 Plus 1 Connecting Link 1277928C91)

1шт.

17

97894C1

SHAFT

hex 7/8" x 9 1/8" long

2шт.

18

1264313C1

CLUTCH

drive LH

4шт.

19

1267994C2

THRUST WASHER,42.06mm ID x 57.15mm OD x 2.7mm Thk

clutch

4шт.

20

90345C3

BRACKET

rail pivot

2шт.

21

87414

LUBE NIPPLE,1/4" - 28

2шт.

22

86505999

BOLT,Hex, 5/8" - 11 x 2", Gr 5

4шт.

23

12034871

WASHER

5/8"

4шт.

24

280374

NUT,Hex, 5/8" - 11, Gr 5

8шт.

25

87502661

PLATE

clutch throw out

2шт.

26

426-864

BOLT,Hex, 1/2" - 13 x 4", Gr 8

2шт.

27

86992215

LOCK NUT,1/2"-13, GC

2шт.

28

87364

WASHER,0.53" ID x 1.06" OD x 0.1" Thk

4шт.

29

86632558

JAM NUT,Jam, 1/2"-13, G5

2шт.

35

1264302C1

SPRING

clutch .148 wire x 1 3/8" od x 4.9" long closed and ground

2шт.

36

97893C1

SHAFT

hex 7/8" x 11 1/4" long

2шт.

37

134181C92

BALL BEARING,2.125" OD x 0.046"

ball, 7/8" hex bore

4шт.

38

1960291C1

SPROCKET

24 tooth

2шт.

40

86624113

SET SCREW,Sq Hd, 1/2" - 13 x 3/4"

4шт.

41

REF

INSTRUCTION

CHAIN, (For Service Use 73 Links From Roll 569089R91, 1 Connecting Link 1277928C91, and 1 Offset Link 456929R91)

1шт.

45

1973134C1

PLATE

Idler Mount

4шт.

46

88530

CARRIAGE BOLT,Sq Nk, 1/2" - 13 x 1 3/4", Gr 5

4шт.

47

280818

CARRIAGE BOLT,Sq Nk, 1/2" - 13 x 3", Gr 5

4шт.

48

80679

LOCK WASHER,1/20.507 CST ZND

8шт.

49

280431

NUT,1/2"-13, G5

8шт.

50

1960308C1

STUD

5/8"-11 x 6 1/8"

2шт.

52

819457C1

SPROCKET

6 tooth, plastic

4шт.

53

394818

COTTER PIN,M5 x 25

4шт.

60

95706C1

GEAR

ACREAGE COUNTER WORM

1шт.

61

1337042C1

GEAR

ACREAGE COUNTER

1шт.

62

1995607C1

COUNTER

ACREAGE

1шт.

63

483-1084

SET SCREW,Hex Soc, #8-32 x 1/4"

1шт.

64

95725C2

BRACKET

ACREAGE COUNTER

1шт.

65

373-1058

SCREW,Sl Flat Hd, #5 - 40 x 1/2"

4шт.

66

225-14105

NUT,#5-40

4шт.

67

492-11005

LOCK WASHER,#5

4шт.

68

9707516

BOLT,1/2"-13 x 1-3/4", Cl 5

2шт.

69

86512371

SERRATED NUT,Flg, USR, 1/2"-13

2шт.

70

87364

WASHER,0.53" ID x 1.06" OD x 0.1" Thk

2шт.

Выбрано товаров: 54