Запчасти Case IH 620 (A-43) - PRESS WHEEL GANG REAR SUSPENSION, 14 X 6, 16 X 6 AND 14 X 7

Схема запчастей Case IH 620 - (A-43) - PRESS WHEEL GANG REAR SUSPENSION, 14 X 6, 16 X 6 AND 14 X 7
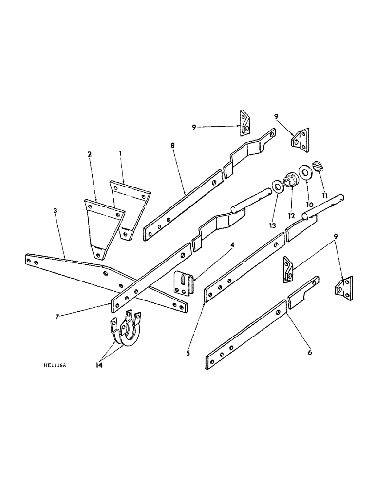
14
9
8
12
6
1
13
9
5
2
11
10
3
9
4
7
FIT
1:1
100%

Артикул

Название

Примечание

Количество

1

816173C1

SUPPORT

evener bar inner

2шт.

2

816174C1

SUPPORT

evener bar outer

2шт.

180177

BOLT,Hex, 1/2" - 13 x 1 1/2", Gr 5

1/2-13 x 1-1/2 hex-hd

4шт.

120378

NUT,Hex, 1/2" - 13, Gr 5

NUT, 1/2"-13, G5

4шт.

120384

WASHER,1/2"

LOCK, 1/2"

4шт.

3

816175C1

BAR

evener, 14 x 6

2шт.

3

816176C1

BAR

evener, 16 x 6

2шт.

3

816601C1

BAR

evener, 14 x 7

2шт.

PO28401

HEADED PIN,3/4" x 2 1/16"

PIN, 3/4 x 2-1/16 std-hd-dld

2шт.

432-1620

COTTER PIN,1/4" x 1 1/4"

Pin, Split (Cotter), 1/4" x 1 1/4"

2шт.

467750R1

WASHER

.781 x 1.500 x .105

1шт.

4

816616C1

CLEVIS

drawbar

4шт.

180179

BOLT,Hex, 1/2" - 13 x 1 3/4", Gr 5

1/2-13 x 1-3/4 hex-hd

8шт.

120378

NUT,Hex, 1/2" - 13, Gr 5

NUT, 1/2"-13, G5

8шт.

120384

WASHER,1/2"

LOCK, 1/2"

8шт.

3102

HEADED PIN,5/8" x 3 1/2"

PIN, 5/8 x 3-1/2 std-hd-dld

4шт.

432-1216

COTTER PIN,3/16" x 1"

Pin, Split (Cotter), 3/16" x 1"

4шт.

21782R1

WASHER

.650 x 1.500 x .054

1шт.

5

816568C2

DRAWBAR, press wheel, 3 used 14 x 6, 4 used 16 x 6 & 14 x 7, machines built prior to April 1975

1шт.

6

816225C1

DRAWBAR, press wheel, 3 used 14 x 6, 4 used 16 x 6 & 14 x 7, machines built April 1975 & since

1шт.

7

816614C1

DRAWBAR, press wheel, 14 x 6, machines built prior to April 1975

1шт.

617978R1

PIN,3/8" x 2 1/2", Coiled

1шт.

8

819226C2

BAR

DRAWBAR, press wheel, 14 x 6, machines built April 1975 & since

1шт.

H2808

HEADED PIN,5/8" x 2"

PIN, 5/8 x 2 std-hd-dld

4шт.

103409

PIN, SPLIT (COTTER),3/16" x 1 1/2"

4шт.

464623R1

WASHER

.656 x 1.500 x .105

4шт.

9

819141C1

ANGLE

gang drawbar support, machines built April 1975 & since

8шт.

180173

BOLT,Hex, 1/2" - 13 x 1", Gr 5

16шт.

120378

NUT,Hex, 1/2" - 13, Gr 5

NUT, 1/2"-13, G5

16шт.

120384

WASHER,1/2"

LOCK, 1/2"

16шт.

10

617511R1

SPRING WASHER

outside rubber bushing, mahcines built prior to April 1975

4шт.

11

385159R91

PIN

drawbar klik, machines built prior to April 1975

4шт.

12

816187C1

BUSHING

drawbar, machines built prior to April 1975

4шт.

13

20802R1

WASHER

inside rubber bushing, machines built prior to April 1975

4шт.

14

603961R1

HANGER

gang drawbar, machines built prior to April 1975

8шт.

180149

LOCK SCREW,Hex, 7/16" - 14 x 1 1/2", Gr 5

BOLT, 7/16-14 x 1-1/2 hex-hd

8шт.

NLS

NO LONGER SERVICED

NUT, 7/16-14 hex.

8шт.

120383

LOCK WASHER,Helical Spring, 7/16"

WASHER, LOCK, 7/16"

8шт.

Выбрано товаров: 38