Запчасти Case IH 6200 (9-120) - GRAIN DRIVE (09) - CHASSIS/ATTACHMENTS

Схема запчастей Case IH 6200 - (9-120) - GRAIN DRIVE (09) - CHASSIS/ATTACHMENTS
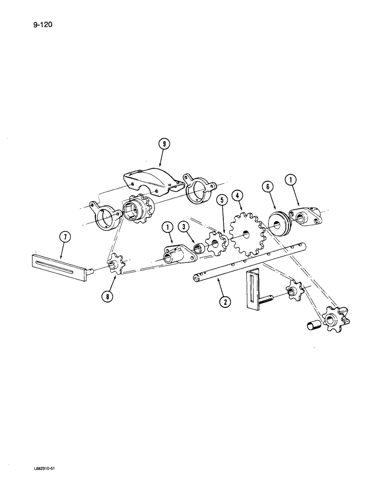
8
3
4
1
5
7
1
2
6
9
FIT
1:1
100%

Артикул

Название

Примечание

Количество

1

603121R1

HUB CAP

BEARING - grain drive countershaft

2шт.

113-207

BOLT,Hex, 3/8" - 16 x 1", Gr 5

4шт.

120382

LOCK WASHER,Helical Spring, 3/8"

WASHER, LOCK, 3/8"

4шт.

120377

NUT,3/8" - 16, Gr 5

4шт.

2

816034C2

SHAFT

- grain drive counter

1шт.

609836R1

WASHER

- flat, 1-1/32 x 1-3/4 x 3/64 inch

1шт.

3

M73125

SPACER,1" Pipe x 3/8"

- sprocket

1шт.

4

816035C1

SPROCKET ASSY.

SPROCKET - grain countershaft driven 14 tooth

1шт.

Q1331

HEADED PIN,3/8" x 2"

PIN - headed, 3/8 x 2 inch

1шт.

132-310

COTTER PIN,1/8" x 1"

PIN, SPLIT (COTTER), 1/8" x 1"

1шт.

5

816035C1

SPROCKET ASSY.

SPROCKET - grain countershaft driver 14 tooth (fast speed)

1шт.

5

816273C1

SPROCKET ASSY.

SPROCKET - grain countershaft driver 7 tooth (regular speed)

1шт.

5

816273C1

SPROCKET ASSY.

SPROCKET - grain drive 7 tooth (slow speed)

1шт.

Q1331

HEADED PIN,3/8" x 2"

PIN - headed, 3/8 x 2 inch

1шт.

132-310

COTTER PIN,1/8" x 1"

PIN, SPLIT (COTTER), 1/8" x 1"

1шт.

6

818050C1

GEAR

- acreage counter worm

1шт.

24709R1

HEADED PIN,3/8" x 1 3/4"

PIN, HEADED, 3/8" x 1 3/4"

1шт.

132-310

COTTER PIN,1/8" x 1"

PIN, SPLIT (COTTER), 1/8" x 1"

1шт.

7

816040C2

BRACKET

- grain drive tightener

1шт.

21782R1

WASHER

- flat, 21/32 x 1-1/2 x 3/64 inch

1шт.

132-344

COTTER PIN,3/16" x 1"

PIN, SPLIT (COTTER), 3/16" x 1"

1шт.

495967R1

CARRIAGE BOLT,Short NK, 3/8"-16 x 1", G5, Full Thd

BOLT - round head square neck, 3/8 NC x 1 inch

2шт.

120382

LOCK WASHER,Helical Spring, 3/8"

WASHER, LOCK, 3/8"

2шт.

619856R1

WASHER

- flat, 13/32 x 1 x 1/16 inch

2шт.

120377

NUT,3/8" - 16, Gr 5

2шт.

8

819457C1

SPROCKET

- chain tightener 6 tooth

1шт.

9

817459C1

CAP

- grain feedshaft drive sprocket

1шт.

180077

BOLT,Hex, 5/16" - 18 x 3/4", Gr 5

- hex, 5/16 NC x 3/4 inch

4шт.

80681

LOCK WASHER,5/16"

WASHER, LOCK, 5/16"

4шт.

120376

NUT,5/16"-18, G5

4шт.

132-56

COTTER PIN,Ext Prong Sq Cut, 1/8" x 2"

Pin, Split (Cotter), 1/8" x 2"

1шт.

Выбрано товаров: 31