Запчасти Case IH 6300 (4-04) - PLANTING MONITOR, SEED FLOW II (04) - ELECTRICAL SYSTEMS

Схема запчастей Case IH 6300 - (4-04) - PLANTING MONITOR, SEED FLOW II (04) - ELECTRICAL SYSTEMS
7
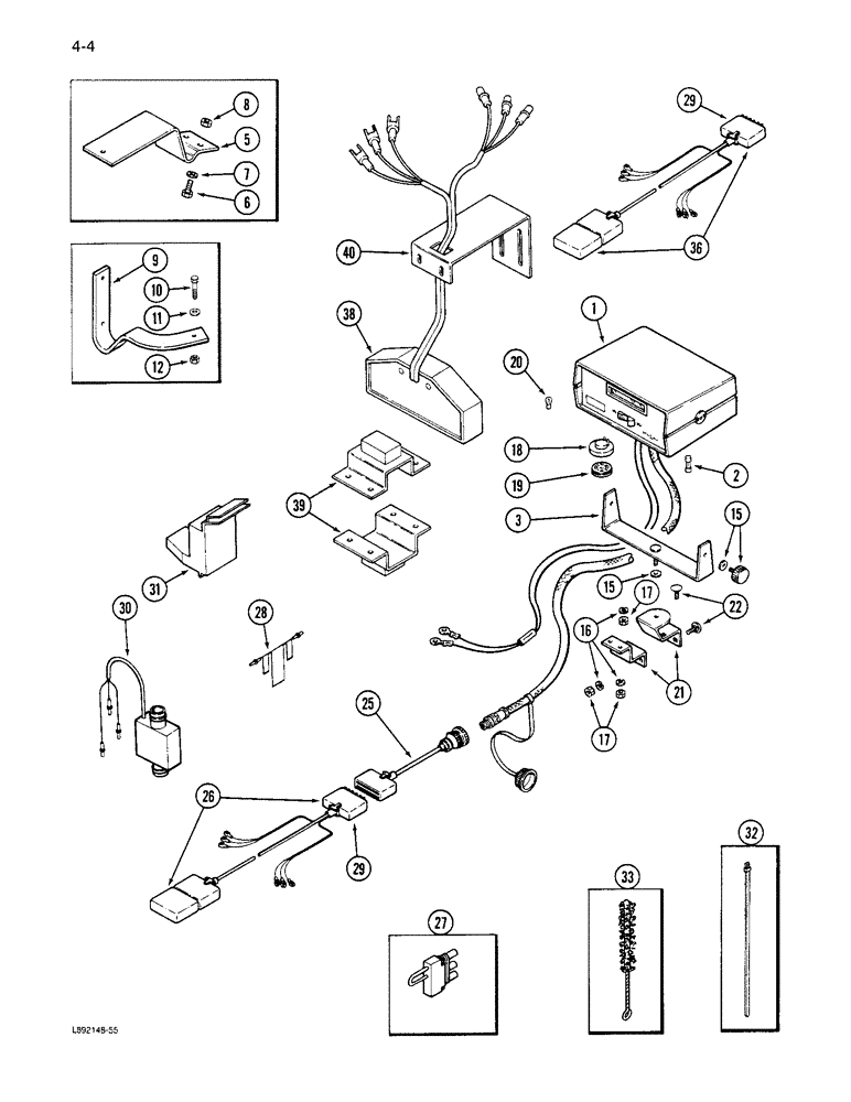
2
8
1
33
11
3
39
38
12
32
19
31
28
26
25
21
20
17
15
36
6
17
15
27
16
9
18
22
5
30
10
29
40
29
FIT
1:1
100%

Артикул

Название

Примечание

Количество

1

245821C91

CONSOLE

MONITOR - Seed Flow II

1шт.

1

126420A1R

REMAN-ELECT MONITOR

Reman Monitor Remanufactured Instrument Cluster

1шт.

1

126420A1C

CORE-MONITOR

Return Number, Monitor

1шт.

2

223-38

FUSE,3 Amp, Type 3AG

FUSE - 3 ampere

1шт.

3

1261523C91

BRACKET

BRACKET - console mounting

1шт.

5

90905C2

BRACKET, SUPPORTING

BRACKET - mounting (J I Case Tractor)

1шт.

6

113-103

BOLT,Hex, 5/16" - 18 x 1", Gr 5

BOLT, Hex, 5/16"-18 x 1", G5, Full Thd

2шт.

7

28588R1

WASHER

WASHER - flat, 11/32 x 11/16 x 3/64 inch

2шт.

8

425-105

NUT,5/16"-18, G5

NUT - hex, 5/16 inch NC

2шт.

9

1960456C1

BRACKET

BRACKET - mounting (7100 Series Tractors)

1шт.

10

113-46

BOLT,Hex, 1/4" - 20 x 2-3/4", Gr 5

BOLT - hex, 1/4 NC x 2-3/4 inch

2шт.

11

495-21031

WASHER,1/4"

WASHER - flat, 5/16 x 47/64 x 1/16 inch

2шт.

12

26110R1

LOCK NUT,1/4"-20, GC

NUT - hex lock, 1/4 inch NC

2шт.

15

1261524C91

REPAIR KIT

KNOB KIT - (Includes 2 knobs and 3 washers)

1шт.

16

392-11031

LOCK WASHER,5/16"

5/16"

1шт.

17

325-105

NUT,5/16"-18, G5

NUT - hex, 5/16 inch NC

1шт.

18

1261548C1

ALARM

ALARM - monitor

1шт.

19

1261549C1

DAMPER

DAMPER - alarm

1шт.

20

58554C1

BULB,C2F, #1892, 14V

BULB - light, No. 1892

1шт.

21

1261522C91

BRACKET, SUPPORTING

BRACKET SET - mounting (For IH 50 series tractors)

1шт.

22

434-512

CARRIAGE BOLT,Sht Sq Nk, 5/16" - 18 x 3/4", Gr 5

BOLT - round head square neck, 5/16 NC x 3/4 inch

4шт.

25

90925C1

CABLE

HARNESS - monitor adapter

1шт.

26

819974C91

HARNESS

HARNESS - monitor, 12 contact plug

1шт.

26

819975C91

HARNESS

HARNESS - monitor, 10 contact plug

1шт.

27

245617C1

CONNECTOR,ELECTRIC

CABLE - shortening

2шт.

28

58557C1

ELECTRICAL WIRE

WIRE WIRE - shortening

1шт.

29

128813C1

CONNECTOR,ELECTRIC

CONNECTOR - male connection plug

1шт.

30

819971C91

SENSOR

SENSOR - seed

1шт.

31

841109C1

SHIELD

SHIELD - light

1шт.

32

22-824

CABLE TIE,3/16" x 7 1/4"

CABLE STRAP STRAP - retaining, 7 inch long

7шт.

32

306132C1

CABLE TIE,14.5" L

CABLE STRAP STRAP - retaining, 14 inch long

2шт.

33

128817C1

BRUSH, COMMUTATOR

BRUSH BRUSH - sensor cleaning

1шт.

36

819977C91

HARNESS

HARNESS - fourth drill wiring

1шт.

819972C91

SENSOR

KIT - granular shaft sensor

1шт.

38

818367C91

SENSOR

SENSOR ASSEMBLY - shaft rotation

1шт.

306132C1

CABLE TIE,14.5" L

CABLE STRAP STRAP - retaining, 14 inch long

4шт.

261-1448

SELF-TAP SCREW,Hex Hd, #8 x 1/2"

SCREW - pan head cross recess, No. 8 x 1/2 inch

2шт.

492-11008

LOCK WASHER,#8

Washer, Lock, #8

2шт.

39

818368C91

MAGNET

MAGNET ASSEMBLY - feed shaft

1шт.

86982776

SCREW,Rd, #4 - 40 x 5/16"

SCREW - round head slotted, No 4 x 5/16 inch

2шт.

492-11004

LOCK WASHER,#4

Washer, Lock, #4

2шт.

225-14104

NUT,#4-40

NUT, #4-40

2шт.

40

818369C91

BRACKET

BRACKET ASSEMBLY - sensor feed shaft

1шт.

463-1086

SCREW,Hex Hd, #8-32 x 3/8"

SCREW - hex machine, No. 8 x 3/8 inch

2шт.

495-21019

WASHER,#8

WASHER, #8

2шт.

492-11008

LOCK WASHER,#8

Washer, Lock, #8

2шт.

225-14108

NUT,#8-32

NUT - machine screw, No. 8

2шт.

126420A1R

REMAN-ELECT MONITOR

Reman Monitor Remanufactured Instrument Cluster

2шт.

126420A1C

CORE-MONITOR

Return Number

2шт.

Выбрано товаров: 49