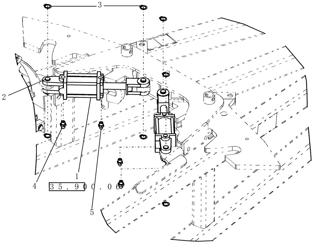
Запчасти Case IH 700 (35.900.10) - CYLINDER, FRONT LATCH (35) - HYDRAULIC SYSTEMS

Схема запчастей Case IH 700 - (35.900.10) - CYLINDER, FRONT LATCH (35) - HYDRAULIC SYSTEMS
35.900.06
3
1
5
2
4
FIT
1:1
100%

Артикул

Название

Примечание

Количество

1

87419786

HYDRAULIC CYLINDER,Double Acting, 31.75mm Rod, 101.6mm Stroke

3" x 4" 3000 psi no pins

2шт.

Refer to 35.900.06

1шт.

2

3326

PIN

cylinder 1" x 2 7/8" ul hardened with snap rings

4шт.

3

87019495

SNAP RING,#98, Ext

8шт.

4

128818

UNION,3/4" - 16 ORB x 3/4" - 16 JIC

2шт.

5

128817

HYD CONNECTOR,3/4" - 16 ORB x 9/16" - 18 JIC

2шт.

Выбрано товаров: 6