Запчасти Case IH 700 (55.404.01) - LIGHTING, INNER AND OUTER SECTION (55) - ELECTRICAL SYSTEMS

Схема запчастей Case IH 700 - (55.404.01) - LIGHTING, INNER AND OUTER SECTION (55) - ELECTRICAL SYSTEMS
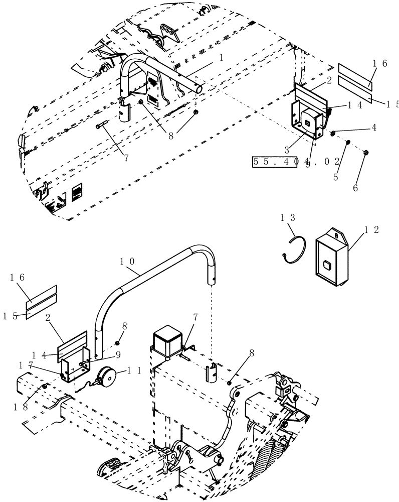
15
8
12
5
6
17
16
7
10
14
1
2
18
16
3
15
14
55.404.02
9
8
11
9
8
2
7
4
13
FIT
1:1
100%

Артикул

Название

Примечание

Количество

1

87505359

ARM

transport lighting inner

1шт.

2

NW-589

BRACKET

amber light / decal mount

1шт.

3

87564157

WARNING LIGHT

assembly amber

1шт.

Refer to 55.404.02

1шт.

4

87364

WASHER,0.53" ID x 1.06" OD x 0.1" Thk

1шт.

5

80679

LOCK WASHER,1/20.507 CST ZND

1шт.

6

280963

NUT,Nut, 1/2-20 GR 5 ZND

1шт.

7

88604

BOLT,Hex, 7/16" - 14 x 2 1/2", Gr 5

1шт.

8

280980

NUT,7/16"-14, GC

2шт.

9

9706729

BOLT,Hex, 7/16" - 14 x 1", Gr 5, Full Thd

1шт.

10

87505361

ARM

transport lighting outer

1шт.

11

51200040

LIGHT

assy. stop tail/signal red

1шт.

Includes 225124C1, 225120C1, 245485C1, 225125C1, 225119C1, 412906A1, 6815,and 86537133

1шт.

12

86561136

MODULE

implement lighting control

1шт.

13

425288A1

CLAMP

cable - 3/4" id

1шт.

14

22903

DECAL

retroreflective amber 2" x 9"

2шт.

15

22902

DECAL

retroreflective red 2" x 9"

2шт.

16

51200094

DECAL

fluorescent red orange

2шт.

17

80679

LOCK WASHER,1/20.507 CST ZND

1шт.

18

280431

NUT,1/2"-13, G5

1шт.

19

86537133

BULB,C6, #1157, 12.8V

1шт.

19

84129422

BULB

Double Contact, 1156DC

1шт.

Not Shown

1шт.

19

529068

BULB,#1156, 12V, 21W

1шт.

Single contact

1шт.

Not Shown

1шт.

Выбрано товаров: 26