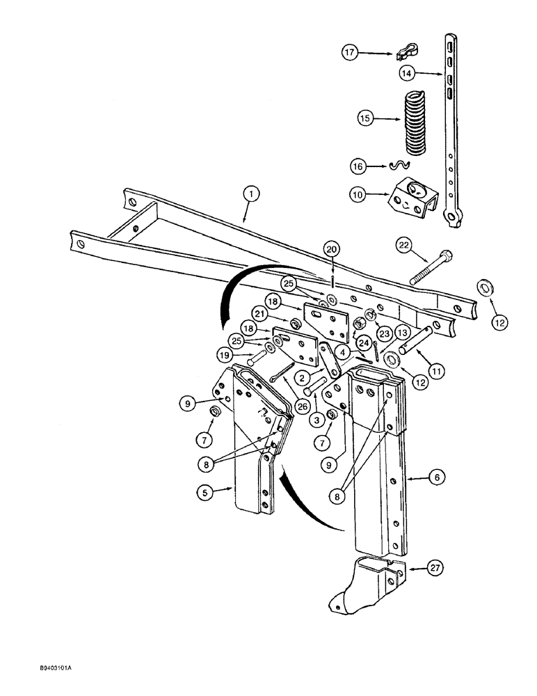
Запчасти Case IH 7100 (9-130) - FURROW OPENER, SHEAR TRIP (09) - CHASSIS/ATTACHMENTS

Схема запчастей Case IH 7100 - (9-130) - FURROW OPENER, SHEAR TRIP (09) - CHASSIS/ATTACHMENTS
20
9
21
15
10
7
3
22
12
8
18
7
2
16
5
25
6
26
25
12
1
24
8
11
17
18
14
19
13
27
23
4
9
FIT
1:1
100%

Артикул

Название

Примечание

Количество

1

818068C2

BAR

DRAWBAR - furrow opener

1шт.

2

602437R1

BAR

LINK - trip

1шт.

3

21889R1

HEADED PIN,3/8" x 1"

PIN - headed, 3/8 x 1 inch

1шт.

4

432-816

COTTER PIN,1/8" x 1"

1/8" x 1"

1шт.

5

818103C1

BOOT

ASSEMBLY - front furrow opener

1шт.

6

818064C91

BOOT

ASSEMBLY - rear furrow opener

1шт.

7

1976543C1

SPACER

- boot support

1шт.

8

45-516

RIVET,But Hd, 5/16" x 1"

- 5/16 x 1 inch

2шт.

9

45-518

RIVET,But Hd, 5/16" x 1 1/8"

- 5/16 x 1-1/8 inch

1шт.

10

818075C1

HOLDER

- tube

1шт.

11

818076C1

PIN

- furrow opener

1шт.

12

495-81026

WASHER,21/32" x 1 1/2" x .060"

- flat, 21/32 x 1-1/2 x 3/64 inch

1шт.

13

432-1216

COTTER PIN,3/16" x 1"

2шт.

14

817291C1

BAR

- pressure spring

1шт.

15

6639

SPRING

- pressure

1шт.

16

F6366

LOCK

- pressure spring

1шт.

17

605964R1

CLIP

- spring rod

1шт.

18

818082C2

BAR

- trip link adjusting support

2шт.

19

439-5840

HEADED PIN,1/2" x 2 1/2"

PIN - headed, 1/2 x 2-1/2 inch

1шт.

20

432-1216

COTTER PIN,3/16" x 1"

1шт.

21

610395R1

SPACER,1/2" X-Strng Pipe x 3/8"

- support bar, 1/2 x 3/8 inch

1шт.

22

413-848

BOLT,Hex, 1/2" - 13 x 3", Gr 5

- hex, 1/2 NC x 3 inch

1шт.

23

80679

LOCK WASHER,1/20.507 CST ZND

WASHER, LOCK, 1/2"

1шт.

24

425-108

NUT,1/2" - 13, Gr 5

NUT, , Hex 1/2"-13, G5

1шт.

25

495-81025

WASHER,13.49mm ID x 31.75mm OD x 4.93mm Thk

- flat, 17/32 x 1-1/4 x 5/32 inch (Use as spacer)

1шт.

26

432-1624

COTTER PIN,1/4" x 1 1/2"

Pin, Split (Cotter), 1/4" x 1-1/2"

2шт.

27

REF

INSTRUCTION

ADAPTER - point to opener, see page 9-133 for points and deflectors

1шт.

Выбрано товаров: 27