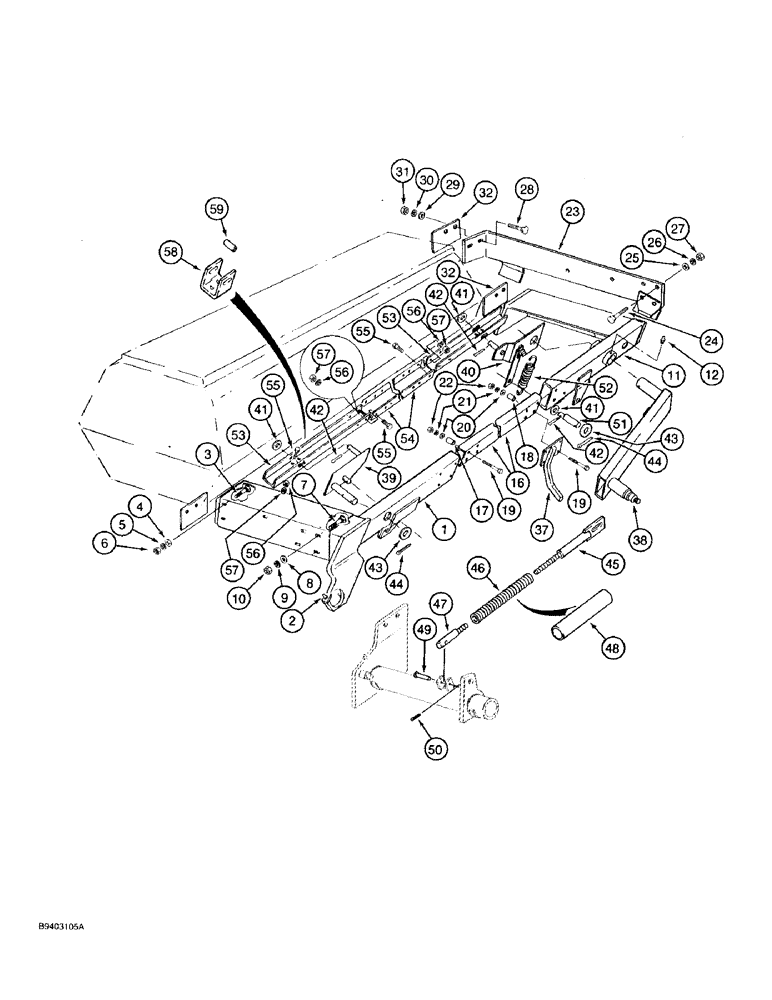
Запчасти Case IH 7100 (9-140) - FRAME AND AXLE, ENDWISE TRANSPORT, LEADING UNIT (09) - CHASSIS/ATTACHMENTS

Схема запчастей Case IH 7100 - (9-140) - FRAME AND AXLE, ENDWISE TRANSPORT, LEADING UNIT (09) - CHASSIS/ATTACHMENTS
43
22
3
40
59
19
56
4
5
42
48
44
57
44
16
10
30
38
21
23
53
8
58
50
1
37
57
45
49
57
25
46
42
28
31
43
41
42
11
18
27
56
17
29
7
12
52
2
19
55
32
56
20
6
51
53
47
55
24
55
41
39
41
54
26
32
9
FIT
1:1
100%

Артикул

Название

Примечание

Количество

1

819768C4

FRAME

- transport lead, left-hand

1шт.

2

219-86

LUBE NIPPLE,1/8" NPTF

FITTING - grease, straight, self-tap, 1/8 PT x 5/8 inch

1шт.

3

419-3828

CARRIAGE BOLT,1/2” - 13 x 1-3/4” L, Gr 5

BOLT - plow head, 1/2 NC x 1-3/4 inch

2шт.

4

495-81287

WASHER,13.49mm ID x 31.75mm OD x 3.4mm Thk

- flat, 17/32 x 1-1/4 x 7/64 inch

2шт.

5

80679

LOCK WASHER,1/20.507 CST ZND

WASHER, LOCK, 1/2"

2шт.

6

425-108

NUT,1/2" - 13, Gr 5

NUT, , Hex 1/2"-13, G5

2шт.

7

419-31036

CARRIAGE BOLT,#3, 5/8" - 11 x 2 1/4", Gr 5

BOLT - plow head, 5/8 NC x 2-1/4 inch

4шт.

8

495-81027

WASHER,21/32" x 1 1/2" x .120"

- flat, 21/32 x 1-1/2 x 7/64 inch

4шт.

9

492-11062

BEARING WASHER,5/8"

WASHER, LOCK, 5/8"

4шт.

10

425-1010

NUT,5/8"-11, G5

4шт.

11

819738C4

FRAME

- transport, lead, right-hand

1шт.

12

219-86

LUBE NIPPLE,1/8" NPTF

FITTING - grease, straight, self-tap, 1/8 PT x 5/8 inch

1шт.

13

413-1232

BOLT,Hex, 3/4" - 10 x 2", Gr 5

- hex, 3/4 NC x 2 inch (Not shown)

2шт.

14

492-11075

LOCK WASHER,3/4"

not shown 3/4"

2шт.

15

425-1012

NUT,3/4"-10, G5

(Not shown) 3/4"-10, G5

2шт.

16

819754C4

CHANNEL

- transport frame tie

1шт.

17

819964C1

SPACER

- pipe, 1/2 x 2-9/32 inch long

4шт.

18

819755C1

SPACER

- pipe, 1/2 x 2-1/32 inch long

4шт.

19

413-864

BOLT,Hex, 1/2" - 13 x 4", Gr 5

- hex, 1/2 NC x 4 inch

8шт.

20

495-81287

WASHER,13.49mm ID x 31.75mm OD x 3.4mm Thk

- flat, 17/32 x 1-1/4 x 7/64 inch

8шт.

21

80679

LOCK WASHER,1/20.507 CST ZND

WASHER, LOCK, 1/2"

8шт.

22

425-108

NUT,1/2" - 13, Gr 5

NUT, , Hex 1/2"-13, G5

8шт.

23

817742C2

SUPPORT

- transport frame, right-hand

1шт.

24

419-31036

CARRIAGE BOLT,#3, 5/8" - 11 x 2 1/4", Gr 5

BOLT - plow head, 5/8 NC x 2-1/4 inch

4шт.

25

495-81027

WASHER,21/32" x 1 1/2" x .120"

- flat, 21/32 x 1-1/2 x 7/64 inch

4шт.

26

492-11062

BEARING WASHER,5/8"

WASHER, LOCK, 5/8"

4шт.

27

425-1010

NUT,5/8"-11, G5

4шт.

28

419-3828

CARRIAGE BOLT,1/2” - 13 x 1-3/4” L, Gr 5

BOLT - plow head, 1/2 NC x 1-3/4 inch

2шт.

29

495-81287

WASHER,13.49mm ID x 31.75mm OD x 3.4mm Thk

- flat, 17/32 x 1-1/4 x 7/64 inch

2шт.

30

80679

LOCK WASHER,1/20.507 CST ZND

WASHER, LOCK, 1/2"

2шт.

31

425-108

NUT,1/2" - 13, Gr 5

NUT, , Hex 1/2"-13, G5

2шт.

32

819753C2

BAR

PLATE - frame spacer

2шт.

33

413-1240

BOLT,Hex, 3/4" - 10 x 2-1/2", Gr 5

Hex, 3/4"-10 x 2-1/2", G5 (Not shown)

2шт.

34

495-81042

WASHER,25/32" x 1 1/2" x .120"

- flat, 25/32 x 1-1/2 x 7/64 inch (Not shown)

2шт.

35

492-11075

LOCK WASHER,3/4"

not shown 3/4"

2шт.

36

425-1012

NUT,3/4"-10, G5

(Not shown) 3/4"-10, G5

2шт.

37

841022C1

SUPPORT

- transport wheel lockout, right-hand

1шт.

38

817794C92

CENTER AXLE

AXLE ASSEMBLY - transport wheel, right-hand (See Page 9-153)

1шт.

39

819810C1

LEVER

- leveling front

1шт.

40

819869C1

LEVER

- leveling, right

1шт.

41

495-81027

WASHER,21/32" x 1 1/2" x .120"

- flat, 21/32 x 1-1/2 x 7/64 inch

5шт.

42

432-1216

COTTER PIN,3/16" x 1"

5шт.

43

495-81073

WASHER,1-1/32" x 1-3/4" x .060" Thk

- flat, 1-1/32 x 1-3/4 x 1/16 inch

2шт.

44

432-1624

COTTER PIN,1/4" x 1 1/2"

Pin, Split (Cotter), 1/4" x 1-1/2"

2шт.

45

819796C1

ROD

- leveling

1шт.

46

819863C1

SPRING

- leveling rod

1шт.

47

819862C1

STUD

- leveling spring

1шт.

48

818283C1

TUBE,1.315" OD, 508 mm Length

- spring rod

1шт.

49

439-1628

HEADED PIN,3/8" x 1 3/4"

PIN - headed, 3/8 x 1-3/4 inch

1шт.

50

432-816

COTTER PIN,1/8" x 1"

1/8" x 1"

1шт.

51

819867C2

PIN

- leveling spring anchor

1шт.

52

819861C1

COIL SPRING

SPRING - leveling

1шт.

53

817767C2

CHANNEL

- leveling

2шт.

54

818272C1

CHANNEL

- connecting

1шт.

55

413-816

BOLT,Hex, 1/2" - 13 x 1", Gr 5

12шт.

56

80679

LOCK WASHER,1/20.507 CST ZND

WASHER, LOCK, 1/2"

12шт.

57

425-108

NUT,1/2" - 13, Gr 5

NUT, , Hex 1/2"-13, G5

12шт.

58

1279616C1

BRACKET

- channel lowering

2шт.

59

810737C1

SPACER

- tube, 2-3/8 inch long

2шт.

Выбрано товаров: 59