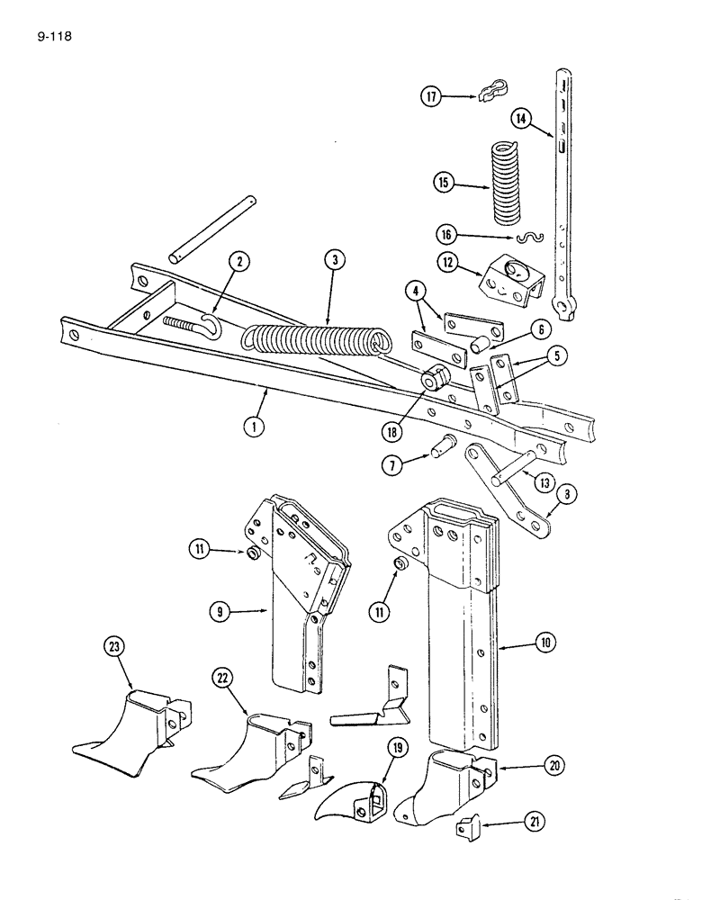
Запчасти Case IH 7200 (9-118) - SPRING TRIP FURROW OPENER (09) - CHASSIS/ATTACHMENTS

Схема запчастей Case IH 7200 - (9-118) - SPRING TRIP FURROW OPENER (09) - CHASSIS/ATTACHMENTS
18
16
11
19
9
1
17
15
20
10
7
11
3
14
12
5
23
21
4
3
22
2
6
13
FIT
1:1
100%

Артикул

Название

Примечание

Количество

1

818068C2

BAR

DRAWBAR ASSEMBLY - furrow opener

1шт.

2

818079C1

BOLT,Hook, 1/2" - 13 x 4.75"

- trip spring hook

1шт.

231-1448

NUT,1/2"-13, GB

- hex, lock, 1/2 inch NC

1шт.

495-81024

WASHER,17/32" x 1 1/4" x .060"

- flat, 17/32 x 1-1/4 x 1/16 inch

1шт.

3

PO196A

SPRING

- trip

1шт.

4

818080C1

BAR

- spring link

2шт.

5

818081C3

BAR

- trip link

2шт.

6

85490H

SPACER

- link, 5/8 x 3/4 inch, tube

1шт.

413-628

BOLT,Hex, 3/8" - 16 x 1-3/4", Gr 5

1шт.

425-106

NUT,3/8"-16, Cl 5

1шт.

492-11038

LOCK WASHER,3/8"

1шт.

7

84727H

CLEVIS PIN,1/2" x 1.141"

PIN - clevis, 1/2 x 1-5/32 inch

2шт.

432-812

COTTER PIN,3/4" OAL x 1/8" W

PIN, SPLIT (COTTER), 1/8" x 3/4"

2шт.

495-81287

WASHER,13.49mm ID x 31.75mm OD x 3.4mm Thk

- flat, 17/32 x 1-1/4 x 1/8 inch

2шт.

8

818077C2

LINK

- trip

1шт.

21889R1

HEADED PIN,3/8" x 1"

PIN - headed, 3/8 x 1 inch

1шт.

432-812

COTTER PIN,3/4" OAL x 1/8" W

PIN, SPLIT (COTTER), 1/8" x 3/4"

1шт.

9

818103C1

BOOT

ASSEMBLY - front furrow opener

1шт.

10

818064C91

BOOT

ASSEMBLY - rear furrow opener

1шт.

104099

RIVET,But Hd, 5/16" x 1"

- 5/16 x 1 inch

2шт.

11

1976543C1

SPACER

- boot support

1шт.

104100

RIVET,But Hd, 5/16" x 1 1/8"

- 5/16 x 1-1/8 inch

1шт.

12

818075C1

HOLDER

- tube

1шт.

13

818076C1

PIN

- furrow opener

1шт.

432-1216

COTTER PIN,3/16" x 1"

2шт.

495-81026

WASHER,21/32" x 1 1/2" x .060"

- flat, 21/32 x 1-1/2 x 3/64 inch

2шт.

14

817291C1

BAR

- pressure spring

1шт.

15

6639

SPRING

- pressure

1шт.

16

F6366

LOCK

- pressure spring

1шт.

17

605964R1

CLIP

- spring rod

1шт.

18

818078C3

SPACER

- drawbar

1шт.

413-848

BOLT,Hex, 1/2" - 13 x 3", Gr 5

- hex, 1/2 NC x 3 inch

1шт.

425-108

NUT,1/2" - 13, Gr 5

NUT, , Hex 1/2"-13, G5

1шт.

80679

LOCK WASHER,1/20.507 CST ZND

WASHER, LOCK, 1/2"

1шт.

19

1279757C1

POINT

- eagle beaked, with hard facing (Replaces 592809R3)

1шт.

20

818087C1

ADAPTER

- point

1шт.

443-12520

SCREW,Cross Flat Hd, 1/4"-20 x 1 1/4"

- flat head, cross recess, 1/4 NC x 1-1/4 inch

1шт.

843381C1

SQUARE NUT,Sq. 1/4"-20

- square, machine screw, 1/4 inch NC

1шт.

21

818088C1

COVER

- point

1шт.

22

818085C2

SHOVEL

- 3 inch, tumbled

1шт.

23

818083C2

SHOVEL

- 5 inch, tumbled

1шт.

413-620

BOLT,Hex, 3/8" - 16 x 1-1/4", Gr 5

- hex, 3/8 NC x 1-1/4 inch

2шт.

24764R1

LOCK NUT,3/8"-16, GB

NUT - hex lock

2шт.

Выбрано товаров: 43