Запчасти Case IH 7200 (9-120) - SPRING TRIP FURROW OPENER (09) - CHASSIS/ATTACHMENTS

Схема запчастей Case IH 7200 - (9-120) - SPRING TRIP FURROW OPENER (09) - CHASSIS/ATTACHMENTS
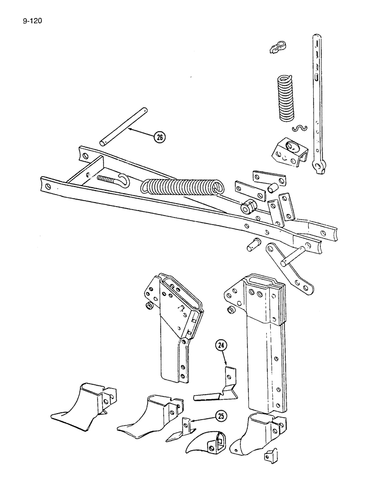
26
24
25
FIT
1:1
100%

Артикул

Название

Примечание

Количество

24

819291C1

DEFLECTOR

- grain (For use with 5 inch shovel, continued from previous page)

1шт.

25

818089C1

DEFLECTOR

- grain (For use with 3 inch shovel or hard faced eagle beaked point)

1шт.

26

817142C1

PIN

- furrow opener and gang drawbar pivot, 8-21/32 inch

2шт.

26

818440C1

PIN

- furrow opener drawbar pivot, 6-11/16 inch

1шт.

26

605441R1

PIN

- furrow opener drawbar pivot, 7-3/8 inch

19шт.

26

843124C1

PIN,15.88mm OD x 234mm L

- furrow opener and gang drawbar pivot, 9-7/32 inch

2шт.

432-1216

COTTER PIN,3/16" x 1"

(Quantity of 2 per pin) 3/16" x 1"

1шт.

Выбрано товаров: 7