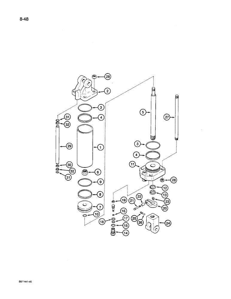
Запчасти Case IH 8600 (8-48) - MAIN FRAME DEPTH CONTROL CYLINDER, 1267177C1, 3-1/2 INCH (89MM) ID (08) - HYDRAULICS

Схема запчастей Case IH 8600 - (8-48) - MAIN FRAME DEPTH CONTROL CYLINDER, 1267177C1, 3-1/2 INCH (89MM) ID (08) - HYDRAULICS
4
23
5
29
28
32
10
6
9
26
13
15
14
18
25
32
11
21
1
3
31
20
24
12
7
30
22
28
17
31
4
19
16
3
2
27
8
FIT
1:1
100%

Артикул

Название

Примечание

Количество

1267177C1

CYLINDER ASSY.

CYLINDER - 3-1/2 inch (89 mm) x 12 inch (305 mm) stroke, main frame depth control

2шт.

1

NSS

NOT SOLD SEPARAT

TUBE - cylinder

1шт.

The cylinder assembly part number is stamped on the cylinder tube

1шт.

2

145354C1

HEAD

CAP - end cylinder

1шт.

3

NSS

NOT SOLD SEPARAT

O-RING - end cap and gland

2шт.

Part of seal repair kit 93351C1

1шт.

4

NSS

NOT SOLD SEPARAT

RING - backup, end cap and gland

2шт.

Part of seal repair kit 93351C1

1шт.

5

93311C1

ROD

- piston

1шт.

6

20268R1

LOCK NUT,7/8"-14, GC

NUT - hex, self-locking, 7/8 inch - 14 NF, plated

1шт.

7

145422C2

PISTON

- cylinder

1шт.

8

NSS

NOT SOLD SEPARAT

SEAL - piston

1шт.

Part of seal repair kit 93351C1

1шт.

9

NSS

NOT SOLD SEPARAT

O-RING - piston, large

1шт.

Part of seal repair kit 93351C1

1шт.

10

NSS

NOT SOLD SEPARAT

O-RING - piston, small

1шт.

Part of seal repair kit 93351C1

1шт.

11

1255096C1

END

GLAND - cylinder

1шт.

12

NSS

NOT SOLD SEPARAT

SEAL - U-cup, piston rod

1шт.

Part of seal repair kit 93351C1

1шт.

13

NSS

NOT SOLD SEPARAT

WIPER - piston rod

1шт.

Part of seal repair kit 93351C1

1шт.

14

1260968C91

VALVE

- gland

1шт.

15

NSS

NOT SOLD SEPARAT

O-RING - valve, large

1шт.

Part of valve and cylinder return kit 1272597C91

1шт.

16

NSS

NOT SOLD SEPARAT

O-RING - valve stem, small

1шт.

Part of valve and cylinder return kit 1272597C91

1шт.

17

NSS

NOT SOLD SEPARAT

O-RING - valve, port end

1шт.

Part of valve and cylinder return kit 1272597C91

1шт.

18

NSS

NOT SOLD SEPARAT

RING - backup, valve

1шт.

Part of valve and cylinder return kit 1272597C91

1шт.

19

NSS

NOT SOLD SEPARAT

WASHER - valve

1шт.

Part of valve and cylinder return kit 1272597C91

1шт.

20

1954121C1

TRIP

STOP - depth

1шт.

21

113-111

BOLT,Hex, 5/16" - 18 x 2-1/2", Gr 5

1шт.

22

618631R1

SPACER

- stop

1шт.

23

1266705C1

SQUARE NUT

- square, 5/16 inch - 18 NC

1шт.

24

1282366C1

RAM FORK

CLEVIS - piston rod

1шт.

25

180121

BOLT,Hex, 3/8" - 16 x 7/8", Gr 5

SCREW - set, hex socket headless, 3/8 inch - 16 NC x 7/8 inch

1шт.

26

145453C1

PLUG,Lock, 7.938mm Dia x 3.175mm Thk, Nylon

PAD - clevis, nylon

1шт.

27

93309C1

ROD

- tie, cylinder

4шт.

28

129-107

NUT,5/8"-11, G5

8шт.

29

93310C1

TUBE,19.05 mm OD x 380.009 mm L

- cylinder return

1шт.

30

NSS

NOT SOLD SEPARAT

WASHER - lock, cylinder return tube

1шт.

Part of valve and cylinder return kit 1272597C91

1шт.

31

NSS

NOT SOLD SEPARAT

O-RING - cylinder return tube

2шт.

Part of valve and cylinder return kit 1272597C91

1шт.

32

NSS

NOT SOLD SEPARAT

RING - backup, cylinder return tube

2шт.

Part of valve and cylinder return kit 1272597C91

1шт.

93351C1

SEAL KIT

seal repair, Includes Ref. 3, 4, 8, 9, 10, 12 and 13

1шт.

1272597C91

KIT

valve and cylinder return tube O-rings and seals, Includes Ref. 15 to 19 and, Serial Range: 30-32

1шт.

361006R12

VALVE

Located between ref. 16 and 19 on art, no ref. nbr shown

1шт.

Выбрано товаров: 52