Запчасти Case IH 8600 (9-086) - AIR SYSTEM, FAN TO MANIFOLD PIPE, UNITS WITH 9 INCH ROW SPACING (09) - CHASSIS/ATTACHMENTS

Схема запчастей Case IH 8600 - (9-086) - AIR SYSTEM, FAN TO MANIFOLD PIPE, UNITS WITH 9 INCH ROW SPACING (09) - CHASSIS/ATTACHMENTS
22
33
19
5
27
4
21
20
16
10
12
37
23
13
17
8
3
9
36
7
35
25
10
30
6
21
15
34
13
31
26
18
29
14
11
32
1
31
12
30
19
28
11
22
FIT
1:1
100%

Артикул

Название

Примечание

Количество

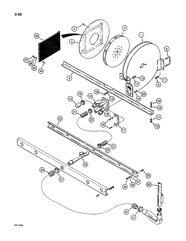
1

842318C1

HOUSING

- fan, air system

1шт.

3

843049C3

ROTOR ASSY.

IMPELLER - fan

1шт.

4

842316C1

HEAD ASSY.

COVER - impeller

1шт.

5

850681C1

SELF-TAP SCREW,5/16" - 18 x 7/8"

- hex head, self-tapping, 5/16 inch - 18 NC x 3/4 inch

16шт.

6

811627C1

BOLT

U-BOLT -, Serial Range: housing-frame

2шт.

7

192-25

LOCK WASHER,5/8"

WASHER, LOCK, 5/8"

4шт.

8

280374

NUT,Hex, 5/8" - 11, Gr 5

- hex, 5/8 inch - 11 NC

4шт.

9

842638C1

ANGLE

SUPPORT - fan housing, rear

1шт.

10

113-417

BOLT,Hex, 1/2" - 13 x 1-1/4", Gr 5, Full Thd

4шт.

11

192-23

LOCK WASHER,1/2"

WASHER, LOCK, 1/2"

4шт.

12

20601R1

WASHER

- flat, 1/2 inch

4шт.

13

129-105

NUT,Hex, 1/2" - 13, Gr 5

4шт.

14

842069C1

MANIFOLD

- air, 6 outlet

1шт.

15

842799C1

CAP

- manifold outlet

1шт.

16

214-260

HOSE CLAMP,#36, 1.81" - 2.75", Type F Worm

- outlet cap #36, 1.81/2.75 Type F Worm

1шт.

17

842563C1

REINFORCEMENT

PLATE - mounting, manifold

2шт.

18

113-103

BOLT,Hex, 5/16" - 18 x 1", Gr 5

8шт.

19

80681

LOCK WASHER,5/16"

WASHER, LOCK, 5/16"

8шт.

20

9635082

NUT,5/16" - 18, Gr 5

6шт.

21

REF

INSTRUCTION

HOSE - manifold to venturi, see page 9-95 for hose lengths

5шт.

22

214-260

HOSE CLAMP,#36, 1.81" - 2.75", Type F Worm

manifold to venturi #36, 1.81/2.75 Type F Worm

10шт.

23

97657C1

VENTURI

SUPPORT - venturi, front

1шт.

24

842153C1

ANGLE

SUPPORT - venturi, rear

1шт.

25

113-417

BOLT,Hex, 1/2" - 13 x 1-1/4", Gr 5, Full Thd

4шт.

26

192-23

LOCK WASHER,1/2"

WASHER, LOCK, 1/2"

4шт.

27

20601R1

WASHER

- flat, 1/2 inch

4шт.

28

129-105

NUT,Hex, 1/2" - 13, Gr 5

4шт.

29

96287C1

VENTURI

- air

5шт.

30

REF

INSTRUCTION

HOSE - venturi to manifold pipes, see page 9-97 for hose lengths

5шт.

31

1960340C1

HOSE CLAMP,2.75/3.625 HD Worm, W/liner

CLAMP - hose, venturi to manifold pipe

10шт.

32

841217C1

TUBE ASSY.,485, 230 mm Length

PIPE - manifold, see page 9-91 for continuation of air system

5шт.

33

117666A1

COVER

SCREEN - impeller cover, used when hydraulic oil cooler is not installed

1шт.

34

434-512

CARRIAGE BOLT,Sht Sq Nk, 5/16" - 18 x 3/4", Gr 5

BOLT - carriage, 5/16 NC x 3/4 inch

4шт.

35

495-11034

WASHER,5/16", SAE

5/16" SAE (flat, 11/32 x 11/16 x 1/16")

4шт.

36

492-11031

LOCK WASHER,5/16"

WASHER, LOCK, 5/16"

4шт.

37

425-105

NUT,5/16"-18, G5

- hex, 5/16 inch NC

4шт.

Выбрано товаров: 36