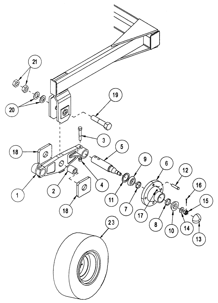
Запчасти Case IH ATX (09-48) - WALKBEAM ASSEMBLY - PACKER BEFORE 06/2004 (09) - CHASSIS

Схема запчастей Case IH ATX - (09-48) - WALKBEAM ASSEMBLY - PACKER BEFORE 06/2004 (09) - CHASSIS
23
5
9
20
17
15
13
1
4
11
21
6
8
2
7
18
18
12
16
14
19
10
3
FIT
1:1
100%

Артикул

Название

Примечание

Количество

1

312600A1

BEAM

walk 10"

1шт.

1

312601A1

BEAM

walk 12"

1шт.

1

1029542

BEAM

walk 10" & 12"

1шт.

Included in 312600A1

1шт.

Included in 312601A1

1шт.

2

1030050

BUSHING,25.81mm ID x 38.18mm OD x 44.45mm L

tube

1шт.

Included in 1029542

1шт.

3

87339

BOLT,Hex, 1/2" - 13 x 3", Gr 5

2шт.

Included in 312600A1

1шт.

Included in 312601A1

1шт.

4

87530607

NUT

1/2"-13, GB

2шт.

Included in 312600A1

1шт.

Included in 312601A1

1шт.

4

312602A2

AXLE

hub assembly complete with spindle H411-7

2шт.

Included in 312600A1

1шт.

Included in 312601A1

1шт.

5

312599A1

SPINDLE

S411 1 5/8" x 8 1/2"

2шт.

Included in 312602A2

1шт.

6

351044A1

HUB

HUB ASSEMBLY

1шт.

Included in 351044A1

1шт.

7

36723

BEARING CUP,59.16mm OD x 11.81mm W

#LM67010

1шт.

Included in 351044A1

1шт.

8

36725

BEARING CUP,45.26mm OD x 12.06mm W

#LM11910

1шт.

Included in 351044A1

1шт.

9

36726

BEARING CONE,31.75mm ID x 16.76mm W

#LM67048

1шт.

Included in 351044A1

1шт.

10

36724

BEARING CONE,19.07mm ID x 16.64mm W

#LM11949

1шт.

Included in 351044A1

1шт.

11

312598A1

SEAL

wheel bearing, triple lip

1шт.

Included in 351044A1

1шт.

12

1013597

WHEEL BOLT

wheel 1/2" -20 G5

4шт.

Included in 351044A1

1шт.

13

1013622

CAP

HUB: CT&D # DC12

1шт.

Included in 351044A1

1шт.

14

86632590

WASHER,0.66" ID x 1.31" OD x 0.1" Thk

2шт.

Included in 312602A2

1шт.

15

86637930

SLOTTED NUT,5/8"-18, G5

2шт.

Included in 312602A2

1шт.

16

86523851

COTTER PIN,5/32" x 1 1/4"

2шт.

Included in 312602A2

1шт.

17

88775

LUBE NIPPLE,1/4"-28

2шт.

Included in 312602A2

1шт.

18

1026129

PAD

uhmw 3 31/32" x 3 31/32" 1 1/2" hole, white

2шт.

18

1026499

SKID/SHOE

PAD - NYLATRON, OPTIONAL

2шт.

19

1026375

BOLT

1 X 4.5 UNC GR8 YZD SPECIAL 1.313'' THREAD

1шт.

20

87367

WASHER,1.06" ID x 2" OD x 0.13" Thk

2шт.

21

87553819

JAM NUT

1"-8 Hex, Jam

2шт.

22

1027081

GREASE

ANTI-SEIZE COMPOUND 4 OZ

1шт.

Apply to bolt 1026375

1шт.

23

REF

INSTRUCTION

WHEEL ASSEMBLY - COMPLETE (See next page)

1шт.

Выбрано товаров: 50