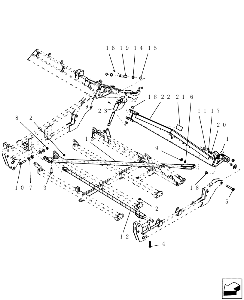
Запчасти Case IH ATX400 (1.240.1) - 9 FIVE SECTION INNER WING BRACING AND ROCKSHAFT - 45 MODEL SHOWN (12) - FRAME

Схема запчастей Case IH ATX400 - (1.240.1) - 9 FIVE SECTION INNER WING BRACING AND ROCKSHAFT - 45 MODEL SHOWN (12) - FRAME
10
9
22
18
23
19
13
4
20
2
14
21
11
7
16
17
8
18
1
2
12
5
3
6
15
FIT
1:1
100%

Артикул

Название

Примечание

Количество

1

87414

LUBE NIPPLE,1/4" - 28

2шт.

2

280286

NUT,1"-8, GB

2шт.

3

280285

BOLT,Hex, 1" - 8 x 4", Gr 5

1шт.

4

88381

BOLT,Hex, 1" - 8 x 5", Gr 5

1шт.

5

DR-807

BOLT

1 1/4"-12 x 7 7/8" chrome

1шт.

6

84086

LOCK WASHER,32.08mm ID x 45.47mm OD x 7.95mm Thk

1шт.

7

87370

WASHER,1.38" ID x 3" OD x 0.17" Thk

, Years: -01-JUN-07

4шт.

7

87370

WASHER,1.38" ID x 3" OD x 0.17" Thk

, Start Year: 01-JUL-07

6шт.

8

86609684

NUT,1 1/4"-7, GB

1шт.

9

87323802

NUT

1 1/4"-12, GB

1шт.

10

7110

BOLT,Hex, 1 1/4" - 7 x 6", Gr 5

, Years: -01-JUN-07

1шт.

10

87635854

BOLT,Hex, 1 1/4" - 7 x 7", Gr 5

, Start Year: 01-JUL-07

1шт.

11

DR-494

BUSHING

support beam

2шт.

12

87500620

LINK

tension, 9' wing, Years: -01-FEB-07

1шт.

12

87610504

LINK

tension, 9' wing, Start Year: 01-MAR-07

1шт.

13

87501370

BRACKET

diagonal 9' 110º LH, Years: -01-FEB-07

1шт.

Shown

1шт.

13

87614503

BRACKET

diagonal 9' 110º left, Start Year: 01-MAR-07

1шт.

Shown

1шт.

13

87501369

BRACKET

diagonal 9' 110º RH, Years: -01-FEB-07

1шт.

Not Shown

1шт.

13

87614498

BRACKET

diagonal 9' 110º right, Start Year: 01-MAR-07

1шт.

Not Shown

1шт.

14

87325446

WASHER,1.75" ID x 2.5" OD x 0.07" Thk

1 3/4" id 2 1/2" x 14 ga

4шт.

15

11487

SNAP RING,#175, Ext

4шт.

16

38-13224

LOCK PIN,1/2" x 1 1/2", Slotted

2шт.

17

87420247

BUSHING,31.85mm ID x 38.19mm OD x 25.4mm L

gar mgl 1 1/2" x 1 1/4" x 1" polygon

3шт.

18

6637

BUSHING

composite 2" x 1 3/4" x 1"

4шт.

19

DR-681

PIN,44.57mm OD x 236.5mm L

rock shaft u-joint - 1 3/4" x 8 9/16"

2шт.

20

DR-711

SPACER

1 1/2" od x 3/32" thick x 7/8" long

1шт.

21

TC-500.08

DECAL

raised wings

1шт.

22

87501163

ROCKSHAFT

9' inner LH

1шт.

Shown

1шт.

Includes three 6636, four 6637, TC-500.08, two 80714 and DR-711

1шт.

22

87500995

ROCKSHAFT

9' wing inner RH

1шт.

Includes three 6636, four 6637, TC-500.08, two 80714 and DR-711

1шт.

Not Shown

1шт.

23

DR-389

HINGE

universal 6" x 6" heavy

1шт.

Выбрано товаров: 38