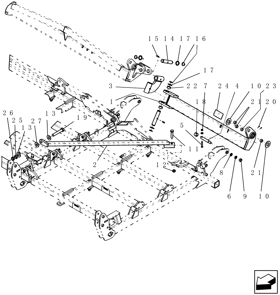
Запчасти Case IH ATX400 (1.390.1) - 6 FIVE SECTION OUTER WING BRACING AND ROCKSHAFT - 45 MODEL SHOWN (12) - FRAME

Схема запчастей Case IH ATX400 - (1.390.1) - 6 FIVE SECTION OUTER WING BRACING AND ROCKSHAFT - 45 MODEL SHOWN (12) - FRAME
9
12
4
23
19
20
8
13
7
17
1
10
21
14
17
11
6
13
26
16
21
24
10
27
15
5
25
2
3
18
22
FIT
1:1
100%

Артикул

Название

Примечание

Количество

1

87501155

ROCKSHAFT

6' wing LH

1шт.

Shown

1шт.

Includes three 6636, two 6637, TC-500.08, two 80714 and DR-711

1шт.

1

87500992

ROCKSHAFT

6' wing RH

1шт.

Includes three 6636, two 6637, TC-500.08, two 80714 and DR-711

1шт.

Not Shown

1шт.

2

87501143

BRACKET

diagonal 6' wing LH

1шт.

Shown

1шт.

2

87501142

BRACKET

diagonal 6' wing RH

1шт.

Not Shown

1шт.

3

DR-389

HINGE

universal 6" x 6" heavy

1шт.

4

87420519

PIN

1 1/4 x 5

1шт.

5

87301770

BOLT,Hex, 9/16" - 12 x 3-1/4", Gr 8

9/16"-12 x 3 1/4" gr8

1шт.

6

87342

LOCK WASHER,25.48mm ID x 42.06mm OD x 6.35mm Thk

1шт.

7

280328

NUT,9/16"-12, GB

1шт.

8

6669

WASHER,1.06" ID x 1.75" OD x 0.13" Thk

1шт.

9

9849633

NUT,1"-8, G5

1шт.

10

DR-494

BUSHING

support beam

2шт.

11

280443

BOLT,Hex, 1" - 8 x 4 1/2", Gr 5

1шт.

12

280286

NUT,1"-8, GB

1шт.

13

87370

WASHER,1.38" ID x 3" OD x 0.17" Thk

2шт.

14

DR-681

PIN,44.57mm OD x 236.5mm L

rock shaft u-joint - 1 3/4" x 8 9/16"

2шт.

15

38-13224

LOCK PIN,1/2" x 1 1/2", Slotted

2шт.

16

11487

SNAP RING,#175, Ext

4шт.

17

87325446

WASHER,1.75" ID x 2.5" OD x 0.07" Thk

1 3/4" id 2 1/2" x 14 ga

4шт.

18

87420506

CAP

vinyl 44 x 37 lg black

1шт.

19

87552232

BOLT,Hex, 1 1/4" - 7 x 7 1/2", Gr 5

1шт.

20

87414

LUBE NIPPLE,1/4" - 28

7шт.

21

87420247

BUSHING,31.85mm ID x 38.19mm OD x 25.4mm L

gar mgl 1 1/2" x 1 1/4" x 1" polygon

6шт.

22

6637

BUSHING

composite 2" x 1 3/4" x 1"

6шт.

23

DR-711

SPACER

1 1/2" od x 3/32" thick x 7/8" long

2шт.

24

TC-500.08

DECAL

raised wings

6шт.

25

86609684

NUT,1 1/4"-7, GB

1шт.

26

425-1420

JAM NUT,Jam, 1 1/4"-7, G5

1шт.

27

87620978

WASHER

ar

1шт.

Выбрано товаров: 35