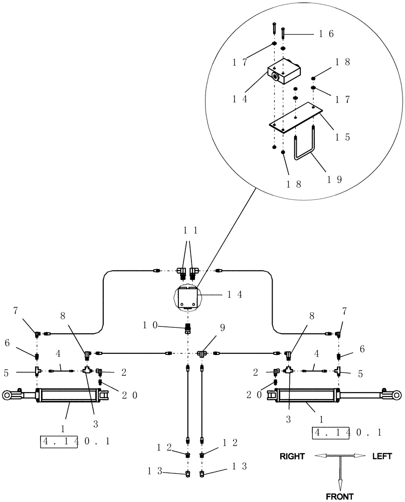
Запчасти Case IH ATX400 (4.110.1) - ENDMARKER DUAL MARKER HYDRAULICS (18) - MISCELLANEOUS

Схема запчастей Case IH ATX400 - (4.110.1) - ENDMARKER DUAL MARKER HYDRAULICS (18) - MISCELLANEOUS
19
3
4.140.1
12
6
17
5
15
2
4.140.1
14
6
17
5
9
1
20
12
4
10
8
18
20
7
1
2
8
3
18
4
7
16
13
14
11
13
FIT
1:1
100%

Артикул

Название

Примечание

Количество

1

87500855

HYDRAULIC CYLINDER,Double Acting, 28.57mm Rod, 304.8mm Stroke

2" x 12" Monarch 2500 psi without pins

2шт.

Refer to 4.140.1 - 2" X 12" hydraulic cylinder

1шт.

2

8145

ELBOW

90º swivel 1/2" fpt x 1/2" fpt

2шт.

3

87506232

PILOT VALVE

check - 1/2" mp x 1/2" fp x 1/4" fpt

2шт.

4

432615A1

HYDRAULIC HOSE,0.25" ID x 11.00"

1/4" x 11" fl, 1/4" mpt x 3/8" mpt

2шт.

5

6415

TEE

3/8" fpt x 3/8" mpt x 3/8" fpt

2шт.

6

218-1422

FITTING

3/8" fpt x 3/8" mpt, .040" orifice

2шт.

7

218-926

90 ELBOW,90 Degree, 3/8" NPTF Male x 3/8" NPSM Fem Sw

2шт.

8

2668

ELBOW

90º 3/8" fpt x 1/2" mpt

2шт.

9

3821

TEE

3/8" fpt x 3/8" fpt x 3/8" fpt

1шт.

10

218-5252

HYD CONNECTOR,3/4" - 16 ORB x 3/8" NPT

1шт.

11

218-5387

90 ELBOW,90 Degree, 3/4"-16 O-Ring x 3/8" NPSM Fem

2шт.

12

221-89

REDUCER,Hex, 1/2" x 3/8" NPT

2шт.

13

435414A1

QUICK MALE COUPLING,1/2"-14 NPTF

2шт.

14

87506235

REMOTE CONTROL VALVE

sequence 2 way 3 port

1шт.

15

DR-781

BRACKET

mount, sequence valve

1шт.

16

9707515

BOLT,Hex, 5/16 - 18" x 1 3/4", Gr 5

2шт.

17

80664

WASHER,0.38" ID x 0.88" OD x 0.08" Thk

2шт.

18

280736

NUT,5/16"-18, GC

2шт.

19

419990A1

U-BOLT

us 5/16" x 4 1/8" w x 4 3/4" d 3/4" thread

1шт.

20

3814

FITTING

close nipple 3/8" mpt x 1/2" mpt

2шт.

Выбрано товаров: 21