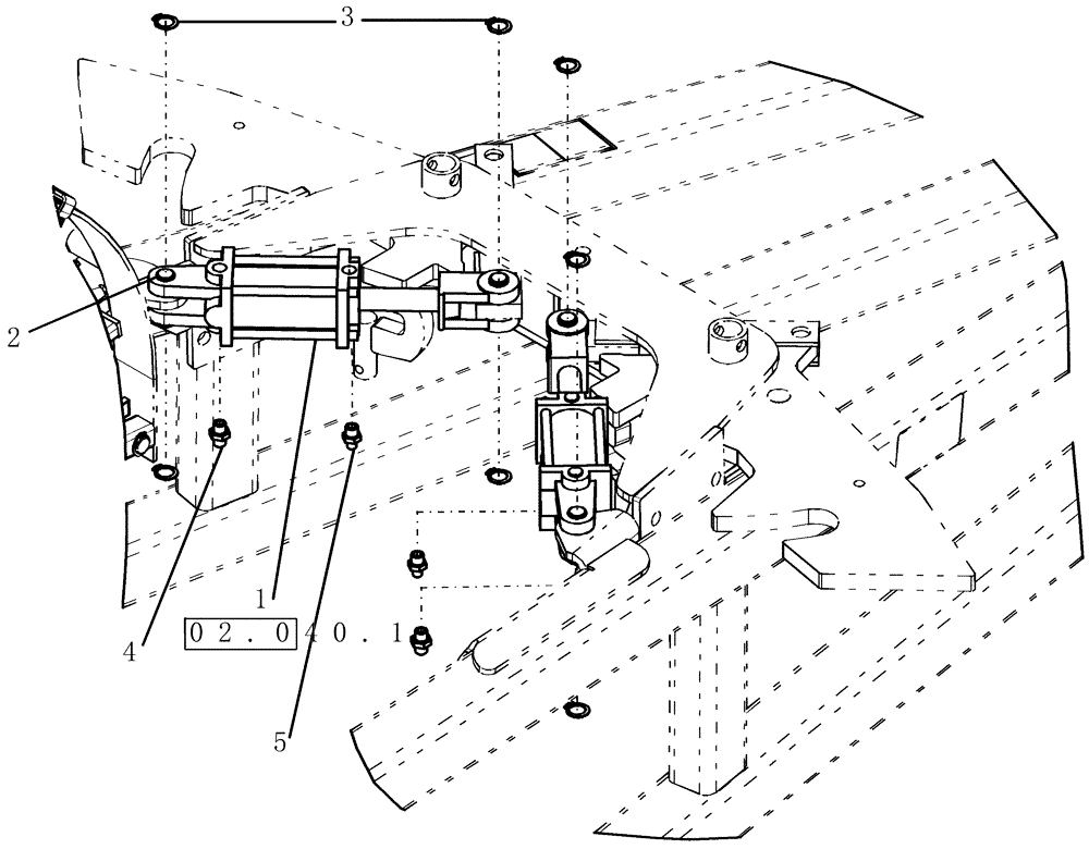
Запчасти Case IH ATX700 (02.080.1) - CYLINDER, FRONT LATCH (07) - HYDRAULICS

Схема запчастей Case IH ATX700 - (02.080.1) - CYLINDER, FRONT LATCH (07) - HYDRAULICS
4
1
3
02.040.1
5
2
FIT
1:1
100%

Артикул

Название

Примечание

Количество

1

87419786

HYDRAULIC CYLINDER,Double Acting, 31.75mm Rod, 101.6mm Stroke

3" x 4" 3000 psi no pins

2шт.

Refer to 02.040.1

1шт.

2

3326

PIN

cylinder 1" x 2 7/8" ul hardened with snap rings

4шт.

3

87019495

SNAP RING,#98, Ext

8шт.

4

128818

UNION,3/4" - 16 ORB x 3/4" - 16 JIC

2шт.

5

128817

HYD CONNECTOR,3/4" - 16 ORB x 9/16" - 18 JIC

2шт.

Выбрано товаров: 6