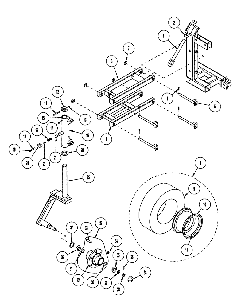
Запчасти Case IH CONCORD (B22) - SINGLE CASTER, DISCONTINUED

Схема запчастей Case IH CONCORD - (B22) - SINGLE CASTER, DISCONTINUED
14
34
19
28
31
7
13
11
8
16
36
32
30
9
2
20
10
38
15
25
37
26
18
5
23
4
17
3
6
22
35
33
12
21
24
29
1
FIT
1:1
100%

Артикул

Название

Примечание

Количество

1

CON1017152

STEM

ROD/W ADJUSTMENT YZD

1шт.

2

425-1024

NUT,1 1/2"-6, G5

1.5 UNC GR5 YZD

2шт.

3

1026754

ARM

TOP PNTD

1шт.

4

1018415

ARM

BOTTOM PNTD

1шт.

5

1016941

PIN

/W PIVOT 1 OD YZD

4шт.

6

432-1632

COTTER PIN,1/4" x 2"

1/4" x 2"

4шт.

7

1016663

WASHER

- flat: SAE 1.00 ZP

4шт.

8

1018954

TYRE/TIRE

TIRE - mntd: 9.5l x 14 6ply l1

1шт.

9

1014151

TYRE/TIRE

TIRE 9.5l-14 6 ply l-1

1шт.

10

1014152

RIM

14 X8KB 6-HOLE 1.13 INSET

1шт.

11

1012383

VALVE STEM

TIRE VALVE STEM

1шт.

12

1014161

RETAINER

-KING PIN

1шт.

13

231-1448

NUT,1/2"-13, GB

.5 UNC GR B YZD NYLON INSERT

1шт.

14

413-872

BOLT,Hex, 1/2" - 13 x 4-1/2", Gr 5

.5 X 4.5 UNC GR5 YZD

1шт.

15

1014163

BRONZE BUSHING,63.96mm ID x 69.95mm OD x 50.8mm L

BUSHING BRONZE 2.75 ODX2.5 ID

2шт.

16

1029560

HOUSING

ASSY - king pin housing

1шт.

17

219-8

LUBE NIPPLE,1/4" - 28 NPTF

NIPPLE, LUBE, , straight, taper 1/4"-28 NPT x .54" lg

6шт.

18

1025026

BOLT

WLDMT - bolt - hex: .5x2 NC gr8 NP

1шт.

19

425-108

NUT,1/2" - 13, Gr 5

NUT, 1/2"-13, G5

1шт.

20

1014154

THRUST WASHER

2.5 ID 4OD .188 YZD

2шт.

21

1025027

RUBBER BLOCK

SNUBBER - brass (2330027-42)

1шт.

22

2330027-74

SPRING

DETENT

1шт.

23

2330027-75

DETENT

1шт.

24

1029548

CAP

- detent

1шт.

25

1030382

STEERING KNUCKLE

WLDMT - caster single

1шт.

26

432-1224

COTTER PIN,3/16" x 1-1/2"

3/16" x 1 1/2"

1шт.

27

1012377

WASHER

P.WASHER .81 ID 1.75 .188 PLN

1шт.

28

425-1312

SLOTTED NUT,3/4"-16, G5

.75 UNF GR5 YZD

1шт.

1023733

BEARING HOUSING

H630-2 COMPLETE (Includes 1016175, 1013560, 1012374, 651818R91 and 663557R91)

1шт.

29

1016175

HUB

H630-2 C/W CUPS AND STUDS

1шт.

30

1012360

CUP

- bower #67010 (CT & D #LM67010)

1шт.

31

1012359

CUP

- CT & D # & NTN #LM501310

1шт.

32

1016174

HUB

MACHINED UNPNTD (Not a service part - order 1016175)

1шт.

33

1016176

STEP BOLT

BOLT .563 UNF GR5 WB41

6шт.

34

1016177

WHEEL NUT

WHEEL .563 UNF CTD# WB40

6шт.

35

1012356

ROLLER BEARING,1.25" ID x 0.625"

BEARING CONE #LM67048

1шт.

36

1012354

ROLLER BEARING,1.625" ID x 2.09375" OD x 0.7656"

BEARING CONE #LM501349

1шт.

37

1013560

SEAL

HUB OIL SEAL FED MOG #473473

1шт.

38

1012374

HUB

DUST CAP DC13 PLN

1шт.

Выбрано товаров: 39