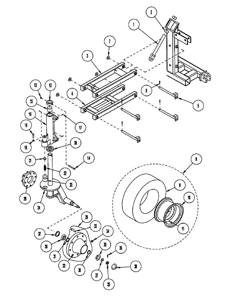
Запчасти Case IH CONCORD (B26) - CASTER, HEAVY DUTY, MAIN FRAME OVER 40 FOOT

Схема запчастей Case IH CONCORD - (B26) - CASTER, HEAVY DUTY, MAIN FRAME OVER 40 FOOT
14
11
10
13
16
2
25
28
3
22
18
6
34
5
31
37
33
9
8
20
29
17
27
23
7
19
26
15
12
32
36
1
21
35
24
4
38
30
FIT
1:1
100%

Артикул

Название

Примечание

Количество

1

1025478

ADJUSTMENT ROD

ROD W/ADJUSTMENT

2шт.

2

425-1632

NUT,2"-4, G5, Hvy

- hex: 2.00 NC gr2 ZP

4шт.

3

1026756

ARM

/A TOP PNTD

2шт.

4

1020532

ARM

/A BOTTOM ARM PNTD

2шт.

5

1020642

PIN

/W PIVOT 1.25 OD YZD

8шт.

6

432-1632

COTTER PIN,1/4" x 2"

1/4" x 2"

8шт.

7

1016950

WASHER

- flat: SAE 1.25 ZP

8шт.

8

1030722

WHEEL ASSY

15X10 8H W/31X13.5 10P (Includes wheel, tire and valve stem)

4шт.

9

1030720

TYRE/TIRE

31 X 13.5 - 15 10PR HF-1 (Purchase Locally)

1шт.

10

1030721

RIM

15X10 8HOLE +2.25 OFFSET

1шт.

11

1012383

VALVE STEM

TIRE VALVE STEM

1шт.

12

1020639

RETAINER

KING PIN PNT

1шт.

13

231-1448

NUT,1/2"-13, GB

.5 UNC GR B YZD NYLON INSERT

1шт.

14

413-880

BOLT,Hex, 1/2" - 13 x 5", Gr 5

.5 X 5 UNC GR5 YZD

1шт.

15

1020501

BUSHING,76.68mm ID x 89.03mm OD x 63.5mm L

BRONZE 3 ID X 3.5 OD

2шт.

16

1033030

HOUSING

/A KING PIN HEAVY PNTD

1шт.

17

219-8

LUBE NIPPLE,1/4" - 28 NPTF

NIPPLE, LUBE, , straight, taper 1/4"-28 NPT x .54" lg

7шт.

18

1033038

BOLT

1 X 3 UNC GR5 YZD ALL-T

1шт.

19

425-1416

JAM NUT,Jam, 1"-8, G5

JAM 1 UNC GR5 YZD

1шт.

20

1014154

THRUST WASHER

2.5 ID 4OD .188 YZD

2шт.

21

1033023

BAR

-DETENT GUIDE

1шт.

22

1033024

SPRING

-C DIE .38WR 1.5 OD 2LG

1шт.

23

1033022

BAR

-FRICTION PLUNGER

1шт.

24

1020533

STEERING KNUCKLE

CASTER/W HEAVY

1шт.

25

425-1316

NUT,1"-14, G5

SLOTTED 1-14 UNS GR5 YZD

2шт.

26

432-1232

COTTER PIN,3/16" OD x 2" L

3/16" x 2"

2шт.

27

1013475

WASHER

P.WASHER 1.06ID 2.1 .25 YZD

2шт.

28

1023734

HUB

COMPLETE HA811-8 PNT

2шт.

29

1020697

HUB

H811-8 C/W CUPS AND STUDS (Includes cups, studs)

1шт.

30

1020699

CUP

- race: CT & D #25520

1шт.

31

1020700

CUP

- race: CT & D #25821

1шт.

32

1020698

HUB

8 BOLT MACHINED (Not serviced separately, order 1020697)

1шт.

33

1016176

STEP BOLT

BOLT .563 UNF GR5 WB41

8шт.

34

1016177

WHEEL NUT

WHEEL .563 UNF CTD# WB40

8шт.

35

1020703

ROLLER BEARING

BEARING CONE #25877

1шт.

36

1020702

ROLLER BEARING

BEARING CONE #25590

1шт.

37

1674

OIL SEAL

HUB OIL SE16

1шт.

38

419963A1

HUB CAP

DUST DC17 YZD

1шт.

Выбрано товаров: 38