Запчасти Case IH CONCORD (B66) - DISC LEVELERS

Схема запчастей Case IH CONCORD - (B66) - DISC LEVELERS
13
10
20
16
14
18
19
2
22
6
23
17
4
21
12
15
24
11
5
1
11
9
11
7
3
FIT
1:1
100%

Артикул

Название

Примечание

Количество

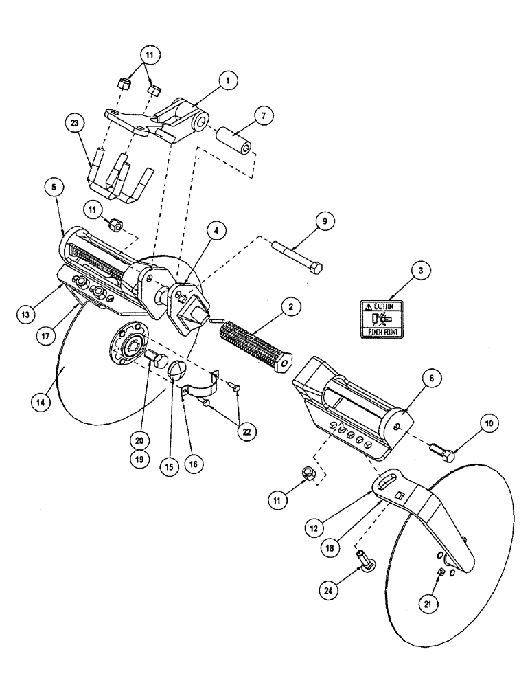
1

1032185

PIVOT

MOUNT

1шт.

2

1030544

SPRING

WLDMT - spring

2шт.

3

1030543

DECAL

CAUTION

2шт.

4

1030845

ARM

CASTING CARRIER

1шт.

5

1030455

ARM

CAST MOUNT RH PNTD

1шт.

6

1030456

ARM

CAST MOUNT ARM LH PNTD

1шт.

7

1029571

BUSHING,13.59mm ID x 25.53mm OD x 65.48mm L

1шт.

8

1017731

LOCTITE

#242 (Not shown)

1шт.

Item #8 - 1017731 locktite #242 - is to be used on items #19, 20 and #10 bolts-- not on the bushing or mount.

1шт.

9

413-864

BOLT,Hex, 1/2" - 13 x 4", Gr 5

.5 X 4 UNC GR5 YZD

1шт.

10

413-824

BOLT,Hex, 1/2" - 13 x 1-1/2", Gr 5

2шт.

11

231-4248

NUT,1/2"-13, GB

NUT, LOCK, , 2-WAY 1/2"-13, GB

9шт.

12

1030419

ARM

/A WITH DISC LH (Incl. 14-16, 18, 19, 21-22)

1шт.

13

1030420

ARM

/A WITH DISC RH (Incl. 14-17, 20-22)

1шт.

14

1030418

BEARING ASSY

ASSY - disc & bearing

1шт.

15

1030414

DUST CAP

DUST

1шт.

16

1029687

RETAINER

- cap

1шт.

17

1029681

ARM

RIGHT HAND

1шт.

18

1029680

ARM

LEFT HAND

1шт.

19

413-1020

BOLT,Hex, 5/8" - 11 x 1-1/4", Gr 5

1шт.

20

113-2664

BOLT,Hex, 5/8" - 11 x 1-1/4", Gr 5, Full Thd

LH Hex, 5/8"-11 x 1 1/4", G5, Full Thd

1шт.

21

1013427

LOCK NUT,1/4"-20, GA

NUT - centerlock: .25 NC gr2 ZP

2шт.

22

413-412

BOLT,Hex, 1/4" - 20 x 3/4", Gr 5

2шт.

23

1029579

U-BOLT

BOLT US .5 2.063W 3D

2шт.

24

433-824

CARRIAGE BOLT,Sq Nk, 1/2" - 13 x 1 1/2", Gr 5

BOLT, CARRIAGE, Short NK, 1/2"-13 x 1 1/2", G5

4шт.

Выбрано товаров: 25