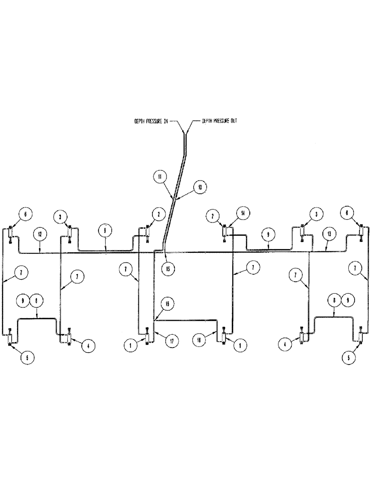
Запчасти Case IH CONCORD (B78) - HYDRAULICS, DEPTH, FIVE SECTION

Схема запчастей Case IH CONCORD - (B78) - HYDRAULICS, DEPTH, FIVE SECTION
7
1
6
11
9
???
3
5
1
19
12
5
4
8
7
9
2
4
15
14
6
7
9
8
9
7
3
7
2
17
15
10
7
FIT
1:1
100%

Артикул

Название

Примечание

Количество

1

1027482

HYDRAULIC CYLINDER

CYL HYD 5.00 X 8.00 IOWA - 4710, 5010

2шт.

1

1027480

HYDRAULIC CYLINDER

CYL HYD 4.50 X 8.00 IOWA - 4010 5 plex

2шт.

2

1027481

HYDRAULIC CYLINDER

CYL HYD 4.75 X 8.00 IOWA - 4710, 5010

2шт.

2

1027479

HYDRAULIC CYLINDER

CYL HYD 4.25 X 8.00 IOWA - 4010 5 plex

2шт.

Seal kit is 1027909, CYL ROD 1030828, no other service parts are available

1шт.

3

1027480

HYDRAULIC CYLINDER

CYL HYD 4.50 X 8.00 IOWA - 4710, 5010

2шт.

3

1026898

HYDRAULIC CYLINDER

CYL HYD 4.00 X 8.00 IOWA - 4010 5 plex

2шт.

4

1027479

HYDRAULIC CYLINDER

CYL HYD 4.25 X 8.00 IOWA - 4710, 5010

2шт.

4

1026897

HYDRAULIC CYLINDER

CYL HYD 3.75 X 8.00 IOWA - 4010 5 plex

2шт.

5

1026898

HYDRAULIC CYLINDER

CYL HYD 4.00 X 8.00 IOWA - 4710, 5010

2шт.

5

1026896

HYDRAULIC CYLINDER

CYL HYD 3.50 X 8.00 IOWA - 4010 5 plex

2шт.

6

1026897

HYDRAULIC CYLINDER

CYL HYD 3.75 X 8.00 IOWA - 4710, 5010

2шт.

6

1026895

HYDRAULIC CYLINDER

CYL HYD 3.25 X 8.00 IOWA - 4010 5 plex

2шт.

7

1017746

HYDRAULIC HOSE

HOSE HYD .5 X 178 FL - 4710, 5010, 4010 5P

6шт.

8

1021281

HYDRAULIC HOSE

HOSE HYD .5 X 215 FL - 5010

2шт.

9

1017100

HYDRAULIC HOSE

HOSE HYD .5 X 204 FL - 4710

4шт.

9

1020975

HYDRAULIC HOSE

HOSE HYD .5 X 188 FL - 4010 5 plex

4шт.

9

1017100

HYDRAULIC HOSE

HOSE HYD .5 X 204 FL - 5010

2шт.

10

1017135

HYDRAULIC HOSE

HOSE HYD .5 X 312 FL - 4710, 5010

1шт.

10

1015804

HYDRAULIC HOSE

HOSE HYD .5 X 240 FL - 4010 5 plex

1шт.

11

1026795

HYDRAULIC HOSE

HOSE HYD .5 X 402 FL - 4710, 5010

1шт.

11

1017135

HYDRAULIC HOSE

HOSE HYD .5 X 312 FL - 4010 5 plex

1шт.

12

1021282

HYDRAULIC HOSE

HOSE HYD .5 X 280 FL - 4710

1шт.

12

1337374C1

HYDRAULIC HOSE

HYD .5 X 270 FL

1шт.

12

1021365

HYDRAULIC HOSE

HOSE HYD .5 X 300 FL - 5010

1шт.

13

1024287

HYDRAULIC HOSE

HOSE HYD .5 X 350 FL - 4710

1шт.

13

1024977

HYDRAULIC HOSE

HOSE HYD .5 X 336 FL - 4010 5 plex

1шт.

13

1020974

HYDRAULIC HOSE

HOSE HYD .5 X 375 FL - 5010

1шт.

14

218-5106

90 ELBOW,90 Degree Elbow, 3/4" - 16 Male JIC x 3/4" - 16 Male ORB

STL 90DEG .5MB .5MJ

24шт.

15

218-594

TEE,3/4"-16, 37 Degree

FIT STL .5MJ

2шт.

16

1021280

HYDRAULIC HOSE

HOSE HYD .5 X 154 FL - 4710, 5010, 4010 5P

1шт.

17

90879C1

HYDRAULIC HOSE,12.70 mm ID x 2030.00 mm, SAE 100R1

4710, 5010, 4010 5P 12.70 mm ID x 2030.00 mm, SAE 100R1

1шт.

FOOTNOTE

1шт.

REF: WHEN CHANGING OVER FROM CESSNA BRAND CYLINDER TO IOWA CYLINDER THERE WILL BE A DISTANCE DIFFERENCE BETWEEN THE CLEVIS AND BARREL - A DEPTH STOP WILL HAVE TO BE ORDER ALONG WITH THE IOWA CYLINDER TO ACCOMIDATE THIS DIFFERENCE THE DEPTH STOP NUMBER IS 1014597. MV

1шт.

FOOTNOTE

1шт.

1" clevis pin for cylinders is 1923593C1 subs to 1266753C1 DESC PIN

1шт.

Выбрано товаров: 36