Запчасти Case IH CONCORD (B84) - HYDRAULICS, WING LIFT, FIVE SECTION

Схема запчастей Case IH CONCORD - (B84) - HYDRAULICS, WING LIFT, FIVE SECTION
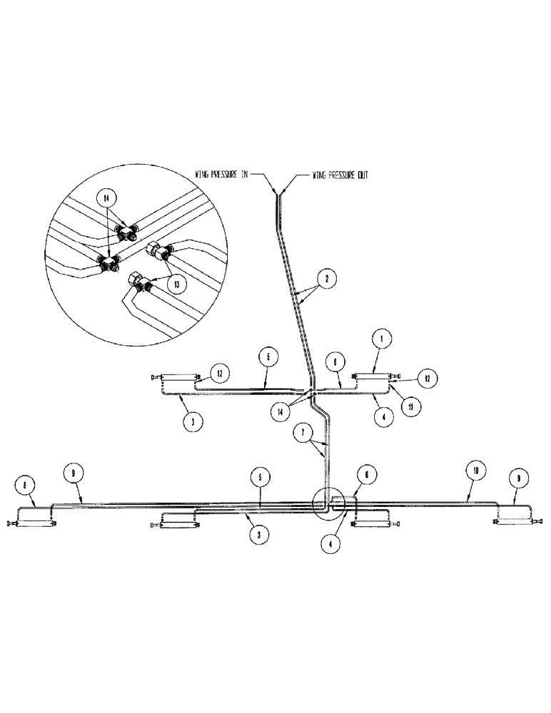
4
5
9
10
12
7
9
4
14
13
6
11
8
12
5
1
6
2
14
3
3
FIT
1:1
100%

Артикул

Название

Примечание

Количество

1

350720A1

HYDRAULIC CYLINDER

KIT HYD 4.00 X 30.0 IOWA (Includes 1016796, 1019844, 218-5106, 350401A1, 1015478 and 6-70060) - 4010 5 plex, Years: -31-OCT-02, Serial Range: -CBJ0008107

6шт.

1

1015203

CYLINDER ASSY.

CYL - hyd: 5.00 x 30 x 2.00 rod - 4710, 5010

6шт.

2

1017135

HYDRAULIC HOSE

HOSE HYD .5 X 312 FL - 4710, 5010

2шт.

2

1015804

HYDRAULIC HOSE

HOSE HYD .5 X 240 FL - 4010 5 plex

2шт.

3

1015222

HYDRAULIC HOSE

HOSE HYD .5 X 90 FL

2шт.

4

1015802

HYDRAULIC HOSE

HOSE HYD .5 X 50 FL

2шт.

5

1024421

HYDRAULIC HOSE

HOSE HYD .5 X 60 FL

2шт.

6

1015802

HYDRAULIC HOSE

HOSE HYD .5 X 50 FL

2шт.

7

90879C1

HYDRAULIC HOSE,12.70 mm ID x 2030.00 mm, SAE 100R1

2шт.

8

1017100

HYDRAULIC HOSE

HOSE HYD .5 X 204 FL - 4710, 5010

1шт.

8

1017746

HYDRAULIC HOSE

HOSE HYD .5 X 178 FL - 4010 5 plex

1шт.

9

1017746

HYDRAULIC HOSE

HOSE HYD .5 X 178 FL - 4710, 5010

2шт.

9

1021280

HYDRAULIC HOSE

HOSE HYD .5 X 154 FL - 4010 5 plex

2шт.

10

1015393

HYDRAULIC HOSE

HOSE HYD .5 X 144 FL - 4710, 5010

1шт.

10

1015394

HYDRAULIC HOSE

HOSE HYD .5 X 120 FL - 4010 5 plex

1шт.

11

1019844

FITTING

STL .5MJ .5FJ RESTRICTOR

6шт.

12

218-5106

90 ELBOW,90 Degree Elbow, 3/4" - 16 Male JIC x 3/4" - 16 Male ORB

STL 90DEG .5MB .5MJ

12шт.

13

218-845

TEE,37 Degree, 3/4"-16 x 3/4"-16, Fem Sw Run

1/2-37 DEG FL-SWIVEL RUN

2шт.

14

218-654

4 WAY CONNECTION,3/4"-16, 37 Degree

FIT STL .5MJ

4шт.

Выбрано товаров: 19