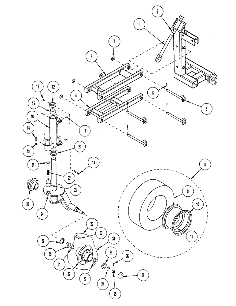
Запчасти Case IH CONCORD (B26) - CASTER, STANDARD, ALL WINGS & MAIN FRAME 44 AND UNDER

Схема запчастей Case IH CONCORD - (B26) - CASTER, STANDARD, ALL WINGS & MAIN FRAME 44 AND UNDER
15
5
34
24
38
13
3
16
35
4
22
20
33
10
9
21
17
36
27
31
32
6
18
28
1
37
8
26
12
14
23
7
11
30
19
2
29
25
FIT
1:1
100%

Артикул

Название

Примечание

Количество

1

CON1017152

STEM

ROD/W ADJUSTMENT YZD

2шт.

2

425-1024

NUT,1 1/2"-6, G5

1.5 UNC GR5 YZD

4шт.

3

1026754

ARM

TOP PNTD

2шт.

4

1018415

ARM

BOTTOM PNTD

2шт.

5

1016941

PIN

/W PIVOT 1 OD YZD

8шт.

6

432-1632

COTTER PIN,1/4" x 2"

1/4" x 2"

8шт.

7

1016663

WASHER

- flat: SAE 1.00 ZP

8шт.

8

1030719

WHEEL ASSY

TIRE/A MNTD 11L X14 6H 8PR I-1

4шт.

9

1030718

TYRE/TIRE

TIRE 11L-14 8PR I-1 RIB

1шт.

10

1014152

RIM

14 X8KB 6-HOLE 1.13 INSET

1шт.

11

1012383

VALVE STEM

TIRE VALVE STEM

1шт.

12

1014161

RETAINER

-KING PIN

1шт.

13

231-1448

NUT,1/2"-13, GB

.5 UNC GR B YZD NYLON INSERT

1шт.

14

413-872

BOLT,Hex, 1/2" - 13 x 4-1/2", Gr 5

.5 X 4.5 UNC GR5 YZD

1шт.

15

1014163

BRONZE BUSHING,63.96mm ID x 69.95mm OD x 50.8mm L

BUSHING BRONZE 2.75 ODX2.5 ID

2шт.

16

1033026

HOUSING

/M KING PIN STD UNPNTD

1шт.

17

219-8

LUBE NIPPLE,1/4" - 28 NPTF

NIPPLE, LUBE, , straight, taper 1/4"-28 NPT x .54" lg

7шт.

18

1033038

BOLT

1 X 3 UNC GR5 YZD ALL-T

1шт.

19

425-1416

JAM NUT,Jam, 1"-8, G5

JAM 1 UNC GR5 YZD

1шт.

20

1014154

THRUST WASHER

2.5 ID 4OD .188 YZD

2шт.

21

1033023

BAR

-DETENT GUIDE

1шт.

22

1033024

SPRING

-C DIE .38WR 1.5 OD 2LG

1шт.

23

1033022

BAR

-FRICTION PLUNGER

1шт.

24

87501800

CASTER

KNUCKLE, STEERING, DUAL (Without Spindle)

1шт.

24a

1015277

SPINDLE

for item 24 Knuckle

1шт.

25

425-1312

SLOTTED NUT,3/4"-16, G5

.75 UNF GR5 YZD

2шт.

26

432-1224

COTTER PIN,3/16" x 1-1/2"

3/16" x 1 1/2"

2шт.

27

1012377

WASHER

P.WASHER .81 ID 1.75 .188 PLN

2шт.

28

1023733

BEARING HOUSING

H630-2 COMPLETE (Includes 1016175, 1013560, 1012374, 651818R91 and 663557R91)

2шт.

29

1016175

HUB

H630-2 C/W CUPS AND STUDS

1шт.

30

1012360

CUP

- bower #67010 (CT & D #LM67010)

1шт.

31

1012359

CUP

- CT & D # & NTN #LM501310

1шт.

32

1016174

HUB

MACHINED UNPNTD (Not a service part - order 1016175)

1шт.

33

1016176

STEP BOLT

BOLT .563 UNF GR5 WB41

6шт.

34

1016177

WHEEL NUT

WHEEL .563 UNF CTD# WB40

6шт.

35

1012356

ROLLER BEARING,1.25" ID x 0.625"

BEARING CONE #LM67048

1шт.

36

1012354

ROLLER BEARING,1.625" ID x 2.09375" OD x 0.7656"

BEARING CONE #LM501349

1шт.

37

1013560

SEAL

HUB OIL SEAL FED MOG #473473

1шт.

38

1012374

HUB

DUST CAP DC13 PLN

1шт.

Выбрано товаров: 39