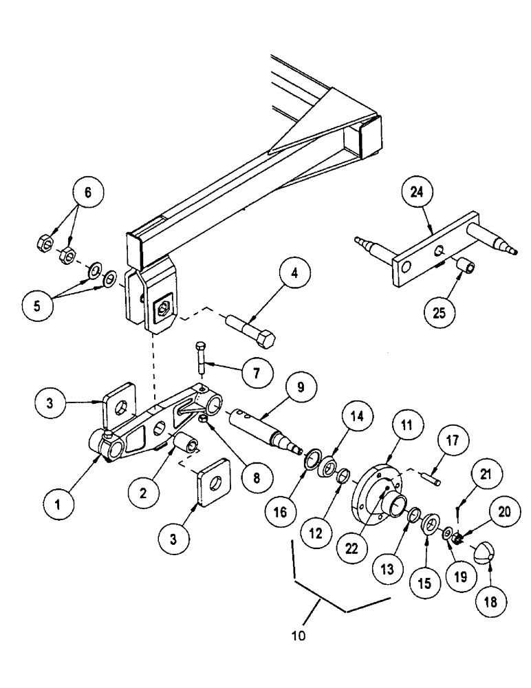
Запчасти Case IH CONCORD (B40) - WALK BEAM & HUB ASSEMBLY

Схема запчастей Case IH CONCORD - (B40) - WALK BEAM & HUB ASSEMBLY
6
15
9
3
10
16
1
11
24
12
3
17
22
2
5
8
14
4
13
18
19
7
20
25
21
FIT
1:1
100%

Артикул

Название

Примечание

Количество

1029542

BEAM

WALK 10''&12''PNTD

1шт.

1

1029541

BEAM

WALK 10'' OR 12''

1шт.

2

1030050

BUSHING,25.81mm ID x 38.18mm OD x 44.45mm L

TUBE BUSHING

1шт.

3

1026129

PAD

UHMW PAD 3.97 X 3.97

2шт.

3

1026499

SKID/SHOE

PAD - nylatron

2шт.

4

1026375

BOLT

1 X 4.5 UNC GR8 YZD

1шт.

5

1016663

WASHER

- flat: SAE 1.00 ZP

2шт.

6

425-1416

JAM NUT,Jam, 1"-8, G5

JAM 1 UNC GR5 YZD

2шт.

7

413-848

BOLT,Hex, 1/2" - 13 x 3", Gr 5

.5 X 3 UNC GR5 YZD

2шт.

8

231-1448

NUT,1/2"-13, GB

.5 UNC GR B YZD NYLON INSERT

2шт.

1030716

AXLE

ASSY - spindle and hub

1шт.

9

1029546

AXLE SHAFT

SPINDLE - press wheel

1шт.

1023732

HUB ASSY.

ASSY-HUB CT&D FOR #HA411-7

2шт.

1023120

HUB

ASSY - hub zerk placement

1шт.

10

1015157

HUB

ASSY - hub: (4-bolt)

1шт.

11

1017103

HUB

- machining

1шт.

12

1012360

CUP

CUP - race: CT & D #LM-11910

1шт.

13

1013268

RACE

- bower #67010 (CT & D #LM67010)

1шт.

14

1012356

ROLLER BEARING,1.25" ID x 0.625"

BEARING CONE #LM67048

1шт.

15

1013620

ROLLER BEARING,0.75" ID x 0.61"

CONE - bower & CT & D #LM11949

1шт.

16

1029527

SEAL

- triple lip

1шт.

17

1013597

WHEEL BOLT

WHEEL .5 UNF GR5 WB96

4шт.

18

1013622

CAP

HUB: CT&D # DC12

1шт.

19

496-11066

WASHER,21/32" x 1 5/16" x .095", HDN

1шт.

20

425-1310

SLOTTED NUT,5/8"-18, G5

SLOTTED .625-18UNF GR5 YZD

1шт.

21

432-1020

COTTER PIN,5/32" x 1 1/4"

PIN, SPLIT (COTTER), 5/32" x 1 1/4"

1шт.

22

219-8

LUBE NIPPLE,1/4" - 28 NPTF

NIPPLE, LUBE, , straight, taper 1/4"-28 NPT x .54" lg

1шт.

23

1027081

GREASE

ANTI-SEIZE COMPOUND 4 OZ

1шт.

24

1026489

BEAM

WALK BEAM ASSEMBLY (Discontinued)

1шт.

25

1026128

BUSHING

1шт.

Выбрано товаров: 30