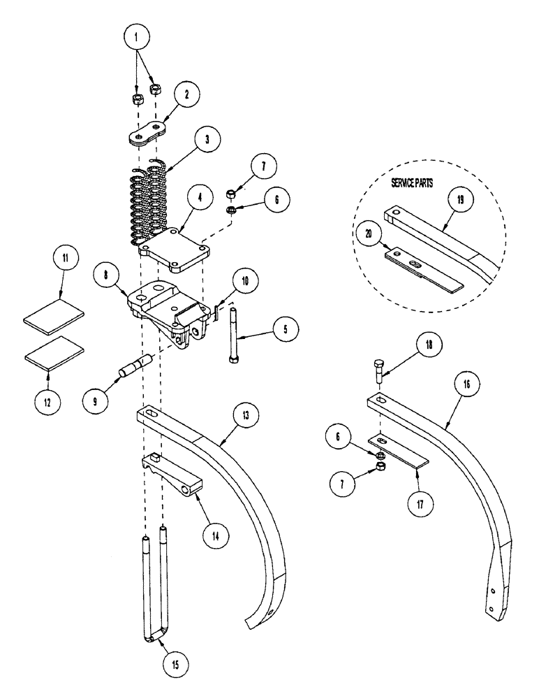
Запчасти Case IH CONCORD (B48) - SPRING CUSHION SHANK ASSEMBLY, EXTENDED LIFT SPRING CUSHION, SHANK ASSEMBLY

Схема запчастей Case IH CONCORD - (B48) - SPRING CUSHION SHANK ASSEMBLY, EXTENDED LIFT SPRING CUSHION, SHANK ASSEMBLY
19
2
11
17
5
7
3
6
6
15
16
4
8
9
14
1
7
18
10
20
13
12
FIT
1:1
100%

Артикул

Название

Примечание

Количество

1

425-1012

NUT,3/4"-10, G5

2шт.

2

1014836

CASTING

CAST CAP-SHANK/A PNTD

1шт.

3

1014835

SPRING

-C .468WR 2.28 OD 10.88

2шт.

3

1021261

SPRING

-C .531WR 2.34 OD 18.5 extended lift

2шт.

4

1021166

PLATE

CAST PLATE BOLTING PNTD

1шт.

5

413-10112

BOLT,Hex, 5/8" - 11 x 7", Gr 5

.625 X 7 UNC GR5 YZD

4шт.

6

492-11062

BEARING WASHER,5/8"

WASHER, LOCK, 5/8"

1шт.

7

425-1010

NUT,5/8"-11, G5

1шт.

8

1014834

HOUSING

- cushion shank

1шт.

8

1021265

SUPPORT

HOLDER - CI-Ext. lift (Order 1014834)

1шт.

9

1014837

LARGE PIN,25.4mm OD x 117.48mm L

PIN, SPECIAL, 1 X 4.63 FL YZD, Shank

1шт.

10

1014838

SPLIT PIN/SAFETY PIN

PIN - roll: .31 x 2.00 NP

2шт.

10

1017046

PIN

ROLL PIN (Order 1014838)

1шт.

11

1019717

BAR

-BLANK PNT

1шт.

12

1019717

BAR

-BLANK PNT

1шт.

13

1027750

SHANK

1.25 X2X50.5 W/SL O/TOP

1шт.

13

1021262

SHANK

WSL O/TOP, 1.25 x 2.00 x 53 degree (Service part)

1шт.

14

1014833

SUPPORT

FLIPPER

1шт.

15

1014826

U-BOLT

BOLT US .75 2.188W 14.5D

1шт.

15

1021260

U-BOLT

BOLT US .75 2.188W 22.25D extended lift

1шт.

16

1030504

SHANK

- side mount - 1" thick

1шт.

16

1033295

SHANK

- side mount - 1 1/4" thick

1шт.

17

1032321

ADAPTER

BAR - shank adapter

1шт.

18

413-1040

BOLT,Hex, 5/8" - 11 x 2-1/2", Gr 5

1шт.

19

1027201

SHANK

EDGE-ON (Service part)

1шт.

20

1027734

ADAPTER

WLDMT - shank adapter for edge on (Service part)

1шт.

Выбрано товаров: 26