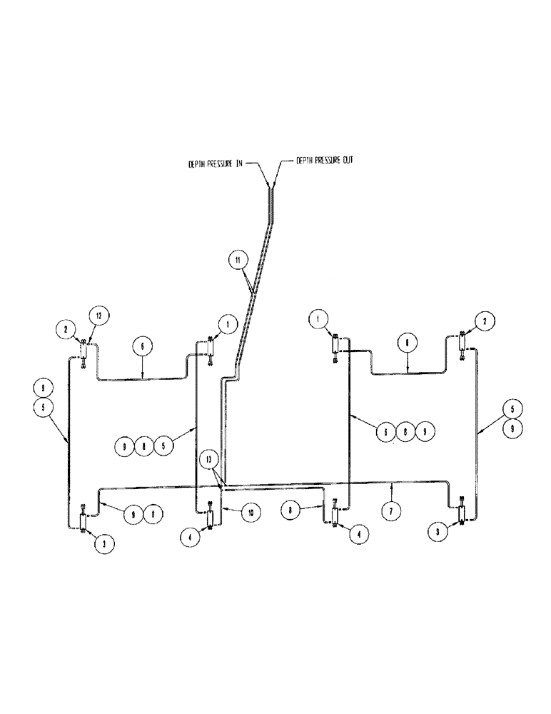
Запчасти Case IH CONCORD (B78) - HYDRAULICS, DEPTH

Схема запчастей Case IH CONCORD - (B78) - HYDRAULICS, DEPTH
2
2
9
5
11
1
8
3
5
1
9
9
7
8
6
8
8
4
5
13
5
12
9
6
10
4
9
FIT
1:1
100%

Артикул

Название

Примечание

Количество

1

1026897

HYDRAULIC CYLINDER

CYL HYD 3.75 X 8.00 IOWA

2шт.

2

1026896

HYDRAULIC CYLINDER

CYL HYD 3.50 X 8.00 IOWA

2шт.

3

1026895

HYDRAULIC CYLINDER

CYL HYD 3.25 X 8.00 IOWA

2шт.

4

1026898

HYDRAULIC CYLINDER

CYL HYD 4.00 X 8.00 IOWA

2шт.

5

1017100

HYDRAULIC HOSE

HOSE HYD .5 X 204 FL - 24/4412 4R

2шт.

5

1017746

HYDRAULIC HOSE

HOSE HYD .5 X 178 FL - 24/32/36/4012 4R

4шт.

5

1017746

HYDRAULIC HOSE

HOSE HYD .5 X 178 FL - 2812 4R

2шт.

5

1020975

HYDRAULIC HOSE

HOSE HYD .5 X 188 FL - 4412 3R

2шт.

5

1023091

HYDRAULIC HOSE

HOSE HYD .5 X 162 FL - 2812 3R

2шт.

5

1015396

HYDRAULIC HOSE,12.7mm ID x 3810mm L, SAE 100R17

HOSE HYD .5 X 150 FL - 32/36/4012 3R

2шт.

6

1015392

HYDRAULIC HOSE

HOSE HYD .5 X 256 FL - 4412 4R

2шт.

6

1017101

HYDRAULIC HOSE

HOSE HYD .5 X 228 FL - 36/4012 3 & 4R

2шт.

6

1017100

HYDRAULIC HOSE

HOSE HYD .5 X 204 FL - 3212 4R

2шт.

6

1017750

HYDRAULIC HOSE

HOSE HYD .5 X 198 FL - 2812 3 & 4R, 3212 3R

2шт.

6

1017746

HYDRAULIC HOSE

HOSE HYD .5 X 178 FL - 2412 3 & 4R

2шт.

6

1021376

HOSE ASSY.

HOSE .50 x 260-8 JICFSW both - 4412 3R

2шт.

7

1337374C1

HYDRAULIC HOSE

HYD .5 X 270 FL

1шт.

7

1015220

HYDRAULIC HOSE

HOSE HYD .5 X 240 FL - 3212 3 & 4R

1шт.

7

1017140

HYDRAULIC HOSE

HOSE .50 x 222-8 JICFSW both - 2812 3 & 4R

1шт.

7

1021281

HYDRAULIC HOSE

HOSE HYD .5 X 215 FL - 2412 3 & 4R

1шт.

8

1015396

HYDRAULIC HOSE,12.7mm ID x 3810mm L, SAE 100R17

HOSE HYD .5 X 150 FL - 24/32/36/40/4412 4R

1шт.

8

1015396

HYDRAULIC HOSE,12.7mm ID x 3810mm L, SAE 100R17

HOSE HYD .5 X 150 FL - 2812 4R

2шт.

8

1015396

HYDRAULIC HOSE,12.7mm ID x 3810mm L, SAE 100R17

HOSE HYD .5 X 150 FL - all 3 rank models

3шт.

9

1017746

HYDRAULIC HOSE

HOSE HYD .5 X 178 FL - 4412 4R

3шт.

9

1017746

HYDRAULIC HOSE

HOSE HYD .5 X 178 FL - 36/4012 3 & 4R, 4412 3R

1шт.

9

1014813

HYDRAULIC HOSE

HOSE HYD .5 X 156 FL - 3212 3 & 4R

1шт.

9

1017746

HYDRAULIC HOSE

HOSE HYD .5 X 178 FL - 2812 4R

2шт.

9

1015390

HYDRAULIC HOSE

HOSE HYD .5 X 132 FL - 2412 3 & 4R

1шт.

9

1015396

HYDRAULIC HOSE,12.7mm ID x 3810mm L, SAE 100R17

HOSE HYD .5 X 150 FL - 2812 3R

1шт.

10

90879C1

HYDRAULIC HOSE,12.70 mm ID x 2030.00 mm, SAE 100R1

All Models 12.70 mm ID x 2030.00 mm, SAE 100R1

1шт.

11

1017135

HYDRAULIC HOSE

HOSE HYD .5 X 312 FL - 4R models

2шт.

11

1021370

HYDRAULIC HOSE

HOSE HYD .5 X 285 FL - 3R models

2шт.

12

218-5106

90 ELBOW,90 Degree Elbow, 3/4" - 16 Male JIC x 3/4" - 16 Male ORB

STL 90DEG .5MB .5MJ

16шт.

13

218-594

TEE,3/4"-16, 37 Degree

FIT STL .5MJ

2шт.

14

1027079

SEAL

CYL HYD SEAL KIT 3.75 X 8.00 IOWA

1шт.

14

1027078

SEAL

CYL HYD SEAL KIT 3.50 X 8.00 IOWA

1шт.

14

1027077

SEAL

CYL HYD SEAL KIT 3.25 X 8.00 IOWA

1шт.

14

1027080

KIT

CYL HYD SEAL KIT 4.00 X 8.00 IOWA

1шт.

Выбрано товаров: 38