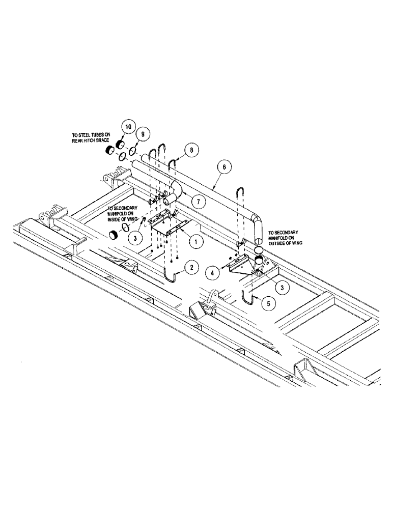
Запчасти Case IH CONCORD (B54) - MANIFOLD PARTS WING FRAME, 40 FOOT

Схема запчастей Case IH CONCORD - (B54) - MANIFOLD PARTS WING FRAME, 40 FOOT
8
4
6
3
1
9
7
2
5
3
10
FIT
1:1
100%

Артикул

Название

Примечание

Количество

1

306533A1

BRACKET

CLAMP

2шт.

2

1023564

U-BOLT

BOLT-U: .50 x 4.53 X 5.00 ZP

2шт.

3

231-1448

NUT,1/2"-13, GB

- nylock: .50 NC GR6 ZP

8шт.

4

305990A1

CLAMP BRACKET

BRACKET - 2 clamp

2шт.

5

1032294

U-BOLT

BOLT-U: .50 x 4.53 x 4.00 ZP

2шт.

6

305998A1

TUBE,2.5" OD, 53, 12" Length

AIR 45DEG

2шт.

7

305996A1

TUBE,23.212, 9.078 mm Length

AIR 90DEG

2шт.

8

1013060

CLAMP

- muffler: 2.50O

8шт.

9

1012980

CLAMP

- hose: S.S. #44 2.31-3.25

8шт.

10

1032279

HOSE,2.50" ID

PVC-B 2.50" ID

1шт.

Выбрано товаров: 10