Запчасти Case IH NFX (8-14) - HYDRAULIC DEPTH CONTROL CYLINDER 4 INCH BORE X 8 INCH STROKE (08) - HYDRAULICS

Схема запчастей Case IH NFX - (8-14) - HYDRAULIC DEPTH CONTROL CYLINDER 4 INCH BORE X 8 INCH STROKE (08) - HYDRAULICS
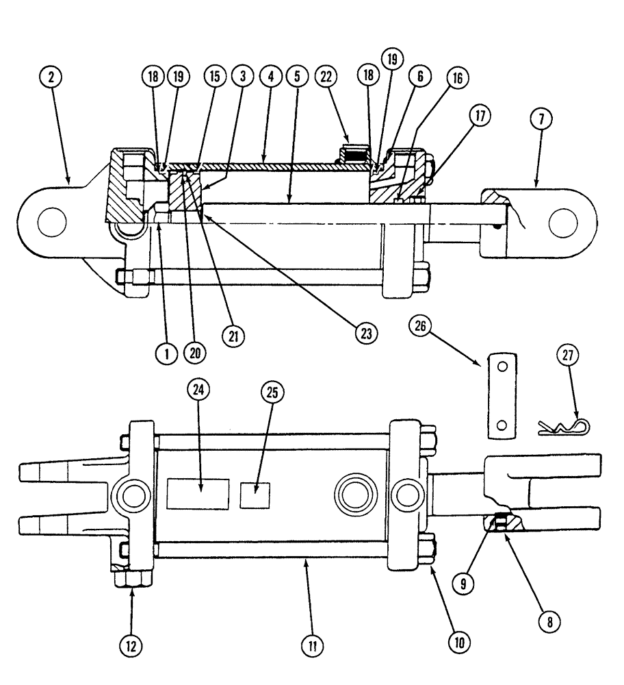
9
6
20
11
22
21
18
18
2
4
24
25
27
26
5
15
16
3
19
7
19
12
8
1
10
23
17
FIT
1:1
100%

Артикул

Название

Примечание

Количество

1026898

HYDRAULIC CYLINDER

102 mm (4) I.D. x 203 mm (8 inch) stroke, Iowa Hydraulic, Includes Ref: 1-25

2шт.

1

H438714

LOCK NUT,7/8" - 14

hex, self locking

1шт.

2

1272919C1

CYLINDER HEAD

1шт.

3

92521C1

PISTON

cylinder

1шт.

4

NSS

NOT SOLD SEPARAT

TUBE cylinder

1шт.

5

1267056C1

ROD

piston

1шт.

6

1272920C1

HEAD

GLAND cylinder

1шт.

7

1267057C1

CLEVIS,3/8" - 16

rod end

1шт.

8

483-1386

SET SCREW,Hex Soc, 3/8"-16 x 3/8"

set, hex socket headless, 3/8 NC x 3/8 inch, cup point

1шт.

9

145453C1

PLUG,Lock, 7.938mm Dia x 3.175mm Thk, Nylon

PAD insert

1шт.

10

NSS

NOT SOLD SEPARAT

NUT

4шт.

11

142461C1

TIE-ROD,Tie, 5/8" - 11 x 335mm

BOLT cylinder tie

4шт.

12

NSS

NOT SOLD SEPARAT

PLUG

1шт.

15

143203A1

SEALING RING

SEAL WASHER RING wear, piston

2шт.

16

NSS

NOT SOLD SEPARAT

U-CUP

1шт.

Part of Seal Kit P/N 80117C2

1шт.

17

NSS

NOT SOLD SEPARAT

WIPER

1шт.

Part of Seal Kit P/N 80117C2

1шт.

18

NSS

NOT SOLD SEPARAT

O-RING

2шт.

Part of Seal Kit P/N 80117C2

1шт.

19

NSS

NOT SOLD SEPARAT

BACK-UP

2шт.

Part of Seal Kit P/N 80117C2

1шт.

20

NSS

NOT SOLD SEPARAT

SEAL piston

1шт.

Part of Seal Kit P/N 80117C2

1шт.

21

NSS

NOT SOLD SEPARAT

O-RING

1шт.

Part of Seal Kit P/N 80117C2

1шт.

22

143204A1

PLUG

hex socket, special, 3/4-16 inch o-ring boss

1шт.

23

NSS

NOT SOLD SEPARAT

O-RING

1шт.

Part of Seal Kit P/N 80117C2

1шт.

24

NSS

NOT SOLD SEPARAT

DECAL

1шт.

25

NSS

NOT SOLD SEPARAT

DECAL

1шт.

26

1923593C1

PIN

clevis, 1 inch, (if used)

2шт.

26

312950A2

HEADED PIN,25.4mm OD x 89.8mm L

1 x 3-5/32 inch (not shown) (if used)

2шт.

27

1030840

RETAINER

PIN cotter, hairpin (if used)

4шт.

27

38-11224

PIN slotted spring, 3/16 x 1-1/2 inch (not shown) (if used)

4шт.

27

38-11424

LOCK PIN,7/32" x 1 1/2", Slotted

(not shown) (if used) 7/32" x 1 1/2", Slotted

2шт.

80117C2

SEAL KIT

seal, includes: REF. 16 -21 & 23

1шт.

Выбрано товаров: 0