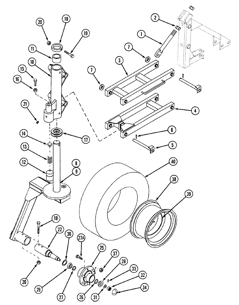
Запчасти Case IH NFX (9-28) - CASTER WHEEL ASSEMBLY - SINGLE, WING FRAMES 24 FEET AND UNDER (09) - CHASSIS

Схема запчастей Case IH NFX - (9-28) - CASTER WHEEL ASSEMBLY - SINGLE, WING FRAMES 24 FEET AND UNDER (09) - CHASSIS
20
25
7
22
27
20
5
11
33
1
30
15
6
3
18
8
4
34
21
26
29
28
39
7
2
19
9
14
17
19
32
12
40
16
27a
31
10
38
37
13
FIT
1:1
100%

Артикул

Название

Примечание

Количество

350879A1

WHEEL caster ASSY. single, right hand, Includes Ref: 1-41

1шт.

350880A1

WHEEL caster ASSY. single, left hand, Includes Ref: 1-41

1шт.

1

1017152

IDLER WHEEL

ROD adjustment

1шт.

2

425-1024

NUT,1 1/2"-6, G5

hex, 1-1/2 inch NC

2шт.

3

350885A1

ARM ASSY.

top parallel, caster

1шт.

4

350884A1

ARM ASSY.

bottom parallel, caster

1шт.

5

1016941

PIN

pivot

4шт.

6

432-1632

COTTER PIN,1/4" x 2"

1/4" x 2"

4шт.

7

495-11106

WASHER,1", SAE

(1-1/16 x 2 x 1/8")

4шт.

8

350875A1

CASTER

single, left hand

1шт.

9

350876A1

CASTER

single, right hand

1шт.

1033027

HOUSING

KING PIN ASSY., Include Ref: 10, 11

1шт.

10

NSS

NOT SOLD SEPARAT

HOUSING king pin

1шт.

11

1014163

BRONZE BUSHING,63.96mm ID x 69.95mm OD x 50.8mm L

bronze

2шт.

12

1033022

BAR

friction plunger

1шт.

13

1033024

SPRING

1шт.

14

1033023

BAR

detent guide

1шт.

15

1033038

BOLT

hex, special, 1 x 3 inch

1шт.

16

425-1416

JAM NUT,Jam, 1"-8, G5

jam, 1 inch NC

1шт.

17

1014154

THRUST WASHER

thrust

2шт.

18

1014161

RETAINER

king pin

1шт.

19

413-872

BOLT,Hex, 1/2" - 13 x 4-1/2", Gr 5

hex, 1/2 NC x 4-1/2 inch

3шт.

20

231-1448

NUT,1/2"-13, GB

hex, self locking, NC

3шт.

21

219-8

LUBE NIPPLE,1/4" - 28 NPTF

1шт.

1032632

HUB ASSY.

SPINDLE ASSY. includes hub assembly, Includes Ref: 22-41

1шт.

22

1032656

BAR

SPINDLE wheel

1шт.

1023733

BEARING HOUSING

complete, Includes Ref: 25-37

1шт.

25

1016175

HUB

ASSY., Includes Ref: 26, 27, 27A

1шт.

26

651817R1

BEARING CUP

tapered roller, 2-21/64 inch O.D., outer .

1шт.

27

663558R1

BEARING CUP

tapered roller, 2-57/64 inch O.D., inner

1шт.

27a

1016176

STEP BOLT

lug

6шт.

28

651818R91

ROLLER BEARING,31.77 mm ID x 16.08 mm

tapered roller, 1-1/4 inch I.D., outer

1шт.

29

663557R91

BEARING ASSY,1.625" ID x 2.892" OD x 0.77"

tapered roller, 1-5/8 inch I.D., inner

1шт.

30

62610C1

OIL SEAL,57.15mm ID x 77.88mm OD x 6.35mm Thk

wheel bearing

1шт.

31

1012377

WASHER

flat, 13/16 x 1-3/4 x 3/16 inch

1шт.

32

425-1312

SLOTTED NUT,3/4"-16, G5

hex, 3/4 inch NF

1шт.

33

432-1224

COTTER PIN,3/16" x 1-1/2"

1шт.

34

2700508-01

CAP

hub

1шт.

35

219-8

LUBE NIPPLE,1/4" - 28 NPTF

1шт.

37

1016177

WHEEL NUT

lug, 9/1 6 inch NF

6шт.

1032208

WHEEL ASSY.

includes mounted 13.5 x 31 tire, order from machinery price list, Includes Ref: 38-41

1шт.

38

1032207

RIM

WHEEL 6 hole, silver, 15 x 10 inch

1шт.

39

1012383

VALVE STEM

inflation stem

1шт.

40

REF

INSTRUCTION

TIRE 13.5 x 31, 8 ply, order from machinery price list

1шт.

41

1033093

SEALANT

tire, 1 liter bottle (not shown)

1шт.

41

1033092

SEALANT

tire, 55 gallon drum (not shown)

1шт.

Выбрано товаров: 46