Запчасти Case IH NFX (9-40) - COULTER ASSEMBLIES (09) - CHASSIS

Схема запчастей Case IH NFX - (9-40) - COULTER ASSEMBLIES (09) - CHASSIS
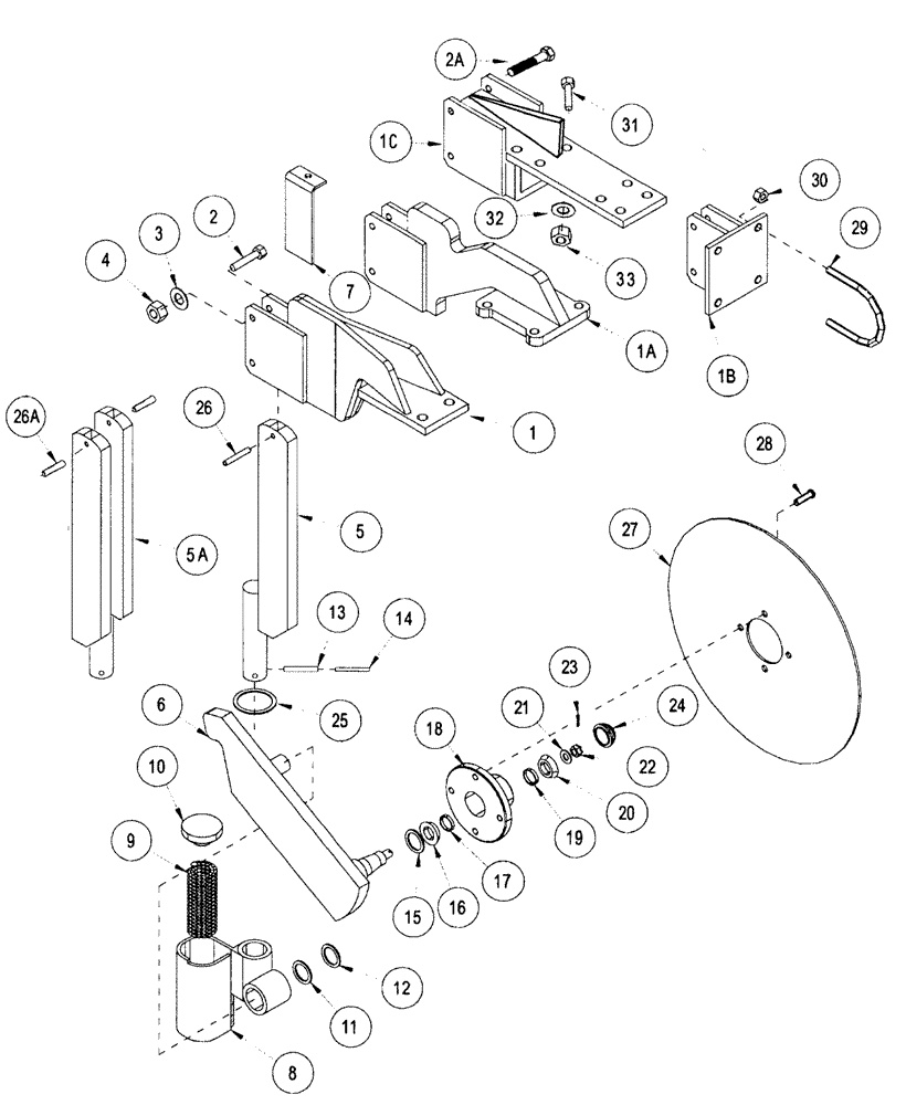
5
2
15
32
19
27
31
28
3
21
6
29
30
1a
10
14
11
16
33
1c
23
4
26
1
24
25
22
9
8
18
17
13
7
5a
20
1b
2a
26a
12
FIT
1:1
100%

Артикул

Название

Примечание

Количество

1033071

SUPPORT

ASSY - coulter arm Blu J AM-2799, no longer available, see Cylmer coulter figure 9-42, Includes Ref: 1-24

1шт.

1032381

SHANK

mount ASSY. coulter, Includes Ref: 1-4

1шт.

1

1033060

PLOW DISC

MOUNT coulter shank, solid shank, if used

1шт.

1a

1033065

SUPPORT

MOUNT coulter shank, cushion shank, if used

1шт.

1b

1033055

PLOW DISC

MOUNT coulter shank, stand alone, if used

1шт.

1c

290890A1

PLOW DISC

MOUNT coulter shank, if used

1шт.

2

413-844

BOLT,Hex, 1/2" - 13 x 2-3/4", Gr 5

(used with mounts 1, 1A and 1B)

2шт.

2a

413-8112

BOLT,Hex, 1/2" - 13 x 7", Gr 5

hex, 1/2 NC x 7 inch (used with mount 1C)

2шт.

3

425-108

NUT,1/2" - 13, Gr 5

2шт.

4

80679

LOCK WASHER,1/20.507 CST ZND

2шт.

5

1033070

SUPPORT

SHANK coulter, flat, if used

1шт.

5a

290895A1

PLOW DISC

SHANK coulter, formed, if used

1шт.

6

1033074

ARM ASSY.

includes spindle and pivot shaft

1шт.

7

1033061

BAR

angle

2шт.

8

1033079

HOUSING

knee

1шт.

9

1033076

SPRING

1шт.

10

1033075

PLUG

CAP spring

1шт.

11

1033077

WASHER

machine, 1-1/4 I.D. x 1-7/8 inch O.D.

1шт.

12

1033078

RING

snap

1шт.

13

38-32432

PIN,3/8" x 2", Coiled

3/8" x 2", Coiled

1шт.

14

438-31440

PIN,7/32" x 2 1/2", Coiled

7/32" x 2 1/2", Coiled

1шт.

1033073

HUB

ASSY. complete, Includes Ref: 15-24

1шт.

15

1033089

SEAL

oil

1шт.

16

1033088

BEARING, CONE

inner

1шт.

18

1033085

HUB ASSY.

Includes Ref: 17, 19

1шт.

17

1033087

CUP

inner

1шт.

19

1033086

CUP

outer

1шт.

20

1033084

ROLLER BEARING

bearing, outer

1шт.

21

1033083

WASHER

flat, 13/16 I.D. x 1-1/2 inch O.D.

1шт.

22

1033082

NUT

slotted, 3/4 inch

1шт.

23

432-1024

COTTER PIN,5/32" x 1 1/2"

5/32" x 1 1/2"

1шт.

24

1033081

DUST CAP

1шт.

25

1033064

WASHER

machine

1шт.

26

38-32432

PIN,3/8" x 2", Coiled

(used with shank item 5) 3/8" x 2", Coiled

1шт.

26a

38-32424

PIN,3/8" x 1 1/2", Coiled

(used with shank item 5A) 3/8" x 1 1/2", Coiled

1шт.

27

290500A1

PLOW DISC

BLADE coulter, 508 mm (20 inch) straight, if used

1шт.

27

290501A1

BLADE

Clymer coulter, 508 mm (20 inch) wave, if used

1шт.

27

290502A1

PLOW DISC

BLADE coulter, 508 mm (20 inch) notched, if used

1шт.

27

290503A1

PLOW DISC

BLADE coulter, 508 mm (20 inch) fluted, if used

1шт.

28

1033072

BOLT

hex, 1/2 x 1 inch NC

4шт.

29

608294R1

U-BOLT,U, 5/8" - 11 x 134mm

BOLT "U" 5/8 inch NC

2шт.

30

425-1010

NUT,5/8"-11, G5

4шт.

31

413-1028

BOLT,Hex, 5/8" - 11 x 1-3/4", Gr 5

hex, 5/8 NC x 1-3/4 inch

2шт.

32

492-11062

BEARING WASHER,5/8"

2шт.

33

425-1010

NUT,5/8"-11, G5

2шт.

Выбрано товаров: 45