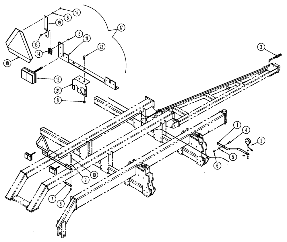
Запчасти Case IH SDX30 (1.120.1) - SAFETY LIGHTS (BSN CKB0028188) (12) - FRAME

Схема запчастей Case IH SDX30 - (1.120.1) - SAFETY LIGHTS (BSN CKB0028188) (12) - FRAME
9
10
7
11
3
18
19
14
4
6
22
3
17
13
8
2
5
12
17
1
4
6
15
15
2
8
7
5
1
21
10
9
8
8
FIT
1:1
100%

Артикул

Название

Примечание

Количество

1

351978A1

BRACKET

transport, Serial Range: -CKB0028188

2шт.

Includes decal 311864A1

1шт.

2

87564157

WARNING LIGHT

assembly amber

2шт.

3

312998A1

HARNESS

lighting, Serial Range: -CKB0028188

1шт.

Non-AFS Only

1шт.

3

377862A1

HARNESS

tillage AFS RH

1шт.

AFS Only

1шт.

3

377863A1

HARNESS

tillage AFS front

1шт.

AFS Only

1шт.

4

9706701

BOLT,Hex, 3/4" - 10 x 2 1/2", Gr 5

4шт.

5

87381

WASHER,0.81" ID x 1.47" OD x 0.13" Thk

16шт.

6

280375

NUT,3/4"-10, GC

4шт.

7

1023957

LARGE PLATE

PLATE, LARGE backup

2шт.

8

87530607

NUT

1/2"-13, GB

4шт.

9

87364

WASHER,0.53" ID x 1.06" OD x 0.1" Thk

4шт.

10

86505997

BOLT,Hex, 1/2" - 13 x 7 1/2", Gr 5

4шт.

11

312997A1

ANGLE

tail light support, Serial Range: -CKB0028188

1шт.

12

307122A1

LAMP

stop, tail and turn, Serial Range: -CKB0028188

2шт.

13

280497

CARRIAGE BOLT,Short Sq Nk, 5/16" - 18 x 3/4", Gr 5, Full Thd

2шт.

14

847590

BRACKET

socket, female, SMV emblem

1шт.

15

86050277

NUT,5/16"-18, GB

2шт.

16

87016571

NUT,M5, Cl 5

2шт.

17

311862A1

PLATE

assembly, slow moving vehicle

1шт.

17

86547710

EMBLEM

KIT SMV

1шт.

17

85700996

SCREW,Phillips Drive, Pan HD, 1/4" - 20 x 1/2"

2шт.

17

7770

NUT,Hex, 1/4 - 20, Cl 5

2шт.

18

311859A1

TRAFFIC SIGN

plate - SMV

1шт.

19

311861A1

SUPPORT

SMV sign

1шт.

20

311858A1

DECAL

SMV Emblem

1шт.

21

312454A1

BRACKET

(AFS Only)

1шт.

22

87689

BOLT,1/2"-13 x 1.813" OAL, Gr 5

2шт.

Выбрано товаров: 31