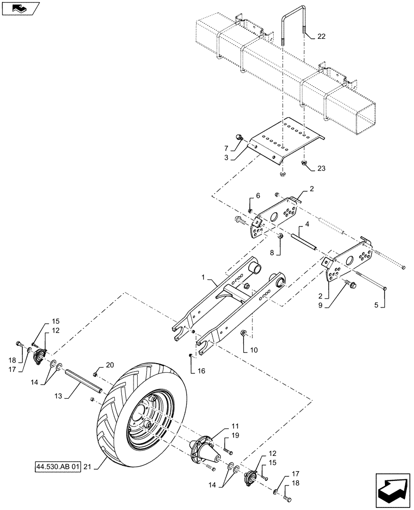
1
87565531
FRAME
Rail Dual Arm
1шт.
2
87703810
PLATE
Side Adjust Plate Painted Red
2шт.
3
87703812
PLATE
Mount Top Plate Narrow Red
1шт.
4
87548228
SPACER
Wheel Mount
2шт.
5
84183814
BOLT
.500 X 10.0"
2шт.
6
86521607
FLANGE NUT,Flg, 1/2"-13, G5
2шт.
7
86521619
BOLT,Hex, 5/8" - 11 x 1 1/2", Gr 5
4шт.
8
86521608
FLANGE NUT,Flg, 5/8"-11, G5
4шт.
9
84490436
FLANGE BOLT
3/4" X 2.25"
2шт.
10
84490435
FLANGE NUT
3/4"
2шт.
11
293985A2
HUB
Wheel
1шт.
12
233254A1
BEARING ASSY,25.55mm ID
2шт.
13
293986A1
BAR
Axle Wheel
1шт.
14
86624175
WASHER,1.16" ID x 2" OD x 0.06" Thk
4шт.
15
86508775
CARRIAGE BOLT,Sq Nk, 3/8" - 16 x 1 3/4", Gr 5
6шт.
16
247780
SERRATED NUT,Flg, USR, 3/8"-16
6шт.
17
86624189
WASHER,0.66" ID x 1.31" OD x 0.15" Thk
2шт.
18
86622997
BOLT,Hex, 5/8" - 11 x 1 1/2", Gr 5, Full Thd
2шт.
19
86622972
BOLT,Spcl, Hex, 1/2" - 20 x 2 1/4", Gr 8, Full Thd
6шт.
20
F23214
WHEEL NUT
1/2-20"
6шт.
21
332455A2
WHEEL ASSY
Left
1шт.
21
311004A2
WHEEL ASSY
Right
1шт.
22
1250813C1
U-BOLT
5/8-11 7 X 7 Tube
6шт.
23
86521608
FLANGE NUT,Flg, 5/8"-11, G5
12шт.