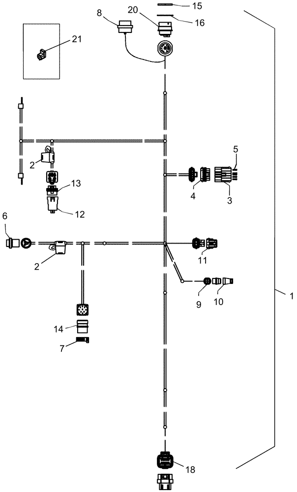
Запчасти Case IH 1220 (55.100.15) - ELECTRICAL - HARNESS, TRACTOR, ISO, 5.8 M 87538537 (55) - ELECTRICAL SYSTEMS

Схема запчастей Case IH 1220 - (55.100.15) - ELECTRICAL - HARNESS, TRACTOR, ISO, 5.8 M 87538537 (55) - ELECTRICAL SYSTEMS
8
4
12
1
20
2
21
15
2
10
13
11
3
18
7
14
5
6
9
16
FIT
1:1
100%

Артикул

Название

Примечание

Количество

1

87538537

HARNESS

tractor, ISO, 5.8 m

1шт.

2

13972

FUSE HOLDER

inline ato 12awg

2шт.

3

182079A1

TERMINAL CONNECTOR,Male, 5 Pin

Shroud 5 Way Metri-Pak 280

1шт.

4

182081A1

TERMINAL CONNECTOR,Female, 5 Pin

Tower 5-way Metri-pak

1шт.

5

225127C1

PLUG

cavity, green rubber

5шт.

6

87675194

MULTIPOLE CONNECTOR,Female, 3 Pole

plastic 3c plug

1шт.

7

84074633

COVER

9 cond plg Deutsch

1шт.

8

245041C1

CAP

dust 23 cond plug Deutsch

1шт.

9

247724A1

ELEC CONNECTOR,Female, 4 Pin

electrical

1шт.

10

247725A1

ELEC CONNECTOR

electrical

1шт.

11

256348A1

ELEC CONNECTOR,Female, 6 Pin

6 Pin, Packard

1шт.

12

293256A2

RELAY,12V

12v 40 amp weatherproof

1шт.

13

297910A1

ELEC CONNECTOR,Female, 5 Pin

Packard 280 metri-pack, 5-way

1шт.

14

310057A1

ELEC CONNECTOR,Male, 9 Pin

Deutsch HD10 series Receptacle

1шт.

15

459329C1

NUT

1 11/16"-18 aluminum 3/16" thick

1шт.

16

51200012

LOCK WASHER

split 1 3/4" id x 3/32" tk

1шт.

18

87410948

CONTACT HOUSING,Female, 26 Pole

Super Seal Plug Housing

1шт.

20

352506A1

ELEC CONNECTOR,Male, 9 Pin

metal 9c receptacle

1шт.

21

87601142

ELEC CONNECTOR,Female, 6 Cavities

electronic control unit

1шт.

Sold separately from harness

1шт.

Выбрано товаров: 20