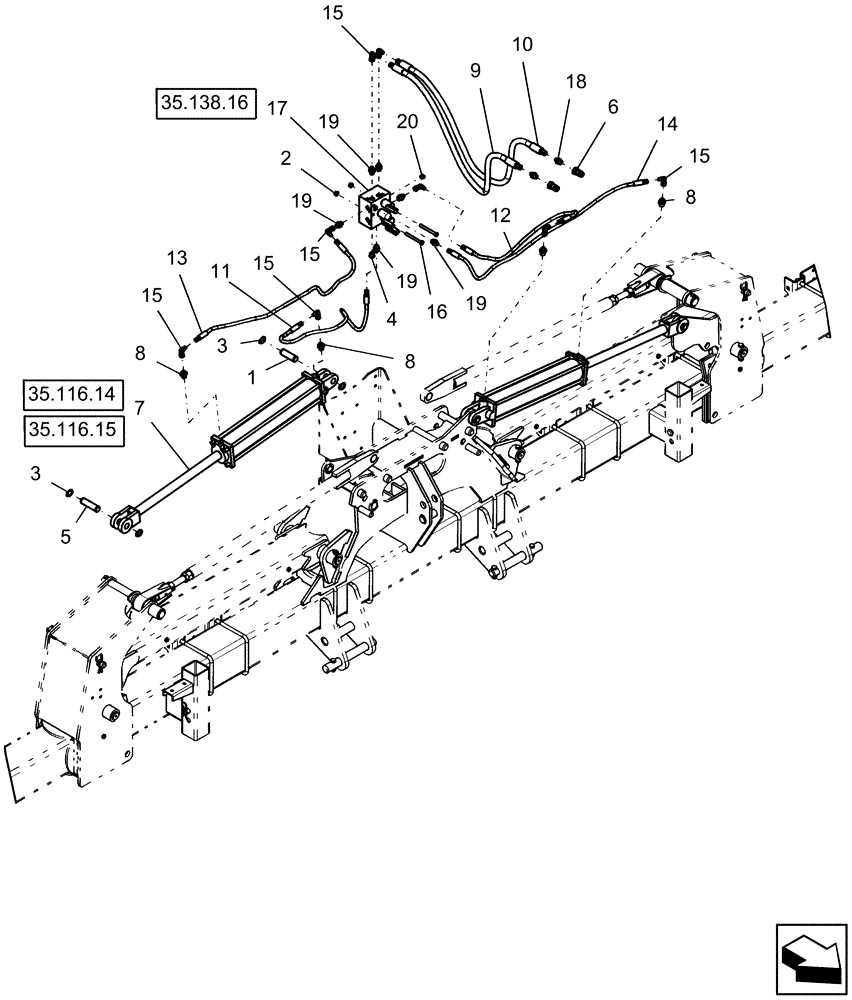
Запчасти Case IH 1220 (35.100.05) - HYDRAULIC SYSTEM - FRAME FOLD, 8 AND 12 ROW NARROW MOUNTED STACKERS (35) - HYDRAULIC SYSTEMS

Схема запчастей Case IH 1220 - (35.100.05) - HYDRAULIC SYSTEM - FRAME FOLD, 8 AND 12 ROW NARROW MOUNTED STACKERS (35) - HYDRAULIC SYSTEMS
8
15
16
19
10
6
8
7
20
2
19
35.116.14
35.116.15
35.138.16
8
15
3
19
5
9
19
15
1
17
13
18
15
3
4
11
14
15
12
FIT
1:1
100%

Артикул

Название

Примечание

Количество

1

3326

PIN

cylinder 1" x 2 7/8" ul hardened with snap rings

2шт.

2

86521606

FLANGE NUT,Hex, 3/8" - 16, Gr 5

2шт.

3

87019495

SNAP RING,#98, Ext

8шт.

4

71100209

PLUG,Hex Soc, 3/4"-16 ORB

1шт.

5

8972

PIN

cylinder, 1" x 3 3/8" ul with snap ring groove (#437324)mo

2шт.

6

87506450

QUICK MALE COUPLING

1/2"m-tip x 1/2" fb poppet style

2шт.

7

87504321

HYDRAULIC CYLINDER,Double Acting, 38.1mm Rod, 508mm Stroke

3 1/2" x 20" 3000 psi

2шт.

8 Row

1шт.

Shown

1шт.

7

9652

HYDRAULIC CYLINDER,Double Acting, 44.5mm Rod, 610mm Stroke

4" x 24" Monarch 3000 psi no pins 1 3/4" rod 1/2" fb ports inline

2шт.

12 Row Narrow with 30" Spacing

1шт.

Not Shown

1шт.

7

9652R

REMAN-HYD CYLINDER

1230 MOUNTED STACKER PLANTER EARLY RISER® SERIES, 12 Row Narrow with 30" Spacing, 4" x 24" Monarch 3000 psi no pins 1 3/4" rod 1/2" fb ports inline (7/08-)

2шт.

7

9652C

CORE-HYD CYLINDER

Return Number

2шт.

8

87592554

ORIFICE

1/32" x 1/2" mb x 3/8" mj

4шт.

9

1285380C2

HYDRAULIC HOSE

3/8" x 50" (1270 mm) fl

1шт.

10

1285380C2

HYDRAULIC HOSE

3/8" x 50" (1270 mm) fl

1шт.

11

147875C1

HYDRAULIC HOSE,6.40 mm ID x 890.00 mm, SAE 100R1

1/4" x 35" fl

1шт.

8 Row

1шт.

11

1277506C1

HYDRAULIC HOSE,6.35mm ID x 1195mm L

1/4" x 47" fl

1шт.

12 Row Narrow with 30" Spacing

1шт.

12

129908C1

HYDRAULIC HOSE

1/4" x 55" fl

1шт.

8 Row

1шт.

12

1277506C1

HYDRAULIC HOSE,6.35mm ID x 1195mm L

1/4" x 47" fl

1шт.

12 Row Narrow with 30" Spacing

1шт.

13

141425A2

HOSE,0.25" ID x 57.00", SAE 100R1

1/4" x 57" fl

1шт.

8 Row

1шт.

13

812382C1

HYDRAULIC HOSE

1/4" x 50" fl

1шт.

12 Row Narrow with 30" Spacing

1шт.

14

1284278C1

HYDRAULIC HOSE

1/4" x 41" fl

1шт.

8 Row

1шт.

14

812382C1

HYDRAULIC HOSE

1/4" x 50" fl

1шт.

12 Row Narrow with 30" Spacing

1шт.

15

86629586

90 ELBOW,9/16" - 18 JIC x 9/16" - 18 Fem Sw

8шт.

16

84192885

BOLT

Hex, 3/8"-16 x 3 3/4", G5

2шт.

17

302403A3

VALVE

assembly, stacker bar planter

1шт.

18

128817

HYD CONNECTOR,3/4" - 16 ORB x 9/16" - 18 JIC

2шт.

19

128817

HYD CONNECTOR,3/4" - 16 ORB x 9/16" - 18 JIC

6шт.

20

9625178

PLUG,9/16" - 18 ORB

1шт.

21

529070

CABLE TIE,368.3mm L

CABLE STRAP (Not Shown)

4шт.

22

333721A1

CAP

(Not Shown)

2шт.

Выбрано товаров: 41