Запчасти Case IH 1220 (35.720.06) - DRIVE SHIELDS - 6R AND 8R RIGID TRAILING VR (35) - HYDRAULIC SYSTEMS

Схема запчастей Case IH 1220 - (35.720.06) - DRIVE SHIELDS - 6R AND 8R RIGID TRAILING VR (35) - HYDRAULIC SYSTEMS
5
35.138.15
2
8
7
3
1
8
4
6
FIT
1:1
100%

Артикул

Название

Примечание

Количество

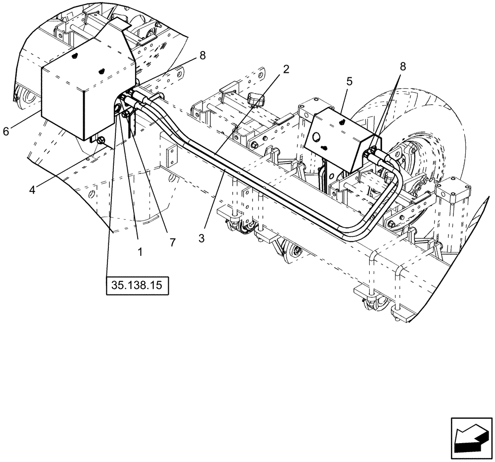
1

87427490

VALVE

assembly multi with plugs

1шт.

2

1284315C1

HYDRAULIC HOSE

3/8" x 65" fl

1шт.

3

1284315C1

HYDRAULIC HOSE

3/8" x 65" fl

1шт.

4

87421376

BRACKET

valve mount

1шт.

5

87433232

SHIELD

VR motor

1шт.

6

87433237

SHIELD

multi-valve

1шт.

7

414107A1

CHECK VALVE

hydraulic 3/8" mj x 3/8" mb

1шт.

8

76350

HYD CONNECTOR,9/16" - 18 ORB x 9/16" - 18 JIC

3шт.

Выбрано товаров: 8