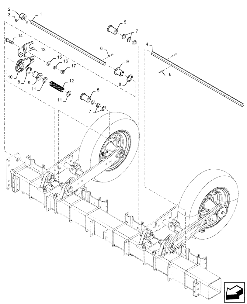
Запчасти Case IH 1225 EARLY RISER (61.901.AB[06]) - MECHANICAL DRIVELINE 8 ROW (61) - METERING SYSTEM

Схема запчастей Case IH 1225 EARLY RISER - (61.901.AB[06]) - MECHANICAL DRIVELINE 8 ROW (61) - METERING SYSTEM
3
1
17
9
15
8
11
8
7
10
2
13
5
5
16
14
9
7
6
11
4
6
12
FIT
1:1
100%

Артикул

Название

Примечание

Количество

1

90559C1

SHAFT

Transmission Input 7/8 Hex

1шт.

2

87461085

SPROCKET

Collar Locking

1шт.

3

86624123

SET SCREW,Hex Skt, 1/2" - 13 x 1/2"

2шт.

4

96047C2

SHAFT

Transmission Input 7/8 Hex

1шт.

5

90335C2

BUSHING

Drive Shaft

2шт.

6

86624099

PIN,1/4" x 1 3/4", Coiled

4шт.

7

86624170

WASHER,1.03" ID x 1.5" OD x 0.12" Thk

6шт.

8

1267994C2

THRUST WASHER,42.06mm ID x 57.15mm OD x 2.7mm Thk

1.656 X 2.25 X 0.105"

2шт.

9

1264314C1

CLUTCH

Drive Clutch Right Painted

2шт.

10

87502661

PLATE

Clutch Throwout

1шт.

11

86624172

WASHER,1.03" ID x 1.75" OD x 0.12" Thk

2шт.

12

87461083

SPRING

Cutch Painted

1шт.

13

87461084

BRACKET

Clutch

1шт.

14

87630

BOLT,Hex, 5/8" - 11 x 2 1/2", Gr 5

1шт.

15

87365

WASHER,0.66" ID x 1.31" OD x 0.1" Thk

1шт.

16

86729275

LOCK WASHER,5/8 0.634 CST ZND

1шт.

17

280374

NUT,Hex, 5/8" - 11, Gr 5

1шт.

Выбрано товаров: 17