Запчасти Case IH 1240 (39.110.07) - 12 ROW, 16 ROW, 12/23 ROW, 16/31 ROW & 24 ROW HYDRAULIC CARRIER FRAME ASSEMBLY (39) - FRAMES AND BALLASTING

Схема запчастей Case IH 1240 - (39.110.07) - 12 ROW, 16 ROW, 12/23 ROW, 16/31 ROW & 24 ROW HYDRAULIC CARRIER FRAME ASSEMBLY (39) - FRAMES AND BALLASTING
6
11
25
44
21
44
42
52
41
50
16
8
41
31
4
33
7
24
14
17
43
43
3
51
32
47
5
26
46
36
35.116.02
15
28
35.116.10
35.116.09
18
30
27
11
40
10
53
22
32
20
45
39
2
9
38
12
35
29
48
46
37
34
1
23
19
49
47
13
FIT
1:1
100%

Артикул

Название

Примечание

Количество

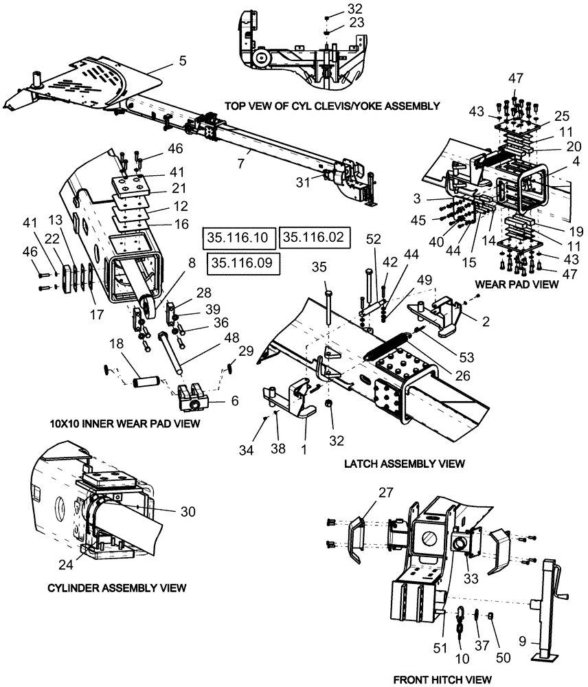
1

87544820

HOOK

lock RH

1шт.

2

87544823

HOOK

lock LH

1шт.

3

87462887

COVER

plate 12 x 12 side

1шт.

4

87460985

PLATE

cover 12 x 12 LH

1шт.

5

87523797

FRAME

16R31

1шт.

16/31 row planter

1шт.

5

87523818

FRAME

12R20

1шт.

12 row planter

1шт.

5

87539887

FRAME

12R23

1шт.

12/23 row planter

1шт.

5

87539890

FRAME

16R30

1шт.

16 row planter

1шт.

5

87521782

FRAME

24R20

1шт.

24 row planter

1шт.

6

87594345

BRACKET

cylinder clevis

1шт.

7

87729421

HYD TUBE,40 mm L

10" x 10" 40' hydraulic hitch, heavy

1шт.

16/31 row planter

1шт.

7

87729411

HYD TUBE,30 mm L

10" x 10" 30' hydraulic hitch, light

1шт.

12 row planter

1шт.

7

87729413

HYD TUBE,30 mm L

10" x 10" 30' hydraulic hitch, heavy

1шт.

12/23 row planter

1шт.

7

87729419

HYD TUBE,40 mm L

10" x 10" 40' hydraulic hitch, light

1шт.

16 row planter

1шт.

7

87729421

HYD TUBE,40 mm L

10" x 10" 40' hydraulic hitch, heavy

1шт.

24 row planter

1шт.

8

87533996

HYDRAULIC CYLINDER,Double Acting, 69.85mm Rod, 3470.4mm Stroke

3 3/4" x 136 5/8"

1шт.

16 row, 16/31 row and 24 row planters

1шт.

8

87533998

HYDRAULIC CYLINDER,Double Acting, 63.5mm Rod, 2848.1mm Stroke

3 1/2" x 112 1/8"

1шт.

12 row and 12/23 row planters

1шт.

9

385338A1

JACK

assembly 7000 lb sidewind 5" stroke

1шт.

10

PCC8607191

CHAIN

30,400 lb safety

1шт.

11

87506176

SHIM

12 x 12 top / bot

8шт.

12

87505235

SHIM

10 x 10 top thin

4шт.

13

87505253

SHIM

10 x 10 side thin

4шт.

14

87461072

WEAR PAD

5.8 x 1.8 x 1.38

4шт.

15

87506157

SHIM

PT hitch side

8шт.

16

87505234

SHIM

10 x 10 top thick

2шт.

12/23 row, 16/31 row and 24 row planters only

1шт.

17

87505245

SHIM

10 x 10 side thick

2шт.

12/23 row, 16/31 row and 24 row planters only

1шт.

18

87585904

PIN

37.5 mm x 98 mm

1шт.

19

87461092

WEAR PAD

12 x 12 bottom

2шт.

20

87502401

WEAR PAD

12 x 12 top

2шт.

21

87502406

WEAR PAD

10 x 10 top

2шт.

22

87502414

WEAR PAD

10 x 10 side

2шт.

23

87594255

BUSHING

step 43.6 mm od x 26 mm id

1шт.

24

87628383

BRACKET

cylinder support

1шт.

25

87462898

COVER

plate 12 x 12 top

2шт.

26

87506152

SPRING

E 3/8"wr 2 1/2"od 17 3/32"lg

1шт.

27

87559018

BRACKET

wheel bumper, 30"

2шт.

12 row, 12/23 row, 16 row and 16/31 row planters

1шт.

27

87462896

GUARD

tractor tire

2шт.

24 row planter

1шт.

28

87593810

LOCKING BAR

cylinder mount

2шт.

29

86632531

SNAP RING,#150, Ext

2шт.

30

214-1488

HOSE CLAMP,130.05mm - 152.4mm

2шт.

31

87414

LUBE NIPPLE,1/4" - 28

1шт.

32

86755

NUT,1"-8, GB

3шт.

33

87530607

NUT

1/2"-13, GB

8шт.

34

86632697

CAP

poly sleeve cap 3/8" red

2шт.

35

413-16160

BOLT,Hex, 1" - 8 x 10", Gr 5

2шт.

36

20987

BOLT,Hex, 1/2" - 13 x 2 1/2", Gr 8

4шт.

37

495-81080

WASHER,1 1/32" x 3" x .240"

1шт.

38

86632588

WASHER,0.41" ID x 0.81" OD x 0.07" Thk

2шт.

39

86624188

WASHER,0.53" ID x 1.06" OD x 0.13" Thk

4шт.

40

80679

LOCK WASHER,1/20.507 CST ZND

16шт.

41

80680

LOCK WASHER,3/8 0.381 CST ZND

12шт.

42

87339

BOLT,Hex, 1/2" - 13 x 3", Gr 5

2шт.

43

87340

LOCK WASHER,Helical Spring, 0.759" ID, CST, ZND

22шт.

44

87364

WASHER,0.53" ID x 1.06" OD x 0.1" Thk

20шт.

45

87689

BOLT,1/2"-13 x 1.813" OAL, Gr 5

24шт.

46

88044

BOLT,Hex, 3/8" - 16 x 1-1/2", Gr 5

12шт.

47

88725

BOLT,Hex, 3/4" - 10 x 1 3/4", Gr 5, Full Thd

22шт.

48

280576

BOLT,Hex, 1"-8 x 13", G5

1"-8 x 13, G5

1шт.

49

86992215

LOCK NUT,1/2"-13, GC

2шт.

50

86511609

NUT,1"-8, G8

1шт.

51

86539260

BOLT,Hex, 1" - 8 x 3", Gr 8

1шт.

52

86991777

HYDRAULIC CYLINDER

1" x 4" 2500 PSI no pins SA

1шт.

53

398207A1

SPECIAL BOLT

J 3/8" x 3" x 2 13/32" thread

2шт.

Выбрано товаров: 79