Запчасти Case IH 1240 (39.110.08) - 12 ROW, 16 ROW, 12/23 ROW, 16/31 ROW & 24 ROW HYDRAULIC 2 SECTION HYDRAULIC HOSES (39) - FRAMES AND BALLASTING

Схема запчастей Case IH 1240 - (39.110.08) - 12 ROW, 16 ROW, 12/23 ROW, 16/31 ROW & 24 ROW HYDRAULIC 2 SECTION HYDRAULIC HOSES (39) - FRAMES AND BALLASTING
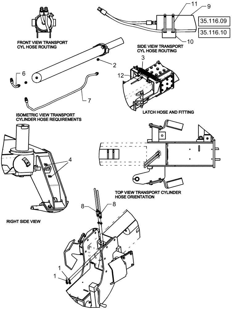
8
6
9
2
8
1
10
1
4
12
7
11
3
35.116.09
35.116.10
FIT
1:1
100%

Артикул

Название

Примечание

Количество

1

218-714

ELBOW,45 Degree Blkhd, 9/16"-18, 37 Degree x 9/16"-18, 37 Degree

2шт.

2

128817

HYD CONNECTOR,3/4" - 16 ORB x 9/16" - 18 JIC

2шт.

3

76350

HYD CONNECTOR,9/16" - 18 ORB x 9/16" - 18 JIC

1шт.

4

86010402

CLAMP,12.7mm, Coat, 10.3mm Bolt Hole, P Type

2шт.

6

1336840C1

HYDRAULIC HOSE

3/8" x 25" fl

1шт.

7

1284252C1

HYDRAULIC HOSE

3/8" x 140" fl

1шт.

12 row and 12/23 row planters

1шт.

7

129782C2

HYDRAULIC HOSE

3/8" x 165" fl

1шт.

16 row, 16/31 row and 24 row planters

1шт.

8

1284299C1

HYDRAULIC HOSE

3/8" x 350" (8890 mm)

1шт.

12 row and 12/23 row planters

1шт.

8

134211A1

HYDRAULIC HOSE

3/8" x 400" fl

1шт.

16 row, 16/31 row and 24 row planters

1шт.

9

87533998

HYDRAULIC CYLINDER,Double Acting, 63.5mm Rod, 2848.1mm Stroke

3 1/2" x 112 1/8"

1шт.

12 row and 12/23 row planters

1шт.

9

87533996

HYDRAULIC CYLINDER,Double Acting, 69.85mm Rod, 3470.4mm Stroke

3 3/4" x 136 5/8"

1шт.

16 row, 16/31 row and 24 row planters

1шт.

10

87628383

BRACKET

cylinder support

1шт.

11

214-1488

HOSE CLAMP,130.05mm - 152.4mm

1шт.

12

1264171C1

HYDRAULIC HOSE,6.40 mm ID x 5590.00 mm, SAE 100R1

1/4" x 215" fl

1шт.

12 row and 12/23 row planters

1шт.

12

87501984

HYDRAULIC HOSE

1/4" x 240" fl, 3/8" fjic x 3/8" fjic

1шт.

16 row, 16/31 row and 24 row planters

1шт.

100

87557084

CABLE TIE,14"

CABLE STRAP 14" with stainless locking clip

2шт.

Not Shown

1шт.

Выбрано товаров: 25