Запчасти Case IH 1240 (55.100.15) - ELECTRICAL - HARNESS 87533162, PT LIQUID FERTILIZER, ISOBUS (55) - ELECTRICAL SYSTEMS

Схема запчастей Case IH 1240 - (55.100.15) - ELECTRICAL - HARNESS 87533162, PT LIQUID FERTILIZER, ISOBUS (55) - ELECTRICAL SYSTEMS
6
7
3
2
5
6
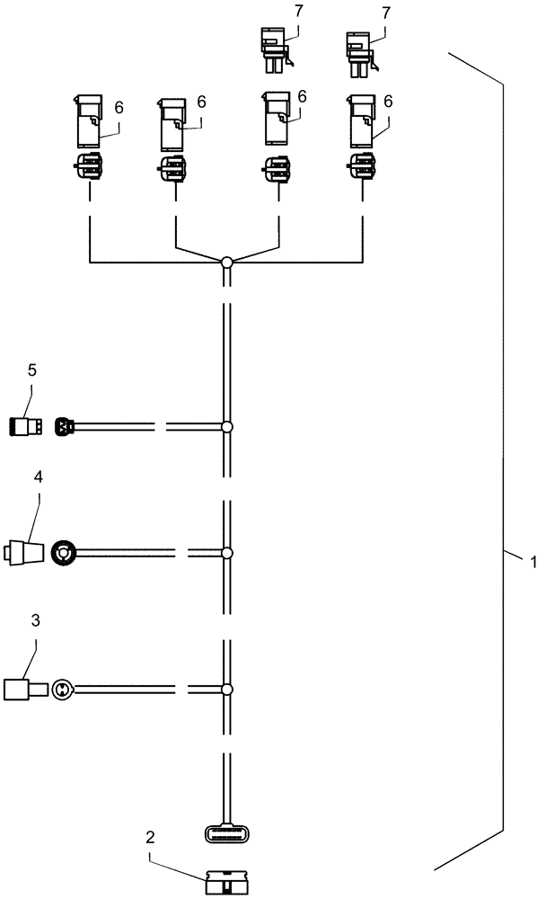
1
4
7
6
6
FIT
1:1
100%

Артикул

Название

Примечание

Количество

1

87533162

HARNESS

pt liquid fertilizer, ISOBUS

1шт.

2

87533279

ELEC CONNECTOR,Male

1шт.

3

1160577C1

ELEC CONNECTOR,Female, 2 Pin

CONNECTOR 2 contact

1шт.

4

339889A1

ELEC CONNECTOR,Male, 3 Pin

electrical, 3 cavity

1шт.

5

225316C1

ELEC CONNECTOR,Female, 2 Pin

2 Cavity

1шт.

6

245716C1

ELEC CONNECTOR,Male, 4 Pin

plastic 4c receptacle

4шт.

7

245715C1

ELEC CONNECTOR,4 Pin

plastic 4c plug

2шт.

Выбрано товаров: 7