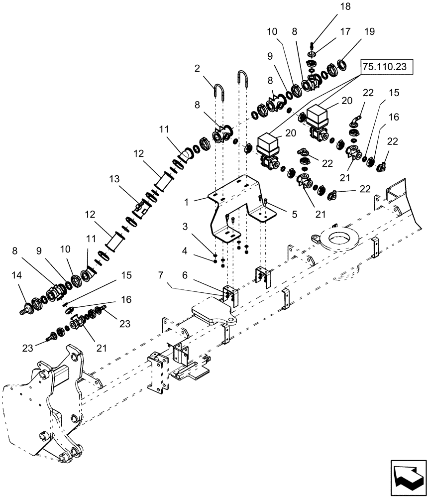
Запчасти Case IH 1240 (75.110.11) - LIQUID FERTILIZER 2 SECTION MANIFOLD ON FRAME MOUNTED TANKS - FITTINGS AND VALVES 12 ROW & 16 ROW (75) - SOIL PREPARATION

Схема запчастей Case IH 1240 - (75.110.11) - LIQUID FERTILIZER 2 SECTION MANIFOLD ON FRAME MOUNTED TANKS - FITTINGS AND VALVES 12 ROW & 16 ROW (75) - SOIL PREPARATION
20
9
13
11
18
21
16
22
12
7
10
8
17
1
6
4
22
21
3
15
23
20
8
16
19
22
22
14
12
8
10
75.110.23
9
15
2
11
8
5
21
23
FIT
1:1
100%

Артикул

Название

Примечание

Количество

1

87438391

BRACKET

fertilizer manifold

1шт.

2

87413269

U-BOLT

ur 3/8"-16 x 2 1/2" wide x 4" deep ss with 1 3/4" thread

2шт.

3

87016

WASHER,0.41" ID x 0.81" OD x 0.07" Thk

4шт.

4

86985855

LOCK NUT

3/8"-16 ss 1-way, nylon insert

4шт.

5

88206

BOLT,Hex, 3/8" - 16 x 1", Gr 5

4шт.

6

80680

LOCK WASHER,3/8 0.381 CST ZND

4шт.

7

9628503

NUT,3/8"-16, G5

4шт.

8

86984089

TEE,2" Port x 1" Flanged Tee

2" x 2" x 1"

4шт.

9

BN303204

GASKET,1-1/2" EPDM Gasket

2 7/32" od x 1 41/64" id x 1/4" thick

10шт.

10

400502A1

CLAMP,80.96mm ID

2" flange banjo #fc200

10шт.

11

86984086

COUPLING

45°

2шт.

12

442255A1

COUPLING,2" x 2" Flange x 41/2"Long

poly 2 flange manifold

2шт.

13

406037A2

METER

flow liquid fertilizer

1шт.

14

86987616

FITTING,2" Flange x 1" Hose Barb

2" flange x 1" barb

1шт.

15

408350A1

MANIFOLD GASKET,1" EPDM Manifold Gasket

1" x 7/32" thick

12шт.

16

406041A1

CLAMP,58.51mm

1" flange banjo #fc100

12шт.

17

405793A1

PLUG,1" Flange Plug with 1/4" FPT

poly 1 manifold x 1/4" fp

1шт.

18

86990474

FITTING

1/4" mpt x 3/8" hose stainless steel

1шт.

19

86984085

PLUG,2" Flange Plug

2" Manifold

1шт.

18

434048A1

GAUGE

pressure 0-60 PSI SSTL ammonia

1шт.

20

406039A1

SOLENOID VALVE,1" Electric Valve

control 2 section fertilizer

2шт.

Refer to Figure L.40.A [27] for details

1шт.

21

405787A1

TEE,1" Flanged Tee

poly 1 flange manifold

3шт.

22

405785A1

ELBOW

poly 90º 1" flange x 3/4" hb

4шт.

23

408351A1

FITTING,1" Flange x 3/4" Hose Barb

poly 1" manifold x 3/4" hb

2шт.

Выбрано товаров: 25